Что-то не так?
Пожалуйста, отключите Adblock.
Портал QRZ.RU существует только за счет рекламы, поэтому мы были бы Вам благодарны если Вы внесете сайт в список исключений. Мы стараемся размещать только релевантную рекламу, которая будет интересна не только рекламодателям, но и нашим читателям. Отключив Adblock, вы поможете не только нам, но и себе. Спасибо.
Как добавить наш сайт в исключения AdBlockРеклама
Приставка "фильтр - вибрато"
|
Для обогащения звучания ЭМИ широко используют разного рода приставки, с помощью которых могут быть получены те или иные музыкальные эффекты, вносящие разнообразие в звучание конкретного инструмента. Среди наиболее часто применяемых - эффект изменения тембра с помощью управляемого полосового фильтра и вибрато. Обычно варьируемым параметром является положение выделяемой частотной полосы в широком участке спектра музыкального сигнала, а ширина этой полосы (добротность) фиксируема; вибрато обычно одноканальное. В описываемой приставке, предназначенной для работы с ЭМИ (электрогитарой, электроорганом и др.), применены фильтр с управляемой напряжением добротностью и двухканальное амплитудное вибрато с противофазным управлением. Это дает возможность, наряду с известными, получать некоторые новые звучания. Если блок подключить к входу двухканальной (стереофонической) звуковоспроизводящей системы, то может быть получен эффект периодического перемещения источника звука (при этом в одном из громкоговорителей характер звучания можно плавно изменять). О других возможностях, которые могут быть получены, сказано ниже, при описании электрической схемы. Коэффициент передачи приставки близок к единице, входное сопротивление - около 20 кОм. Номинальный размах входного сигнала - около 50 мВ. При уменьшении входного сигнала ухудшается отношение сигнал/помеха, а при увеличении - возможно появление искажений сигнала в фильтре (при большой добротности).
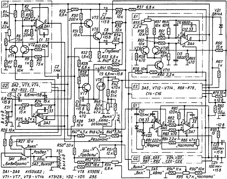
Приставка (см. рис.1) состоит из входного усилителя, фильтра, двух одинаковых управляющих генераторов с инвертором, двух одинаковых амплитудных модуляторов. Для получения зависимой от напряжения добротности в обычный фильтр введен дополнительный узел. На транзисторах VT5 и VT6 собраны входной усилитель напряжения и эмиттерный повторитель. Усиленный входной сигнал через резистор R35 поступает на вход фильтра, представляющего собой резонансный усилитель, который из спектра сигнала выделяет узкую частотную полосу. Фильтр выполнен на транзисторах VT7-VT14 и ОУ DA4, DA5 по схеме двух интеграторов с умножителями с кольцевой связью. Цепь кольцевой связи: умножитель на транзисторах VT12, VT13 и VT14 (Е2) - интегратор на ОУ DA5 - резистор R66 - умножитель на транзисторах VT9, VT10 и VT11 (E1) - интегратор на ОУ DA4 - резистор R37. Резонансная частота фильтра зависит от коэффициента передачи умножителей, который, в свою очередь, зависит от управляющего напряжения, поступающего на них через резисторы R59 и R72. Ширина резонансной полосы, а значит, и добротность фильтра зависят от параметров цепей обратной связи. В фильтре их три. Первая - через резистор R79 - цепь отрицательной обратной связи (уменьшающей добротность), вторая - R36 - положительной (увеличивающей добротность). В третьей цепи сигнал с выхода фильтра через резистор R40 поступает на вход усилителя на транзисторе VT7 и далее через резистор R41 поступает на вход фильтра. Коэффициент обратной связи, а следовательно, и добротность фильтра зависят от сопротивления канала полевого транзистора VT8, так как он совместно с резистором R40 образует управляемый делитель напряжения с коэффициентом передачи, зависящим от управляющего напряжения на затворе транзистора VT8. Таким образом, от управляющего напряжения зависит добротность фильтра. На правый по схеме вывод переменного резистора R34 поступает выходной сигнал фильтра, а на левый - входной сигнал с входного разъема XS1 через эмиттерный повторитель на транзисторе VT6. Это дает возможность плавно переходить от исходного сигнала к сигналу с выхода фильтра, смешивать эти сигналы между собой в разной пропорции. Будем для определенности называть сигнал с движка резистора R34 комбинированным. Эмиттерный повторитель обеспечивает малое сопротивление выхода источника входного сигнала (если оно недостаточно мало), что исключает наличие в исходном сигнале при левом крайнем по схеме положении движка резистора R34 сигнала с фильтра (в данном случае этот сигнал по сути - помеха). В положении "Выкл." переключателя SA1 комбинированный сигнал поступает непосредственно на выход блока. Кроме этого, комбинированный сигнал через конденсатор С2 поступает на амплитудный модулятор U1, а входной сигнал с разъема XS1, кроме канала фильтра, через конденсатор С4 проходит также на амплитудный модулятор U2. Модуляторы U1 и U2 служат для получения сигналов с амплитудами, изменяющимися с частотой генератора G1. Коэффициент модуляции равен единице. Модуляторы выполнены по схеме умножителя. В модуляторе U1 модулирующее напряжение от генератора G1 поступает на эмиттеры транзисторов VT1 и VT2, а на базе транзистора VT2 действует комбинированный сигнал. Через резистор R11 подают отрицательное напряжение смещения на эмиттеры транзисторов VT1 и VT2, от сопротивления этого резистора зависит длительность пауз (отсутствие сигнала) в модулированном сигнале. Модулирующий сигнал поступает на модулятор U1 через инвертор на ОУ DA3, что позволяет изменять амплитуду сигнала на выходе этого модулятора в противофазе с изменением амплитуды на выходе второго модулятора, т. е. когда на выходе модулятора U1 амплитуда увеличивается до максимума, то на выходе U2 она равна нулю. При положении "Вкл." переключателя "Бивибрато" (приставка "би" - два, т. е. двойное вибрато) сигналы с модуляторов поступают на выход. Управляющие генераторы G1 и G2 служат для периодического изменения параметров сигнала - резонансной частоты, добротности и амплитуды. Они выполнены по схеме интегратор-компаратор. В генераторе G1 ОУ DA6 является интегратором, a DA7 - компаратором. Частоту колебаний (0,25...20 Гц) регулируют переменным резистором R86, а форму (от пилообразной с крутым фронтом через треугольную с длинными фронтом и спадом до пилообразной с крутым спадом) - переменные резисторы R81. Выходной разъем XS2 в общем случае предназначен для подключения двухканального (стереофонического) усилителя ЗЧ. Блок работает в двухканальном режиме в положении "Вкл." переключателя SA1 и при указанном на схеме положении переключателя SA2. В этом режиме на первый канал (контакт 1 разъема XS2) сигнал поступает с модулятора U2, а на второй канал (контакт 4 разъема XS2) - с модулятора U2. При левом по схеме положении движка резистора R34 прямой сигнал музыкального инструмента переходит из одного канала в другой с частотой генератора G1; при правом его положении в одном канале периодически появляется прямой сигнал инструмента, а в моменты его отсутствия в этом канале в другом действует сигнал, прошедший через фильтр. В одноканальном режиме, когда переключатель SA2 находится в положении "Общ.", сигналы обоих каналов суммированы. При этом происходит периодический переход от прямого сигнала инструмента к комбинированному, снимаемому с движка резистора R34. В положении "Выкл." переключателя SA3 добротность фильтра регулируют переменным резистором R48; в положении "Выкл." переключателя SA5 резонансная частота зависит от положения движка резистора R95. Пользуясь переключателем SA4, можно расширить ("Ш") или сузить ("У") пределы периодического изменения резонансной частоты. Фильтры R80C24 и R93C23 подавляют помехи от управляющих генераторов, проникающие по цепям общего источника питания. Кроме ОУ К153УД2 (DA4 и DA5), в фильтре можно использовать также К553УД2, К140УД7, К140УД8А. В модуляторах и управляющих генераторах можно использовать любые ОУ, кроме тех, которые работают от пониженного напряжения питания (как, например, К140УД1А). Включают их с соответствующими цепями коррекции. В интеграторах все же не следует использовать ОУ (DA6 и DA8), у которых коэффициент усиления менее 20 000. Вместо транзистора КП303Е можно использовать любой из этой серии, а вместо КТ312В - любые транзисторы соответствующей структуры со статическим коэффициентом передачи тока более 60. Разъемы XS1 и XS2 - СГ-3 и СГ-5; переключатели - П2К. Налаживание блока можно провести на слух, подключив к его выходу усилитель ЗЧ. В качестве источника входного сигнала можно использовать управляющие генераторы G1 и G2. К входному разъему сигнал этих генераторов подают с вывода 6 ОУ DA7 (или DA9) через делитель напряжения, состоящий из последовательного резистора сопротивлением 100 кОм и резистора сопротивлением 1 кОм, подключенного параллельно входу блока. При подключении генераторов G1 и G2 ко входу их регуляторы частоты (R86 и G1) устанавливают на максимум частоты, соответствующий верхнему по схеме положению движка. Начальное положение переключателей при налаживании: SA3 и SA1 - "Выкл.", SA4 - "Ш", SA5 - "Вкл.". Движок резистора R34 - в правом крайнем по схеме положении. Подав на "Вход" сигнал с генератора G1, подстроечными резисторами R42 и R45, а если необходимо, и R54, а также переменным резистором R48 получают звучание с периодически изменяющейся резонансной частотой фильтра при добротности несколько меньше той, при которой фильтр переходит в режим самовозбуждения. Затем, отключив сигнал генератора G1 от "Входа", добиваются минимальных помех на выходе фильтра при наибольшей частоте генератора G2. Для этого движок подстроечного резистора R54 устанавливают в такое положение, при котором громкость щелчков в громкоговорителе наибольшая, и, вращая ручки подстроечного резистора R55 и соответствующего подстроечного резистора второго умножителя, устанавливают их в такое положение, при котором громкость этих щелчков наименьшая. Далее снова подают на "Вход" сигнал с генератора G1. Подстраивая резистор R54 и подбирая резисторы R52 и R53, добиваются того, чтобы пределы изменения резонансной частоты фильтра от генератора G2 были наиболее широкими. На рис.2 показана экспериментально снятая зависимость частоты фильтра fф, от управляющего напряжения Uупр (на движке резистора R95).
После этого переводят переключатель SA4 в положение "У" и устанавливают границы уменьшенного интервала изменения резонансной частоты, подбирая с этой целью резистор R50. Затем переключатель SA5 переводят в положение "Выкл." и, подбирая резисторы R94 и R96, добиваются максимально широких пределов изменения резонансной частоты при вращении движка переменного резистора R95 от одного крайнего положения к другому. После этого, установив в правое по схеме положение переключатель SA3 и подав на "Вход" сигнал с генератора G2 вместо сигнала с G1, добиваются максимального изменения добротности фильтра от генератора G1, подстраивая для этого резисторы R42, R45 и подбирая резистор R40. Резисторами R42 и R45 приходится подстраивать эти пределы при длительной эксплуатации блока, так как их границы могут сместиться из-за временного изменения параметров транзистора VT8. В моменты, когда добротность наибольшая, самовозбуждения фильтра не должно быть при любом значении резонансной частоты. Далее подбирают резисторы R47 и R49, устанавливая границы ручной регулировки добротности переменным резистором R48 (SA3 - в положении "Выкл."). Экспериментально снятая зависимость добротности фильтра Qф, от управляющего напряжения Uупр (на затворе транзистора VT8) показана на рис.3. Отключают генератор G2 от "Входа" и переводят переключатель SA1 в положение "Вкл.". Усилитель ЗЧ подключают только к первому каналу. Устанавливая резистор R4 в положение, соответствующее наименьшей громкости щелчков, добиваются минимума помех на выходе модулятора U1. И наконец, подключают усилитель ЗЧ только ко второму каналу и соответствующим резистором модулятора U2 добиваются минимума помех на его выходе. Н. БУГАЙЧУК |