LAB599.RU — интернет-магазин средств связи
EN FR DE CN JP

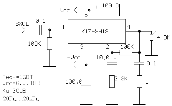
Усилитель на К174УН19




Усилитель на К174УН19

Этот усилитель мне понравился потому, что микросхема стоит не дорого по сравнению с импортными,
а выходная мощность около 18Вт. Проверено на практике - отлично работает.

 Схема

Сергей
Источник: shems.h1.ru

Партнеры