LAB599.RU — интернет-магазин средств связи
EN FR DE CN JP

Регулятор громкости




Регулятор громкости
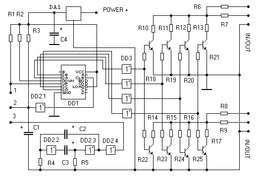
 Схема

R1..R5 1K C1 10mkF*16V DD1 К555ИЕ7 R6..R9 22K C2 47mkF*16V DD2, DD3 К555ЛН1 R10 - R14 3.9K C3,C4 100mkF*16V DA1 КР142ЕН5А R11 - R15 2.2K R12 - R16 1K VT КТ3102 R13 - R17 510 R18..25 22K 1 - увеличить громкость 2 - сброс 3 - тактовый выход

  Регулятор был задуман для работы с выносным проводным пультом, имеет 16 уровней громости, управляемых кнопками увеличеня громкости и сброса. DD1 - счетчик , выдает 16 разрядный двоичный код для управления Т образным делителем напряжения. DD2 используется как тактовый генератор. DD3 инвертирует сигнал от счетчика. Регулирующий элемент выполнен на резисторах R6/R7, R8/R9 и транзисторных ключах, которые подключая определенные сопротивления на общий провод образовывали Т образный делитель напряжения .

 Плата
Источник: shems.h1.ru

Партнеры