|
Пассивные регуляторы тембра
В этой статье вниманию читателей предлагается ряд различных по схемотехнике и функциональным возможностям регуляторов тембра, которые могут быть использованы радиолюбителями при разработке и модернизации звуковоспроизводящей аппаратуры.
Основной недостаток еще недавно популярных активных регуляторов тембра состоит в использовании глубокой частотно-зависимой ООС и больших дополнительных искажениях, вносимых ими в регулируемый сигнал. Вот почему в высококачественной аппаратуре желательно применять пассивные регуляторы. Правда, и они не лишены недостатков. Самый крупный из них - значительное затухание сигнала, соответствующее диапазону регулирования. Но так как глубина регулирования тембра в современной звуковоспроизводящей аппаратуре невелика (не более 8...10 дБ), то в большинстве случаев вводить в тракт сигнала дополнительные каскады усиления не требуется.
Другой, не столь существенный недостаток таких регуляторов - необходимость применения переменных резисторов с экспоненциальной зависимостью сопротивления от угла поворота движка (группа "В"), обеспечивающих плавное регулирование. Однако простота конструкции и высокие качественные показатели все же склоняют конструкторов к применению именно пассивных регуляторов тембра.
Следует отметить, что эти регуляторы требуют низкого выходного сопротивления предшествующего им каскада и высокого входного сопротивления последующего.
Разработанный английским инженером Баксандалом еще в 1952 г. регулятор тембра [1] стал, пожалуй, самым распространенным частотным корректором в электроакустике. Классический его вариант состоит из образующих мост двух звеньев фильтра первого порядка - низкочастотного R1C1R3C2R2 и высокочастотного C3R5C4R6R7 (рис. 1,а). Аппроксимированные логарифмические ампли-тудно-частотные характеристики (ЛАЧХ) такого регулятора показаны на рис. 1 ,б. Там же приведены расчетные зависимости для определения постоянных времени точек перегиба ЛАЧХ.
Теоретически максимально достижимая крутизна АЧХ для звеньев первого порядка составляет 6 дБ на октаву, но при практически реализуемых характеристиках из-за незначительного различия частот перегиба (не более декады) и влияния предшествующих и последующих каскадов она не превышает 4...5 дБ на октаву. При регулировании тембра фильтр Баксандала меняет только наклон АЧХ без изменения частот перегиба. Вносимое регулятором на средних частотах затухание определяется соотношением n=R1/R3. Диапазон регулирования АЧХ при этом зависит не только от величины затухания п, но и от выбора частот перегиба частотной характеристики, поэтому для его увеличения частоты перегиба устанавливают в области средних частот, что, в свою очередь, чревато взаимным влиянием регулировок.
В традиционном варианте рассматриваемого регулятора R1/R3=C2/C1==C4/C3=R5/R6=n, R2=R7=n-R1. При этом достигается приблизительное совпадение частот перегиба АЧХ в области ее подъема и спада (в общем случае они различны), что обеспечивает относительно симметричное регулирование АЧХ (спад даже в этом случае неизбежно получается более крутым и протяженным). При обычно используемом п=10 (для этого случая указаны минимальные значения номиналов элементов на рис. 1,а-3,а) и выборе частот раздела вблизи 1 кГц регулирование тембра на частотах 100 Гц и 10 кГц относительно частоты 1 кГц составляет ±14...18дБ. Как отмечалось выше, для достижения плавного регулирования переменные резисторы R2, R7 должны иметь экспоненциальную характеристику регулирования (группа "В") и, кроме того, для получения линейной АЧХ в среднем положении движков регуляторов соотношение сопротивлений верхнего и нижнего (по схеме) участков переменных резисторов также должно быть равно п. При "хайэндовском" п=2...3, что соответствует диапазону регулирования ±4...8 дБ, вполне допустимо использовать переменные резисторы с линейной зависимостью сопротивления от угла поворота движка (группа "А"), но при этом несколько огрубляется регулировка в области спада АЧХ и растягивается в области подъема, а плоская АЧХ получается отнюдь не в среднем положении движков регуляторов. С другой стороны, сопротивление секций сдвоенных переменных резисторов с линейной зависимостью лучше согласовано, что уменьшает рассогласование АЧХ каналов стереофонического усилителя, так что неравномерное регулирование в этом случае можно считать допустимым.
Наличие резистора R4 не принципиально, его назначение - снизить взаимное влияние звеньев и сблизить частоты перегиба АЧХ в области высших звуковых частот. Как правило, R4 = (0,3...1,2)'R1. Как показано ниже, от него в ряде случаев можно вообще отказаться. Для снижения влияния на регулятор предшествующих и последующих каскадов их выходное Rвых и входное Rвх сопротивления должны быть соответственно Rвых<>R2.
 Приведенный "базовый" вариант регулятора применяется обычно в радиоаппаратуре высокого класса. В бытовой аппаратуре используют несколько упрощенный вариант (рис. 2,а). Аппроксимированные логарифмические амплитудно-частотные характеристики (ЛАЧХ) такого регулятора приведены на рис. 2,6. Упрощение его высокочастотного звена привело к некоторой расплывчатости регулирования в области высших частот и к более заметному влиянию предшествующего и последующего каскадов на АЧХ в этой области.
Подобный корректор при п=2 (с переменными резисторами группы "А") был особенно популярен в простых любительских усилителях [2] конца 60-х - начала 70-х годов (главным образом, из-за малого затухания), но вскоре величина п возросла до привычных сегодня значении. Все сказанное выше относительно диапазона регулирования, согласования и выбора регуляторов справедливо и для упрощенного варианта корректора.

Если отказаться от требования симметричного регулирования АЧХ на участках их подъема и спада (кстати, необходимость спада практически не возникает), то можно еще более упростить схему (рис. 3,а). Приведенные на рис. З.б ЛАЧХ регулятора соответствуют крайним положениям движков резисторов R2, R4. Достоинство такого регулятора - простота, но поскольку все его характеристики взаимосвязаны, для удобства регулирования целесообразно выбирать п=3...10. С ростом п крутизна подъема растет, а спада - снижается. Все сказанное выше о традиционных вариантах корректора Баксандала в полной мере относится и к этому, предельно упрощенному варианту.
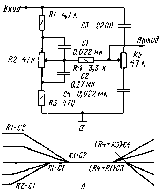
Однако схема регулятора тембра Баксандала и ее варианты - отнюдь не единственная возможная реализация пассивного двухполосного регулятора тембра. Вторая группа регуляторов выполнена не на базе мостов, а на базе частотно-зависимого делителя напряжения. В качестве примера изящного схемотехнического решения регулятора можно привести темброблок, в свое время использовавшийся в различных вариациях в ламповых усилителях электрогитар. "Изюминкой" данного регулятора является изменение частот перегиба АЧХ в процессе регулирования тембра, что приводит к интересным эффектам в звучании "классической" электрогитары. Базовая его схема изображена на рис. 4,а, а аппроксимированные ЛАЧХ - на рис. 4,6. Там же приведены расчетные зависимости для определения постоянных времени точек перегиба.
Нетрудно заметить, что регулировка в области низших звуковых частот изменяет частоты перегиба, не меняя наклон АЧХ. Когда движок переменного резистора R4 находится в нижнем (по схеме) положении, АЧХ на низших частотах линейна. При перемещении же движка вверх на ней появляется подъем, причем точка перегиба в процессе регулирования сдвигается в область более низких частот. При дальнейшем перемещении движка верхняя (по схеме) секция резистора R4 начинает шунтировать резистор R2, что вызывает сдвиг высокочастотной точки перегиба в область более высоких частот. Таким образом, при регулировании подъем низких частот дополняется спадом средних. Регулятор высших звуковых частот представляет собой простейший фильтр первого порядка и особенностей не имеет.
На базе этой схемы можно построить несколько вариантов темброблоков, позволяющих регулировать АЧХ в области низших и высших частот. Причем в области низших частот возможен и подъем, и спад АЧХ, а на высших - только подъем.
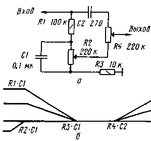
 Вариант темброблока с регулированием частоты перегиба АЧХ в низкочастотной области показан на рис. 5,а, его ЛАЧХ - на рис. 5,6. Резистор R2 регулирует частоту перегиба АЧХ, a R5 - ее наклон. Совместное действие регуляторов позволяет получить значительные пределы и большую гибкость регулирования.
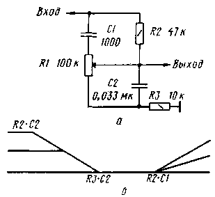
 Схема упрощенного варианта темброблока приведена на рис. 6,а, его ЛАЧХ - на рис. 6,6. Он представляет собой, в сущности, гибрид низкочастотного звена темброблока, показанного на рис. 3,а, и высокочастотного звена темброблока, показанного на рис.4,а.
 Объединив функции регулирования АЧХ в низкочастотной и высокочастотной областях, можно получить простой комбинированный регулятор тембра с одним органом управления, весьма удобный для применения в радиоприемной и автомобильной аппаратуре. Его принципиальная схема показана на рис. 7,а и ЛАЧХ - на рис. 7,6. В нижнем (по схеме) положении движка переменного резистора R1 АЧХ близка к линейной во всем диапазоне частот. При перемещении .его вверх появляется подъем на низших частотах, причем низкочастотная точка перегиба в процессе регулирования сдвигается в область более низших частот. При дальнейшем перемещении движка верхняя (по схеме) секция резистора R1 включает в работу конденсатор С1, что приводит к подъему высших частот.

При замене переменного резистора R1 переключателем (рис. 8,а и 8,6) рассмотренный регулятор превращается в простейший тон-регистр (положение 1 - classic; 2 - jazz; 3 - rock), популярный в 50-х - 60-х годах и вновь используемый в эквалайзерах магнитол и музыкальных центров в 90-х.
Несмотря на то что о регулировании тембра, казалось бы, все давно уже сказано, многообразие пассивных корректирующих цепей не исчерпывается предложенными вариантами. Немало забытых схемотехнических решений переживают сейчас второе рождение на новом качественном уровне. Весьма перспективен, например, регулятор громкости с раздельной регулировкой тонкомпенсации по низким и высоким частотам [З].
ЛИТЕРАТУРА
1. Шкритек П. Справочное руководство по звуковой схемотехнике (пер. с нем.). - М.: Мир, 1991, с. 151-153.
2. Крылов Г. Широкополосный УНЧ. - Радио, 1973, N 9, c.56,57.
3. Шихатов А. Комбинированный блок регулирования АЧХ. - Радио, 1993, N 7, с. 16.
А. ШИХАТОВ г. Москва Радио №1, 1999
Источник: shems.h1.ru
|