LAB599.RU — интернет-магазин средств связи
EN FR DE CN JP

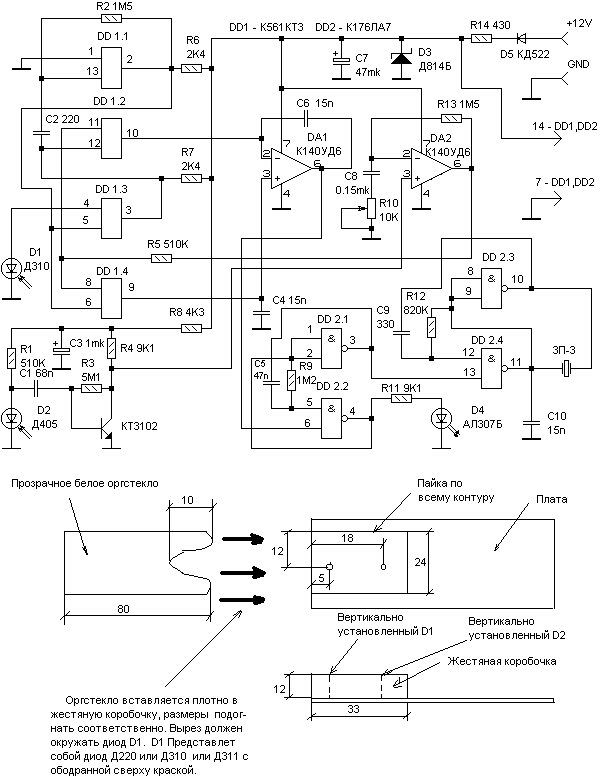
Антирадар




Антирадар

 Антирадар - схема
Источник: shems.h1.ru

Партнеры