Что-то не так?
Пожалуйста, отключите Adblock.
Портал QRZ.RU существует только за счет рекламы, поэтому мы были бы Вам благодарны если Вы внесете сайт в список исключений. Мы стараемся размещать только релевантную рекламу, которая будет интересна не только рекламодателям, но и нашим читателям. Отключив Adblock, вы поможете не только нам, но и себе. Спасибо.
Как добавить наш сайт в исключения AdBlockРеклама
Датчик колебаний кузова автомобиля
|
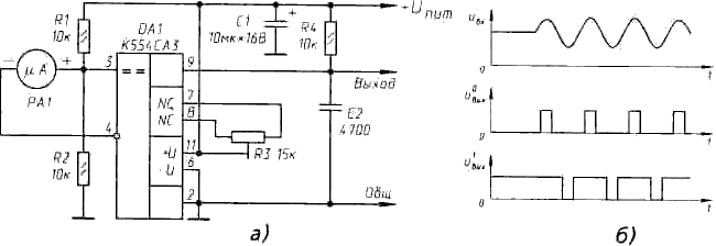
Автомобильная охранная система редко обходится без датчика колебаний кузова. Принципиальная схема одного из них показана на рис. 1, а. Здесь РА1 - микроамперметр М476/1 с утяжеленной стрелкой - чувствительный элемент датчика: при колебаниях стрелки на рамке прибора, перемещающейся в магнитном поле, возникает электрическое напряжение. Корпус микроамперметра вскрывают по склейке острым лезвием. На конец стрелки надевают и аккуратно обжимают плоскогубцами небольшой груз - отрезок трубчатого припоя длиной 3...5 мм и диаметром 3 мм. На концы шкалы наклеивают демпферы-ограничители - кубики 5х5х5 мм, вырезанные из поролона. Проделав все это, склейку восстанавливают и микроамперметр готов к работе в новом своем качестве.
В автомобиле микроамперметр-датчик. крепят так, чтобы ось качания стрелки была расположена вдоль автомобиля, ее утяжеленный конец «смотрел» вниз. Для усиления сигнала, снимаемого с рамки микроамперметра и приведения его к цифровому стандарту, служит аналого-цифровой компаратор DA1. Пороговое напряжение на нем выставляют резистором R3. Это делается для того, чтобы исключить реакцию датчика на малые колебания кузова, не имеющие криминальной первопричины. В зависимости от положения движка резистора R3 относительно точки максимальной чувствительности датчика компаратор будет реагировать на входной сигнал по-разному (см. осциллограммы U0вых и U1вых на рис. 1, б). Ток, потребляемый датчиком при +Uпит=5 В, не превышает 1,5 мА. По энергоэкономичности предпочтительнее режим, соответствующий осциллограмме U1вых. Тимофеев С. |