LAB599.RU — интернет-магазин средств связи
EN FR DE CN JP

Коммутатор нагрузки в автомобиле




Коммутатор нагрузки в автомобиле

  На практике довольно часто - встречаются случаи, когда некоторые виды электрической нагрузки (например, лампы накаливания в устройствах световой сигнализации) необходимо эксплуатировать в импульсном режиме, поскольку он не только экономичнее, но часто и эффективнее (мигающая лампа в большей степени привлекает внимание). Сейчас многие автомобилисты хотят установить на машину дополнительные стоп-сигнальные фонари, работающие в импульсном режиме. Как показывает практика, такие фонари повышают безопасность движения. Промышленность и производственные кооперативы быстро откликнулись на удовлетворение спроса в соответствующих фонарях, а вопрос о коммутаторах для них пока остался нерешенным. И тут уж в дело идет все — от термоэлектрических прерывателей до светодинамических установок. Трудно судить, какому именно коммутатору иной автомобилист отдал бы предпочтение. Ясно одно — долговечность, надежность, экономичность могут обеспечить только электронные устройства.

 Коммутатор нагрузки в автомобиле

  В журнале «Радио» неоднократно были опубликованы описания электронных коммутаторов различной степени сложности и назначения. Но у них всех есть одна общая черта, скорее — недостаток. Он заключается в том, что коммутатор с нагрузкой подключены к источнику питания параллельно, из-за чего общее число проводников в цепях питания коммутатора и нагрузки — не менее трех. Сказанное поясняет функциональная схема на рис. 1, а. Здесь SF1 — выключатель питания (для случая стоп-сигнальных фонарей механически связанный с педалью тормоза); Rн — нагрузка (лампы накаливания); Iк — ток коммутатора; Iн — ток нагрузки. Недостаток такого устройства очевиден. Намного более удобна последовательная схема соединения нагрузки и коммутатора, показанная на рис. 1, б. Во-первых, она обеспечивает минимум соединительных проводов. Во-вторых, если условиться, что коммутирующими элементами в обоих случаях служат ключи с одинаковыми параметрами, то при прочих равных условиях (Uпит, Rн) ток пот -ребляемый устройством по схеме рис. 1, б, меньше, чем по схеме рис. 1, а, на Iк. Именно такой коммутатор и описан ниже.

  Представьте себе, что вы приобрели дополнительные фонари стоп-сигналов, соединили их параллельно и установили, как обычно, у заднего стекла в салоне автомобиля. Один из выводов фонарей соединили с корпусом непосредственно в салоне, чтобы не тянуть длинный провод, а другой — провели в багажник и подключили параллельно одной из ламп основного стоп-сигнала. При нажатии на педаль тормоза вместе с основными включаются дополнительные фонари. Следующий этап совершенствования вновь установленной системы — перевод ее работы в режим мигания с низкой частотой при нажатии на педаль тормоза. В случае реализации этого режима по схеме на рис. 1, б достаточно описываемый коммутатор включить в разрыв провода от дополнительных фонарей к корпусу.

Основные технические характеристики Напряжение питания, В 5...30 Максимальный коммутируемый ток, А 10 Частота коммутации при мощности нагрузки 2х5 Вт, Гц 1 Скважность импульсов при нагрузке 2x5 Вт 1,9

 Коммутатор нагрузки в автомобиле

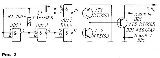
  Принципиальная схема коммутатора показана на рис. 2. Он состоит из мультивибратора на двух логических элементах DD1.1, DD1.2, буферного формирователя на элементах DD1.3, DD1.4 и электронного ключа на сложном составном транзисторе VT1VT2VT3. Отличительная особенность коммутатора от ближайших прототипов — в способе подачи на микросхему питающего напряжения. Принцип работы коммутатора основан на использовании свойств микросхем структуры КМОП — чрезвычайно высокого входного (до нескольких тысяч мегаом) и относительно большого выходного (до одного килоома) сопротивления, ничтожного потребления тока (от 0,1 до 100 мкА) в статическом режиме при значительном (до 10 мА) выходном токе и, наконец, работоспособности в широком интервале питающего напряжения—2,4...30 В [I].

 Коммутатор нагрузки в автомобиле   В общем случае, когда плюсовой вывод питания микросхемы подключен непосредственно к источнику постоянного напряжения, работа генератора несколько различна в случаях применения микросхем серий 164, К 176 и К561. Длительность выходных импульсов и период колебаний находятся в зависимости не только от произведения номиналов времяза-дающей цепи (R1C1), но и от числа ограничительных (защитных) диодов во входных цепях элементов микросхем. Так, если в генераторе использованы элементы с одним диодом, время зарядки конденсатора С1 через резистор R1 до порогового напряжения равно 0,7R1C1, а разрядки — 1,1 R1C1. Период колебаний будет равен T==1,8R1C1 с. Если же в элементах по два диода, значения времени зарядки и разрядки равны, период равен Т= 1,4R1C1 с [2].

  На рис. 3 представлены временные диаграммы, иллюстрирующие работу описываемого коммутатора. Видно, что диаграмма напряжения на левой по схеме обкладке конденсатора С1 (по сравнению с аналогичной диаграммой в [2] на рис. 10, б) имеет характерную особенность: переключение элемента DD1.1 по выходу в состояние 1 происходит при пороговом напряжении Uпoр2' значительно меньшем, чем Uпор. Объясняется это тем, что в течение времени t2=t3—t2 напряжение питания микросхемы равно падению напряжения на открытом транзисторе VT3 (см. рис. 2). А поскольку оно значительно меньше Uпит, то и переключение элементов в этот промежуток времени происходит при значительно меньшем пороговом напряжении.

Rн, Ом Uкэз.В Uпop1. В Uпор2. В t1, МС t2, МС f, Гц
1 4,2 4,2 1,74 1,4 0,95 425
1.6 3,9 4,2 1,5 1,4 0,96 423
5 3 4,2 1,2 1,4 1,24 378
10 2,7 4,2 1,1 1,4 1,4 357
50 2,44 4,2 0,9 1,4 5 156
100 2,43 4,2 0,6 1,4 9,2 94
500 2,42 4,2 0,3 1,4 22.5 42

 

  В таблице представлены основные параметры коммутатора, снятые при постоянном напряжении источника питания Uпит=12 В. Для удобства снятия параметров значение R1C1 было взято в пятьсот раз меньше указанного на принципиальной схеме (т. е. измерения проводили на более высокой частоте, чем рабочая частота коммутатора). Из полученных результатов следует, что при Uпит=const параметры устройства зависят в основном от сопротивления коммутируемой нагрузки (при прочих равных условиях они будут несколько отличаться от указанных в таблице в случае использования других типов мощных транзисторов и микросхем). Кроме того, нижний предел напряжения питания (2,4 В), при котором еще сохраняется переключающая способность элементов структуры КМОП, делает заметным превышение напряжения на открытом транзисторе VT3 от напряжения насыщения этого транзистора. Однако это вряд ли можно считать препятствием для использования коммутатора с такими нагрузками, как устройства световой сигнализации — дополнительных стоп-сигналь-ных фонарей, указателя поворотов и т. п. Скорее наоборот, поскольку напряжение бортовой сети автомобиля при работающем двигателе, как правило, равно 14 В, т. е. больше номинального. Вполне достаточная яркость свечения ламп выгодно сочетается с более мягким режимом накала из-за падения напряжения на коммутаторе. Зависимость времени зарядки конденсатора С1 от напряжения источника питания менее заметна, чем от сопротивления нагрузки. Так, при R„= 1,6 Ом и изменении Uпит от 14 до 5 В время коммутации нагрузки увеличивается менее чем на 10 %. Примерно на столько же уменьшается частота коммутации.

  Резистор коммутатора — ВС, МЛТ, ОМЛТ или УЛМ. Конденсатор лучше использовать КМ-6, однако подойдут и К53-1, К50-3, К50-12 и др. Номиналы резистора и конденсатора могут отличаться от указанных на схеме. Важно лишь, чтобы параметры времязадающей цепи удовлетворяли необходимому ритму коммутации. Транзисторы КТ315 могут быть любыми из этой серии; возможна их замена на один транзистор КТ3142А (в этом случае выходы буферного формирователя необходимо объединить). Транзистор КТ818Б — также любой из этой серии. Вместо К561ЛА7 можно использовать микросхемы К561ЛЕ5, 564ЛА7 или 564ЛЕ5. Возможность использования аналогичных микросхем серии К 176 или 164 должна быть экспериментально проверена, поскольку в устройстве безусловно, применимы лишь микросхемы с элементами, оснащенными двумя защитными диодами (так как только они работают в указанных пределах питающего напряжения).

  Конструктивно коммутатор выполнен в виде герметичного блока (рис. 4). Из листового металла с хорошей теплопроводностью (медь, алюминиевый сплав, латунь) вырезают прямоугольную пластину-основание размерами 50Х20Х4 мм. Толщину пластины выбирают из соображений обеспечения необходимой жесткости констукции. К пластине винтом или заклепкой крепят мощный транзистор VT3, после чего к его выводам припаивают остальные детали. Микросхему на пластину кладут выводами вверх (рис. 5).

 Коммутатор нагрузки в автомобиле    Коммутатор нагрузки в автомобиле

  Затем из плотной бумаги склеивают прямоугольную форму, которую отогнутыми краями приклеивают к пластине так, чтобы детали оказались внутри формы. Высота стенок формы должна быть на 1,5...2 мм больше высоты смонтированного узла. К эмиттеру мощного транзистора припаивают гибкий вывод длиной 15...20 см из многожильного провода сечением 1 мм2. Вывод пропускают через отверстие, предварительно проткнутое шилом в стенке формы в соответствующем месте. Вторым выводом служит пластина-основание. В форму заливают эпоксидный клей и, слегка наклоняя пластину, дают возможность всплыть пузырькам воздуха. После затвердевания смолы блок обтачивают напильником с трех сторон.

  ЛИТЕРАТУРА
1. Алексеев С. Применение микросхем серии К176.—Радио, 1984, № 4, с. 25—28.
2. Алексеев С. Формирователи и генераторы на микросхемах структуры КМОП.—Радио, 1985, № 8, с. 31—35.

А. КОЖУРОВ
г. Гродно
Радио №7, 1991

Источник: shems.h1.ru

Партнеры