Что-то не так?
Пожалуйста, отключите Adblock.
Портал QRZ.RU существует только за счет рекламы, поэтому мы были бы Вам благодарны если Вы внесете сайт в список исключений. Мы стараемся размещать только релевантную рекламу, которая будет интересна не только рекламодателям, но и нашим читателям. Отключив Adblock, вы поможете не только нам, но и себе. Спасибо.
Как добавить наш сайт в исключения AdBlockРеклама
Изменяем тональность сигналов автомобиля
|
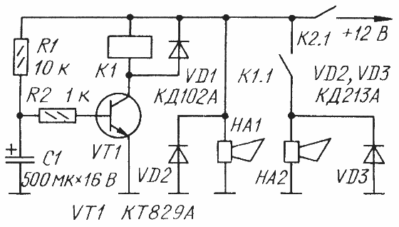
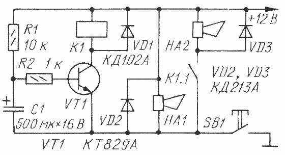
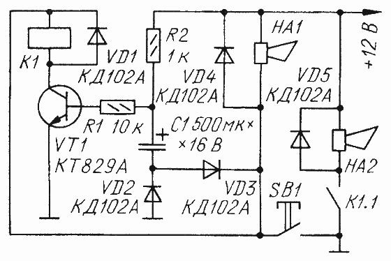
Чтобы звуковой сигнал автомобиля был различимее в условиях городского шума, его делают двуголосным, т.е. оба клаксона звучат одновременно. При этом звуковысотное соотношение тонов обычно устанавливают близким к малой терции, которая, являясь основой минорного аккорда(трезвучия), вызывает у человека ощущение тревоги. Один из тонов называют (разумеется, условно) высоким, а второй - низким. Так, клаксон С-308 низкого тона излучает звуковые колебания частотой 415 Гц, в то время как клаксон С-309 высокого тона - 495 Гц. Резко контрастирует автомобильный сигнал на фоне ему подобных при поочередном звучании клаксонов. Именно так звучит сигнал некоторых спецмашин, поэтому использовать его на индивидуальных автомобилях и общегородском автотранспорте запрещено правилами дорожного движения. Но есть и другой путь - достаточно лишь на короткое время задерживать включение сигнала низкого тона относительно сигнала высокого, и различимость звучания в целом заметно улучшится. Для реализации задержки включения нужно ввести в цепь сигнала низкого тона автомобиля реле времени. После окончания времени выдержки реле (оно не должно превышать секунды) оба клаксона, как и обычно, звучат одновременно. Разница в работе клаксонов незначительна, но зато различимость их звучания (или, как говорят специалисты, полетность, т.е. легкость слухового обнаружения звучания даже при знанительном уровне шума) существенно выше. Следует заметить, что в первое время после переделки "голос" машины кажется чужим и даже неприятным, но очень скоро становится привычным и легко различимым среди подобных. Это важно, в первую очередь, в тех случаях, когда машина, оснащенная автосторожем, стоит на неохраняемой стоянке, где одновременно находится много автомобилей. Необходимо быстро и уверенно определить, не ваша ли машина подает сигнал тревоги. Такой необычный звук к тому же лучше воспринимают пешеходы и другие участники движения. ![]() Рис.1 ![]() Рис.2 ![]() Рис.3 ![]() Рис.4 Реализовать реле времени можно по-разному. На рис. 1 показана схема одного из возможных его вариантов. Реле собрано на транзисторе VT1. Требуемую временную задержку обеспечивает цепь R1C1. Здесь НА1 - клаксон высокого тона, а НА2 - низкого; оба входят в состав системы электрооборудования автомобиля. Клаксон НА1 включает контактная группа К2.1 реле сигналов автомобиля (обмотка этого реле на рис. 1 не показана), а НА2 - контактная группа К1.1 дополнительного реле К1. Диоды VD1, VD2, VD3 служат для подавления импульсов напряжения самоиндукции, возникающих на обмотках реле К1 и клаксонов НА1, НА2. Когда устройство обесточено (контакты К2.1 разомкнуты), клаксоны выключены, конденсатор С1 разряжен. После срабатывания реле сигналов и замыкания контактов К2.1 немедленно включается клаксон НА1 высокого тона. Одновременно начинается зарядка конденсатора С1 через резистор R1. Когда он зарядится настолько, что откроется транзистор VT1 и сработает реле К1, контакты К1.1 включат клаксон НА2 низкого тона. Задержка его включения зависит от параметров цепи R1C1. При указанных на схеме типономиналах деталей она близка к 1 с. Далее оба клаксона НА1, НА2 звучат одновременно. После размыкания контактов К2.1 оба клаксона выключатся и конденсатор С1 очень быстро разрядится через резистор R2 и эмиттерный переход транзистора VT1 - устройство снова готово к работе. Если нажатие на кнопку подачи звукового сигнала (на руле автомобиля) будет кратковременным (менее 1 с), сработает лишь клаксон НА1, а НА2 включиться не успеет. Ясно, что такой режим ручной подачи сигнала способствует уменьшению общего городского шума. Описанное реле времени легко смонтировать на современном автомобиле с двумя клаксонами (например, на "Москвиче" АЗЛК-2141), у которого, как правило, они включаются контактами специального реле сигналов. Клаксон такой машины имеет всего один - плюсовой - зажим, минусовым выводом служит корпус клаксона. На автомобилях старых моделей, например, ВАЗ-2101, для управления клаксонами не использовали промежуточного реле, а сами они были подключены на автомобиле по распространенной прежде двупроводной схеме. При этом каждый клаксон обычно имел два зажима, один из которых был постоянно соединен с плюсовым проводом бортовой сети. Для таких машин более подходит схема, представленная на рис. 2. По принципу работы это реле ничем не отличается от предыдущего. Укажем лишь, что здесь SB1-контакты рулевой кнопки звукового сигнала. В журнале "За рулем", 1993, N" 7, с. 38, 39 в моей статье "Голос узнаете сразу" были описаны устройства, позволяющие имитировать звук старинного клаксона с резиновой грушей (когда на грушу нажимали, раздавался звук сравнительно высокого тона, а когда отпускали -низкого). Они собраны на электромагнитных и тепловых реле, поэтому довольно сложны, а надежность работы невысока. Ниже описаны два электронных аналога этих устройств. Несмотря на то, что в их составе также присутствует одно электромагнитное реле, они проще в реализации и работают лучше. При нажатии на сигнальную кнопку будет звучать клаксон высокого тона, а после ее отпускания кратковременно прозвучит клаксон низкого тона. Схема такого устройства применительно к современному автомобилю показана на рис. 3. Здесь диоды VD1, VD4, VD5 служат для подавления высоковольтных импульсов самоиндукции на обмотках реле К1 и клаксонов НА1, НА2. При замыкании контактов К2.1 реле сигналов звучит клаксон НА1 и заряжается конденсатор С1 через резистор R2 и диод VD2. Транзистор VT1 в это время закрыт, так как закрыт диод VD3. Реле К1 обесточено, клаксон НА2 выключен. После размыкания контактов К2.1 выключается клаксон НА1, открывается диод VD3 и конденсатор С1 разряжается через резистор R1, эмиттерный переход транзистора VT1, диод VD3 и обмотку клаксона НА1. При этом транзистор открывается, срабатывает реле К1 и контактами К1.1 включает клаксон НА2. После разрядки конденсатора (примерно через секунду) транзистор закрывается, реле К1 отпускает якорь, выключая клаксон НА2. Устройство снова готово к работе. Если на автомобиле нет реле сигналов и клаксоны включаются непосредственно контактами сигнальной кнопки на руле, то устройство следует собирать по схеме на рис. 4. В нем диоды VD1, VD4, VD5 - защитные, а VD2 и VD3, как и в предыдущем устройстве, коммутируют цепи зарядки и разрядки конденсатора С1. По порядку работы устройство тоже практически не отличается от предыдущего. В заключение несколько замечаний, общих для всех описанных в этой статье устройств. Реле времени везде настроено на выдержку приблизительно 1 с. Если необходимо это время продлить, нужно пропорционально увеличить сопротивление резистора R1, и наоборот. Транзистор КТ829А можно заменить любым из этой серии; годятся также транзисторы КТ972А и КТ972Б. Если же приобрести указанные составные транзисторы не удалось, можно использовать составленные, например, из транзисторов серий КТ801 или КТ807 и КТ815 или КТ817 (желательно выбирать наиболее высоковольтные по напряжению коллектор-эмиттер). Во всех устройствах лучше всего использовать малогабаритные реле 111.3747, 112.3747, 113.3747, 113.3747-10, 114.3747-10, 114.3747-11, 116.3747-10,116.3747-11,117.3747-10 или 117.3747-11, рассчитанные на номинальное напряжение 12 В (см. статью В. Банникова "Малогабаритные автомобильные электромагнитные реле в "Радио", 1994, №9, с. 42 и №10, с. 41). Диоды КД102А можно заменить на КД102Б, КД510А или любые из серий КД103, КД109, КД226. Вместо КД213А подойдут КД213Б или КД202 с буквенными индексами В, Д, Ж, К, М, Р. С диодами из серии КД202 габариты устройства придется несколько увеличить. Если пойти на еще большее увеличение размеров, то вместо КД213А можно использовать диоды серий КД204, Д242, Д305. В силу кратковременности работы устройств каких-либо теплоотводов для диодов или транзисторов не требуется. При любом отказе устройства для возврата к стандартному варианту питания клаксонов достаточно замкнуть перемычкой контактную группу К1.1. В. БАННИКОВ |



