Что-то не так?
Пожалуйста, отключите Adblock.
Портал QRZ.RU существует только за счет рекламы, поэтому мы были бы Вам благодарны если Вы внесете сайт в список исключений. Мы стараемся размещать только релевантную рекламу, которая будет интересна не только рекламодателям, но и нашим читателям. Отключив Adblock, вы поможете не только нам, но и себе. Спасибо.
Как добавить наш сайт в исключения AdBlockРеклама
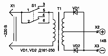
Пусковое устройство
|
Применение пускового устройства будет особенно полезно автолюбителям, занимающимся эксплуатацией автомобиля в зимнее время года, так как оно продлевает срок службы аккумулятора, а также позволяет без проблем заводить холодный автомобиль зимой, даже при не полностью заряженном аккумуляторе. Из опыта известно, что при минусовой температуре аккумулятор снижает свою отдачу на 25...40%. А если он еще не полностью заряжен, то не сможет обеспечить требуемый для пуска двигателя начальный ток 200 А. Этот ток потребляет стартер в начальный момент раскрутки вала двигателя (номинальный ток потребления стартером около 80 А, но в момент пуска он значительно больше). Простейшие расчеты показывают, что, для того чтобы пусковое устройство эффективно работало при подключении его параллельно с аккумулятором, оно должно обеспечивать ток не менее 100 А при напряжении 10...14 В. При этом номинальная мощность используемого сетевого трансформатора Т1 должна быть не менее 800 Вт. Как известно, номинальная рабочая мощность трансформатора зависит от площади сечения магнитопровода (железа) в месте расположения обмоток.
Перед намоткой обмоток необходимо закруглить напильником острые края на гранях магнитопровода, после чего его обматываем лакотканью или стеклотканью. Первичная обмотка трансформатора содержит примерно 260...290 витков провода ПЭВ-2 диаметром 1,5...2,0 мм (провод может быть любого типа с лаковой изоляцией). Намотка распределяется равномерно в три слоя, с межслойной изоляцией. После выполнения первичной обмотки, трансформатор необходимо включить в сеть и замерить ток холостого хода. Он должен составлять 200...380 мА. При этом будут оптимальные условия трансформации мощности во вторичную цепь. Если ток будет меньше, часть витков надо отмотать, если больше — домотать до получения указанной величины. При этом следует учитывать, что зависимость между индуктивным сопротивлением (а значит и током в первичной обмотке) и числом витков является квадратичной — даже незначительное изменение числа витков будет приводить к существенному изменению тока первичной обмотки. При работе трансформатора в режиме холостого хода не должно быть нагрева. Нагрев обмотки говорит о наличии межвитковых замыканий или же продавливании и замыкании части обмотки через магнитопровод. В этом случае намотку придется выполнять заново. Вторичная обмотка наматывается изолированным многожильным медным проводом сечением не менее 6 кв. мм (например типа ПВКВ с резиновой изоляцией) и содержит две обмотки по 15... 18 витков. Наматываются вторичные обмотки одновременно (двумя проводами), что позволяет легко получить их симметричность — одинаковые напряжения в обоих обмотках, которое должно находиться в интервале 12...13,8 В при номинальном сетевом напряжении 220 В. Измерять напряжение во вторичной обмотке лучше на временно подключенном к клеммам Х2, ХЗ нагрузочном резисторе сопротивлением 5...10 Ом. Показанное на схеме соединение выпрямительных диодов позволяет использовать металлические элементы корпуса пускового устройства не только для крепления диодов, но и в качестве теплоотвода без диэлектрических прокладок ("плюс" диода соединен с крепежной гайкой). Для подключения пускового устройства параллельно аккумулятору,
соединительные провода должны быть изолированными и многожильными (лучше,
если медные), с сечением не менее 10 кв. мм (не путать с диаметром). На
концах провода, после облуживания, припаиваются соединительные
наконечники. Контакты включателя S1 должны быть рассчитаны на ток не менее 5 А,
например типа ТЗ.
|
Сама схема пускового устройства довольно проста, но требует правильного
изготовления сетевого трансформатора. Для него удобно использовать
тороидальное железо от любого ЛАТРА — при этом получаются минимальные
габариты и вес устройства. Периметр сечения железа может быть от 230 до
280 мм (у разных типов автотрансформаторов он отличается).