Что-то не так?
Пожалуйста, отключите Adblock.
Портал QRZ.RU существует только за счет рекламы, поэтому мы были бы Вам благодарны если Вы внесете сайт в список исключений. Мы стараемся размещать только релевантную рекламу, которая будет интересна не только рекламодателям, но и нашим читателям. Отключив Adblock, вы поможете не только нам, но и себе. Спасибо.
Как добавить наш сайт в исключения AdBlockРеклама
СТАБИЛИЗАЦИЯ Uвых КОНДЕНСАТОРНОГО ВЫПРЯМИТЕЛЯ
|
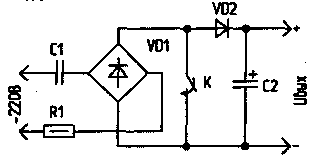
Судя по последним публикациям [1...5], интерес радиолюбителей к маломощным бестрансформаторным выпрямителям с гасящим конденсатором не ослабевает. Действительно, при мощностях нагрузки в доли и единицы ватт они более эффективны, чем устройства с сетевым трансформатором или с высокочастотным преобразователем. Недостатком опубликованных конструкций конденсаторных выпрямителей является резкая зависимость их выходного напряжения от наличия или отключения нагрузки и ее величины. Эту зависимость обычно устраняют, включив на выход выпрямителя стабилитрон, который одновременно является как стабилизатором напряжения, так и нежелательным нагрузочным балластом, т.к. потребляет ток, соизмеримый с током нагрузки. На нем бесполезно рассеивается заметная мощность, и его приходится ставить на радиатор. В [2] для него потребовался радиатор площадью 25см2. Радиатор увеличивает габариты и вес выпрямительного устройства, что является вторым недостатком. В [4] автор частично решил первую проблему за счет применения во входной цепи не одного, а двух сетевых конденсаторов, включенных в виде конденсаторного делителя. Это привело к увеличению величины емкости гасящих конденсаторов и, соответственно, габаритов и веса. Кроме того, увеличилась доля реактивного тока в сети, что также нежелательно. Предлагаю бестрансформаторный конденсаторный выпрямитель с автостабилизацией выходного напряжения во всех возможных режимах работы (от холостого хода до номинальной нагрузки), лишенный перечисленных недостатков. Это достигнуто за счет кардинального изменения принципа формирования выходного напряжения - не за счет падения напряжения от импульсов тока выпрямленных полуволн сетевого напряжения на сопротивлении стабилитрона, как в описанных устройствах (рис.1), а за счет изменения времени подключения диодного моста к накопительному конденсатору С2 (рис.2). ![]() Puc.1 ![]() Puc.2 В описанных устройствах это время постоянно и равно полному периоду сетевого напряжения. Если же выход моста закорачивать ключом К на часть длительности полупериода сети, а в оставшуюся часть полупериода ключ К размыкать, и заряжать в это время выходным током моста конденсатор С2, то напряжение на нем будет зависеть от доли этой оставшейся части по отношению ко всему полупериоду сети. И если, как при ШИМ, автоматически менять время открытого состояния ключа в зависимости от напряжения на С2, можно получить автостабилизацию выходного напряжения конденсаторного выпрямителя. Схема стабилизированного конденсаторного выпрямителя приведена на рис.3. Параллельно выходу диодного моста включен транзистор VT1, работающий в ключевом режиме (ключ К на рис.2) ![]() Puc.3 . База ключевого транзистора VT1 через пороговый элемент (стабилитрон VD3) соединена с накопительным конденсатором С2, отделенным по постоянному току от выхода моста диодом VD2 для исключения быстрого разряда при открытом VT1. Пока напряжение на С2 меньше напряжения стабилизации VD3, выпрямитель работает известным образом. При увеличении напряжения на С2 и открывании VD3 транзистор VT1 также отрывается и шунтирует выход выпрямительного моста. Вследствие этого напряжение на выходе моста скачкообразно уменьшается практически до нуля, что приводит к уменьшению напряжения на С2 и последующему выключению стабилитрона и ключевого транзистора. Далее напряжение на конденсаторе С2 снова увеличивается до момента включения стабилитрона и.транзистора и т.д. Эти процессы обеспечивают автоматическую стабилизацию выходного напряжения. В режиме холостого хода выпрямителя ключевой транзистор VT1 открыт большую часть полупериода сетевого напряжения, и на накопительный конденсатор С2 поступают узкие импульсы тока с большой паузой (рис.4а). При подключении нагрузки длительность открытого состояния транзистора уменьшается (рис.4б). Это приводит к увеличению длительности импульса тока, поступающего через VD2 на С2, и увеличению напряжения на нем, т.е. к поддержанию выходного напряжения на прежнем уровне. Процесс автостабилизации выходного напряжения очень похож на функционирование импульсного стабилизатора напряжения с широтно-импульсным регулированием. Только в предлагаемом устройстве частота следования импульсов равна частоте пульсации напряжения на С2 (в схеме на рис.3 эта частота равна 100 Гц). ![]() Ключевой транзистор VT1 для уменьшения потерь должен быть с большим коэффициентом усиления, например составной КТ972А, КТ829А, КТ827А и др. Стабилизированный выпрямитель, собранный по схеме рис.3, обеспечивает выходное напряжение: - на холостом ходу - 11,68 В; - на нагрузке 290 Ом - 11,6В. Такая небольшая разница выходных напряжений (всего 0,08 В) является подтверждением хорошей стабилизации выходного напряжения и правильности выбора величины емкости гасящего конденсатора С1 для данной нагрузки. С уменьшением его емкости до 0,5 мкФ эта разница достигает 0,16 В. Напряжение пульсации на нагрузке 290 Ом не превышает 40 мВ. Эта величина определяется емкостью сглаживающего конденсатора С2 и чувствительностью базовой цепи VT1. Увеличить выходное напряжение выпрямителя можно применив более высоковольтный стабилитрон или два низковольтных, соединенных последовательно. При двух стабилитронах Д814В и Д814Д и емкости конденсатора С1 2 мкФ выходное напряжение на нагрузке сопротивлением 250 Ом может составлять 23...24 В. Приведенные примеры показывают, как экспериментальным путем подобрать элементы бестрансформаторного конденсаторного выпрямителя на требуемое стабилизированное напряжение при заданной нагрузке. По предложенной методике можно застабилизировать выходное напряжение однополупериодного диодно-конденсаторного выпрямителя, выполненного, например, по схеме рис.5. Для выпрямителя с плюсовым выходным напряжением параллельно диоду VD1 включен п-р-п транзистор КТ972А или КТ829А, управляемый с выхода выпрямителя через стабилитрон VD3. ![]() Puc.5 При достижении на конденсаторе С2 напряжения, соответствующего моменту открывания стабилитрона, транзистор VT1 тоже открывается. В результате амплитуда положительной полуволны напряжения, поступающего на С2 через диод VD2, уменьшается почти до нуля. При уменьшении же напряжения на С2 транзистор VT1, благодаря стабилитрону,закрывается,что приводит к увеличению выходного напряжения. Процесс сопровождается широтно-импульсным регулированием длительности импульсов на входе VD2, аналогично тому как это происходит в выпрямителе по схеме рис.3. Следовательно, напряжение на конденсаторе С2 остается стабилизированным как на холостом ходу, так и под нагрузкой. В выпрямителе с отрицательным выходным напряжением параллельно диоду VD1 нужно включить р-п-р транзистор КТ973А или КТ825А. Выходное стабилизированное напряжение на нагрузке сопротивлением 470 Ом - около 11В, напряжение пульсации - 0,3...0,4 В. В обоих предложенных вариантах бестрансформаторного выпрямителя стабилитрон работает в импульсном режиме при токе в единицы миллиампер, который никак не связан с током нагрузки выпрямителя, с разбросом емкости гасящего конденсатора и колебаниями напряжения сети. Поэтому потери в нем существенно уменьшены, и теплоотвод ему не требуется. Ключевому транзистору радиатор также не требуется. Резисторы R1, R2 на рис.3 и 5 ограничивают входной ток при переходных процессах в момент включения устройства в сеть. Из-за неизбежного "дребезга" контактов сетевых вилки и розетки, процесс включения сопровождается серией кратковременных замыканий и разрывов цепи. При одном из таких замыканий гасящий конденсатор С1 может зарядиться до полного амплитудного значения напряжения сети, т.е. примерно до 300 В. После разрыва и последующего замыкания цепи из-за "дребезга" это и сетевое напряжения могут сложиться и составить в сумме около 600 В. Это наихудший случай, который необходимо учитывать для обеспечения надежной работы устройства. Конкретный пример: максимальный коллекторный ток транзистора КТ972А равен 4 А, поэтому суммарное сопротивление ограничительных резисторов должно составлять 600В/4А=150 Ом. С целью уменьшения потерь сопротивление резистора R1 можно выбрать 51 Ом, а резистора R2 - 100 Ом. Их мощность рассеяния - не менее 0,5 Вт. Допустимый коллекторный ток транзистора КТ827А составляет 20 А, поэтому для него резистор R2 необязателен. Литература: Н.ЦЕСАРУК |




