Что-то не так?
Пожалуйста, отключите Adblock.
Портал QRZ.RU существует только за счет рекламы, поэтому мы были бы Вам благодарны если Вы внесете сайт в список исключений. Мы стараемся размещать только релевантную рекламу, которая будет интересна не только рекламодателям, но и нашим читателям. Отключив Adblock, вы поможете не только нам, но и себе. Спасибо.
Как добавить наш сайт в исключения AdBlockРеклама
Источники питания с конденсаторным делителем напряжения
|
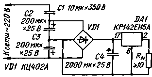
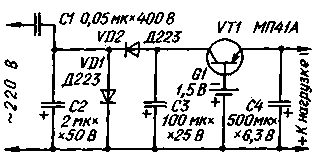
Сетевой источник питания с гасящим конденсатором (рис. 1), по сути, есть делитель напряжения, у которого верхнее плечо - конденсатор, а нижнее представляет собой сложную нелинейную диодно-резисторно-конденсаторную цепь. Этим и определены недостатки (и достоинства, конечно) таких устройств. ![]() Рис. 1 Для того чтобы источник мог работать в широком интервале тока нагрузки с высоким КПД, достаточно входной делитель напряжения выполнить чисто реактивным, например, конденсаторным (рис. 2). Он позволяет дополнительно стабилизировать выходное напряжение источника последовательно включенным компенсационным или импульсным стабилизатором, чего нельзя делать в обычном источнике с гасящим конденсатором. Как показано в статье С. Бирюкова "Расчет сетевого источника питания с гасящим конденсатором" - "Радио", 1997, N 5, с. 48-50, - последовательный стабилизатор можно использовать только при ограничении напряжения на его входе, что опять-таки заметно снижает КПД. ![]() Рис.2 Источник с конденсаторным делителем напряжения целесообразно использовать для совместной работы с импульсными стабилизаторами. Идеально подходит он для устройства, длительно потребляющего малый ток, но требующего в определенный момент резкого его увеличения. Пример - квартирное сторожевое устройство на микросхемах "МОП с исполнительным узлом на реле и звуковом сигнализаторе. Ток, потребляемый конденсаторным делителем, будет иметь фазовый сдвиг в 90 град. относительно напряжения сети, поэтому делитель напряжения на реактивных элементах не требует охлаждения. Исходя из вышесказанного, ток через делитель вроде бы можно выбрать сколь угодно большим. Однако неоправданное увеличение тока делителя приведет к активным потерям в проводах и к увеличению массы и объема устройства. Поэтому целесообразно принять ток через делитель напряжения в пределах 0,5...3 от максимального тока нагрузки. Расчет источника с емкостным делителем несложен. Как следует из ф-лы (2) в упомянутой статье, выходное напряжение Uвых и полный выходной ток (стабилитрона и нагрузки Iвых) источника по схеме 1,а связаны следующим образом: Iвых = 4fC1(2Uc-Uвых). Эта формула пригодна и для расчета источника с конденсаторным делителем, в ней просто надо заменить С1 на суммарную емкость параллельно соединенных конденсаторов С1 и С2, показанных на рис. 2. a Uc - на Uc2x (напряжение на конденсаторе С2 при RH = °°), т. е. Uc2x = = Uc-C1/(C1+C2). Тогда 1вых = 4f(C1+C2)x x[Uc-C1-i/2/(C1+C2)-Unbix] или после очевидных преобразований 1вых = 4f-C1 [Uc^2 --ивых(1+С2/С1)]. Поскольку падение напряжения на диодах моста Uд при малых значениях Квых становится заметным, получим окончательно 1вых = 4f-C1 [Uc^/2- (Цвых + 2Цд) (1 + +С2/С1)]. Из формулы видно, что при Рн=0 (т. е. при Uвых=0) ток Iвых, если пренебречь падением напряжения на диодах, остается таким же, как у источника питания, собранного по схеме 1 ,а. Напряжение же на выходе без нагрузки уменьшается: Uauxx = =Uc-C1^/2/(C1+C2)-2Un. Емкость и рабочее напряжение конденсатора С2 выбирают исходя из необходимого выходного напряжения - соотношение значений емкости С1/С2 обратно пропорционально значениям падающего на С1и С2 напряжения. Например, если С1" =1 мкф, а С2=4 мкФ, то напряжение Uc1 будет равно 4/5 напряжения сети, a Uc2=Uc/5, что при напряжении сети Uc = 220 В соответствует 186 и 44 В. Необходимо учесть, что амплитудное значение напряжения почти в 1,5 раза превышает действующее, и выбрать конденсаторы на соответствующее номинальное напряжение. Несмотря на то, что теоретически конденсаторы в цепи переменного тока мощности не потребляют, реально в них из-за наличия потерь может выделяться некоторое количество тепла. Проверить заранее пригодность конденсатора для использования в источнике можно, просто подключив его к электросети и оценив температуру корпуса через полчаса. Если конденсатор С1 успевает заметно разогреться, его следует счесть непригодным для использования в источнике. Практически не нагреваются специальные конденсаторы для промышленных электроустановок - они рассчитаны на большую реактивную мощность. Такие конденсаторы используют в люминесцентных светильниках, в пускорегулирующих устройствах асинхронных электродвигателей и т. п. ![]() Рис.3 Ниже представлены две практические схемы источников питания с конденсаторным делителем: пятивольтный общего назначения (рис. 3) на ток нагрузки до 0,3 А и источник бесперебойного питания для кварцованных электронно-механических часов (рис. 4). ![]() Рис.4 Делитель напряжения пятивольтного источника состоит из бумажного конденсатора С1 и двух оксидных С2 и СЗ, образующих нижнее по схеме неполярное плечо емкостью 100 мкФ. Поляризующими диодами для оксидной пары служат левые по схеме диоды моста. При номиналах элементов, указанных на схеме, ток замыкания (при Rн=0) равен 600 мА, напряжение на конденсаторе С4 в отсутствие нагрузки - 27 В. Электронно-механические часы обычно питают от одного гальванического элемента напряжением 1,5 В. Предлагаемый источник вырабатывает напряжение 1,4 В при среднем токе нагрузки 1 мА. Напряжение, снятое с делителя С1С2, выпрямляет узел на элементах VD1, VD2. СЗ. Без нагрузки напряжение на конденсаторе СЗ не превышает 12В. О.Ховайко |



