Что-то не так?
Пожалуйста, отключите Adblock.
Портал QRZ.RU существует только за счет рекламы, поэтому мы были бы Вам благодарны если Вы внесете сайт в список исключений. Мы стараемся размещать только релевантную рекламу, которая будет интересна не только рекламодателям, но и нашим читателям. Отключив Adblock, вы поможете не только нам, но и себе. Спасибо.
Как добавить наш сайт в исключения AdBlockРеклама
Способы коммутации сети для любых устройств
|
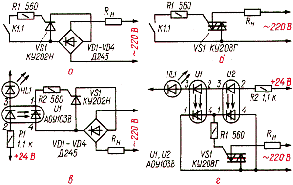
Многие устройства имеют в своем составе цепи управления (коммутации) нагрузкой, которые обеспечивают их включение/выключение и задают яркость свечения ламп и т.д.. Такие цепи обычно строятся на основе тиристоров или симисторов, реже применяют транзисторы, оптотиристоры или электромагнитные реле. Используя современные тиристоры и симисторы можно коммутировать мощные лампы с напряжением питания свыше 220 В. В маломощных светоизлучающих системах с этой же целью могут использоваться мощные транзисторы, которые управляют лампами с низким напряжением питания (возможные пределы зависят от параметров применяемых транзисторов). Ниже приводятся схемы нескольких простейших узлов коммутации нагрузки. Очень часто в качестве коммутирующих элементов используются тиристоры серии КУ202 и симисторы серии. КУ208. Эти компоненты выдерживают напряжения 25...480 В (зависит от конкретного типа элемента) и обеспечивают ток в открытом состоянии до 5...10 А. Если же необходимо коммутировать светоизлучатели большей мощности, то могут применяться тиристоры серий Т106-10-4, Т122-20-2, Т131-40-3. В общем случае применение симисторов в качестве коммутирующих элементов несколько упрощает схемы вследствие того, что они могут коммутировать переменное напряжение, т.е. отсутствует необходимость во включении диодного моста на входе силовой цепи (повышается КПД и уменьшаются габариты устройства в целом). Кроме этого, имеется принципиальная возможность применения оптотиристоров, которые обеспечивают гальваническую развязку между силовыми цепями и схемой управления. ![]() Puc.1 На рис.1 приведена типовая схема включения тиристора в качестве элемента коммутации обычных ламп накаливания. Управляющий сигнал с амплитудой 3...7В подается непосредственно на управляющий электрод тиристора VS1. Схема управления должна обеспечивать ток до 200 мА на этом входе. Диодный мост VD1-VD4 обеспечивает подачу на тиристор постоянного напряжения (в случае применения симистора диодный мост можно удалить). ![]() Puc.2 На рис. 2 схема коммутации дополнена эмитгерным повторителем. Слаботочный управляющий сигнал подается на базу транзистора VT1. Ток коммутации протекает через транзистор, то-коограничивающий резистор R1 и управляющий электрод тиристора VS1. В этом случае входное управляющее напряжение может иметь амплитуду немногим более 1 В. ![]() Puc.3 С помощью оптронного тиристора (рис. 3) можно гальванически развязать управляющий сигнал и силовые цепи. В этом случае управляющие импульсы поступают на тиристор уже с оптрона. ![]() Puc.4 Схема на рис. 4 позволяет реализовать гальваническую развязку с помощью импульсного трансформатора. На элементах D1.1 и D1.2 собран высокочастотный генератор с частотой 25 кГц. В исходном состоянии генератор заперт низким уровнем на входе 2 элемента D 1.1. При появлении на входе 2 высокого уровня генератор, запускается и высокочастотные импульсы открывают тиристор VS1 (лампа зажигается). На рисунке 5 приведены другие часто встречающиеся схемы. ![]() Puc.5 Источник: shems.h1.ru |




