Что-то не так?
Пожалуйста, отключите Adblock.
Портал QRZ.RU существует только за счет рекламы, поэтому мы были бы Вам благодарны если Вы внесете сайт в список исключений. Мы стараемся размещать только релевантную рекламу, которая будет интересна не только рекламодателям, но и нашим читателям. Отключив Adblock, вы поможете не только нам, но и себе. Спасибо.
Как добавить наш сайт в исключения AdBlockРеклама
Электрошокер
|
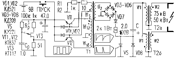
Высоковольтный генератор (ВГ) состоит из мощного двухтактного VT1, VT2 автогенераторного преобразователя (АП) 9-400 В; выпрямителя VD3-VD7; накопительного конденсатора С; формирователя импульсов разряда на однопереходном транзисторе VT3; коммутатора VS и высоковольтных импульсных трансформаторов Т2а,Т2б. Т1 выполнен на кольце М1500НМ3 28х16х9. Первой наматывают обмотку W2 (400 витков D 0.01) и тщательно изолируют. Затем наматывают обмотки W1a, W1б (no 10 витков D 0.5) и базовую обмотку Wб (5 витков D 0.01). T2a (Т2б) выполнен на ферритовом стержне 400НН длиной 8-10 см, D 0.8 см. Стержень предварительно изолируют, поверх наматывают обмотку w2a (w2б), содержащую 800-1000 витков D 0.01 и тщательно изолируют. Обмотки w1а и w1б (по 10 витков D 1.0) наматывают противофазно. Для предотвращения электрического пробоя высоковольтные трансформаторы заливают эпоксидной смолой. Оптимизация параметров: Мощность заряда конденсатора С ограничена максимальной мощностью, развиваемой (кратковременно) источником питания P=U1*I1 (U1=9B, I1=1А), максимально допустимым средним током VD3-VD7 I2=C*U2/2Tp и VT1-VT2 I1=N1*I2. Энергия, накапливаемая на выходе АП E=C*U2*U2/2, определяется емкостью С (1-10 мкФ) при приемлемых габаритах и рабочем напряжении U2=N1*U1, N1=W2/W1. Период импульсов разряда Тр = RpCp должен быть больше постоянной заряда Тз=RC. R ограничивает импульсный ток АП I2и=U2/R, I1и=N1l*I2и. Напряжение высоковольтного импульса определяется соотношением витков Т2а (Т2б) Uви=2n2*U2, n2=w2/w1. Наименьшее число витков w1 ограничено максимальным импульсным током VS Iи=U2*(2C/L)^(1/2), L- индуктивность w1a (w1б), наибольшее - электрической прочностью Т2а, Т2б (50 В на виток). Пиковая мощность разряда зависит от быстродействия VS. Режимы мощных элементов близки к критическим. Поэтому время работы ВГ должно быть ограничено. Допускается включать ВГ без нагрузки (разряд в воздухе) не более 1-3 секунд. Работу VS и VT3 сначала проверяют при отключенном АП, подав +9B на анод VD7. Для роверки АП Т2а и т2б заменяют на резистор 20-100 Ом достаточной мощности. При отсутствии генерации необходимо поменять местами выводы обмотки Wб. Ограничить ток потребления АП можно уменьшением Wб, подбирая R1, R2. Правильно собранный ВГ должен обязательно пробивать внутренний межэлектродный промежуток 1.5-2.5 см. При использовании ВГ необходимо соблюдать адекватные меры предосторожности. Импульсы тока высоковольтного разряда через миелиновую оболочку нервных волокон кожной ткани способны передаваться к мышцам, вызывая тонические судорги и спазмы. Благодаря синапсам, нервное возбуждение охватывает другие группы мышц, развивая рефлекторный шок и функциональный паралич. По данным U.S. Consumer-Product Safety Commission печальные последствия - трепетание и фибрилляция желудочков с последующим переходом в асистолию, завершающую терминальные состояния - наблюдаются при разряде с энергией 10 Дж. По непроверенным сведениям 5 секундное воздействие высоковольтного разряда с энергией 0.5 Дж вызывает тотальную иммобилизацию. Восстановление полного мышечного контроля происходит не ранее чем через 15 минут.
|