Что-то не так?
Пожалуйста, отключите Adblock.
Портал QRZ.RU существует только за счет рекламы, поэтому мы были бы Вам благодарны если Вы внесете сайт в список исключений. Мы стараемся размещать только релевантную рекламу, которая будет интересна не только рекламодателям, но и нашим читателям. Отключив Adblock, вы поможете не только нам, но и себе. Спасибо.
Как добавить наш сайт в исключения AdBlockРеклама
ЭЛЕКТРИЧЕСКАЯ ЗАЖИГАЛКА ДЛЯ ГАЗА
|
В журналах приведено много схем для самостоятельного изготовления аналогичных по назначению устройств, однако, как показывает опыт, наибольшую сложность при изготовлении таких устройств представляет намотка высоковольтной катушки так, чтобы не было пробоя у нее внутри, а также изготовление красивого корпуса. Приводимая ниже схема и конструкция легко решает эти проблемы.
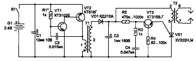
Электрическая схема (рис. 1) содержит только унифицированные и легко доступные детали, в том числе и высоковольтную катушку Т2, в качестве которой применен трансформатор строчной развертки от черно-белых миниатюрных телевизоров ТВС-70П1. Предлагаемая схема позволяет снять зависимость напряжения подаваемого в высоковольтную катушку от порога срабатывания динистора (их наиболее часто применяют), как это реализуется в опубликованных ранее схемах. Схема состоит из автогенератора на транзисторах VT1 и VT2, повышающего напряжение до 120...160 В с помощью трансформатора Т1 и схемы запуска тиристора VS1 на элементах VT3, С4, R2, R3, R4. Накопленная на конденсаторе СЗ энергия разряжается через обмотку Т2 и открытый тиристор.
Трансформатор Т1 выполнен на кольцевом ферритовом магнитопроводе М2000НМ1 типоразмера К16х10х4,5 мм. Обмотка 1 содержит 10 витков, 2 — 650 витков проводом ПЭЛШО-0,12. Используются конденсаторы: С1, СЗ типа К50-35; С2, С4 типа К10-7 или аналогичные малогабаритные. Диод VD1 можно заменить на КД102А, Б. S1 — микровключатель типа ПД-9-2. Тиристор можно использовать любой, с рабочим напряжением не менее 200 В. Трансформаторы Т1 и Т2 крепятся к плате клеем. Печатная плата устройства имеет размеры 88х55 мм (рис. 2). Разрядная камера располагается между двумя жесткими проводами диаметром 1...2 мм на расстоянии 80...100 мм от корпуса. Искра между электродами проходит на расстоянии 3...4 мм.
Вся схема вместе с двумя элементами питания А316 или аккумуляторами НКГЦ-0,45 легко размещается в пачке от сигарет с жестким каркасом (типа СТОЛИЧНЫЕ) (рис. 3). Схема потребляет ток не более 180 мА, и ресурса элементов питания хватит более чем на два часа непрерывной работы, однако не прерывная работа устройства более одной минуты не желательна из-за возможного перегрева транзистора VT2 (он не имеет радиатора). При настройке устройства может потребоваться подбор элементов R1 и С2, а также изменение полярности включения обмотки 2 у трансформатора Т1. Желательно также проводить настройку с неустановленным R2: проверить напряжение на конденсаторе СЗ вольтметром, а после этого установить резистор R2 и, контролируя напряжение осциллографом на аноде тиристора VS1, убедиться в наличии процесса разряда конденсатора СЗ. Разряд СЗ через обмотку трансформатора Т2 происходит при открывании тиристора. Короткий импульс для открывания тиристора формируется транзистором VT3 при возрастании напряжения на конденсаторе СЗ более 120В. Устройство может найти и другие применения, например, в качестве ионизатора воздуха или электрошокового (пугающего) устройства, так как между электродами разрядника возникает напряжение более 10 кВ, что вполне достаточно для образования электрической дуги. При малом токе в
цепи это напряжение не опасно для жизни.
|


