|
Миниатюрный блок питания на оптронах
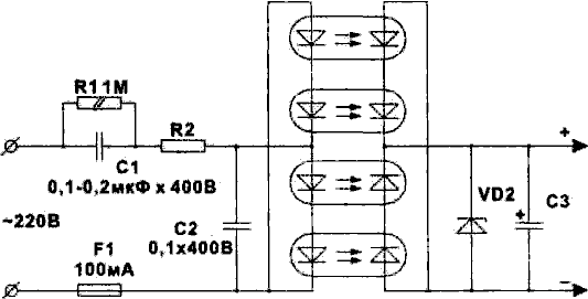
Микромощные ИП с гальванической развязкой от сети ~220 В можно выполнить с применением оптронов, включив их последовательно для увеличения выходного напряжения. Перенос энергии осуществляется посредством однонаправленного светового потока внутри оптрона (оптрон содержит светоизлучающий и поглощающий элементы), таким образом, гальванической связи с сетью не возникает. На одной оптопаре выделяется 0,5-0,7 В для АОД101. АОД302 и 4 В для АОТ102, АОТ110 (притоке 0,2 мА). Для обеспечения требуемых значений напряжения и тока оптопары включаются последовательно или параллельно. В качестве буферного накапливающего элемента можно использовать ионистор, аккумулятор или емкость на 100-1000 мкФ. Светодиоды запитываются через емкость не более 0.2 мкФ во избежание разрушения. Необходимо помнить, что эффективность оптронов падает со временем (приблизительно на 25% за 15000 часов работы).

Конец статьи Схемы для форума:

Источник: shems.h1.ru
|