Что-то не так?
Пожалуйста, отключите Adblock.
Портал QRZ.RU существует только за счет рекламы, поэтому мы были бы Вам благодарны если Вы внесете сайт в список исключений. Мы стараемся размещать только релевантную рекламу, которая будет интересна не только рекламодателям, но и нашим читателям. Отключив Adblock, вы поможете не только нам, но и себе. Спасибо.
Как добавить наш сайт в исключения AdBlockРеклама
Лабораторный блок питания
|
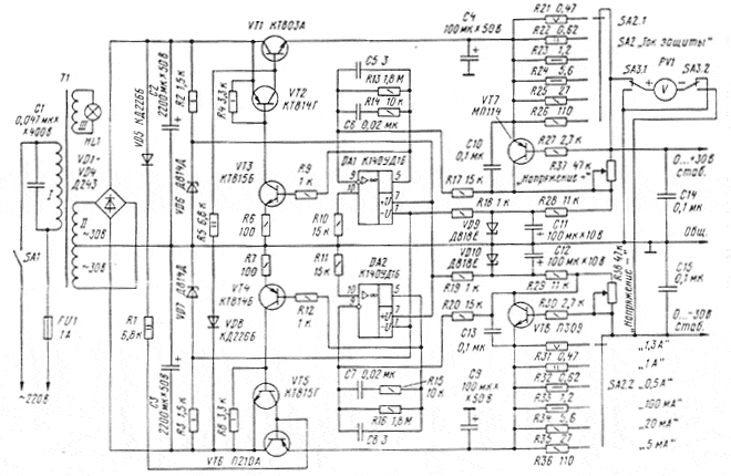
Под таким заголовком в "Радио", № 11 за 1980 г был описан регулируемый двуполярный источник питания с ограничением тока нагрузки, обладающий, на мой взгляд, хорошими параметрами. Потребность в таком приборе в радиолюбительской практике очевидна. После повторения этого устройства мною выявлен один существенный недостаток при его работе под нагрузкой нагреваются теплоотводы регулирующих транзисторов (в исходном устройстве П217А) и невозможно установить нулевое (или близкое к нему) напряжение на выходе верхнего (по схеме рис 1 статьи) плеча блока. Это заставило меня доработать устройство (см схему).
По цепи VD8R5 на базу регулирующего транзистора VT1 подают закрывающее его отрицательное относительно общего провода напряжение с диодного моста VD1-VD4. Соответственно, на базу транзистора VT6 по цепи VD5R1 - положительное. Теперь блок питания работает стабильно. Кроме того, добавлены резисторы R21 и R31 в узел защиты для ограничения тока нагрузки на уровне 1,3 А Прибор PV1 (вольтметр) подключен только для измерения выходного напряжения. Вместо указанных на схеме в источнике питания применимы ОУ DA1 DA2 - К140УД9 транзисторы VT1 - КТ808А, VT2 - КТ814В, VT3, VT5 - КТ815В, VT4 - КТ814В, КТ814Г, VT6 - П210Б, диоды VD1-VD4 - Д243А, VD5 VD8 - КД226В-КД226Д. От редакции. Диоды VD5 и VD8 устанавливать не обязательно Сопротивление резисторов R1 и R5 можно увеличить в три раза. Транзистор VT6 лучше установить кремниевый, например, КТ818В или КТ818Г. Между выводами 7, 1 микросхем DA1 и DA2 и общим проводом желательно установить керамические конденсаторы емкостью 0,1 мкф. Современной заменой транзисторов МП114 и П309 в данном устройстве могут служить КГ502В, КТ502Г и КГ503В, КТ503Г соответственно. Для уменьшения мультипликативных помех каждую половину вторичной обмотки трансформатора Т1 полезно зашунтировать конденсатором емкостью 0,47 мкф. Радио №4, 2000 |