LAB599.RU — интернет-магазин средств связи
EN FR DE CN JP

Импульсный стабилизатор с защитой




Импульсный стабилизатор с защитой
 Импульсный стабилизатор с защитой

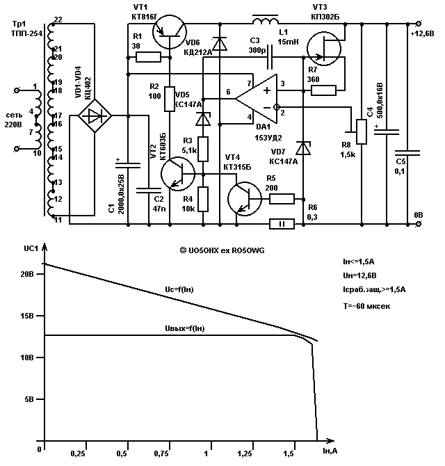
  Этот стабилизатор предназначался для питания магнитофона “Весна-205”. При тестировании практически все превышение напряжения на входе испольэовалось для поддержания выходного напряжения равным заданному. Величина тока защиты полностью определяется номиналом сопротивления R6. Блок выдает на выходе 12,6В при токе 1,5А.

Шустиков Е. Г.
UO5OHX ex RO5OWG

Источник: shems.h1.ru

Партнеры