Что-то не так?
Пожалуйста, отключите Adblock.
Портал QRZ.RU существует только за счет рекламы, поэтому мы были бы Вам благодарны если Вы внесете сайт в список исключений. Мы стараемся размещать только релевантную рекламу, которая будет интересна не только рекламодателям, но и нашим читателям. Отключив Adblock, вы поможете не только нам, но и себе. Спасибо.
Как добавить наш сайт в исключения AdBlockРеклама
Двухполярный источник питания
|
Иногда для питания различных радиотехнических устройств требуется иметь два двухполярных напряжения +12 и -12 В (или +9 и -9 В) от одного источника — аккумулятора или сетевого трансформатора с одной обмоткой. Такие напряжения необходимы для работы операционных усилителей и некоторых других схем. При этом основное потребление тока схемой осуществляется, как правило, по цепи с положительным напряжением, а цепь "—" является вспомогательной. Промышленность выпускает специализированную микросхему преобразователя для получения отрицательного напряжения: КР1168ЕП1 (входное напряжение 3...10 В, а выходное отрицательное такой же величины, что и на входе). Но она перекрывает узкий диапазон напряжений.
На рисунке приведена схема простого преобразователя, который позволяет получать от источника +12 В (+9 В) дополнительное стабилизированное напряжение -12 В (-9 В при использовании стабилизатора КР142ЕН8А). Ток нагрузки по цепи -12В может быть до 15 мА. Преобразователь работает на частоте 50 кГц и сохраняет свою работоспособность при снижении напряжения питания до 7 В. Схема состоит из автогенератора на транзисторе VT1, повышающего напряжение трансформатора Т1 и интегрального стабилизатора DA1. При сборке требуется соблюдать полярность подключения фаз обмоток трансформатора Т1, указанную на схеме. Со вторичной обмотки трансформатора напряжение после выпрямления должно быть 15...19 В, что необходимо для нормальной работы стабилизатора DA1. Для настройки преобразователя сначала вместо DA1 подключаем резистор 150 Ом. При нормальной работе схемы форма напряжения на обмотке 3 в трансформаторе Т1 выглядит так:
При настройке может потребоваться подбор конденсатора СЗ и резистора R2. Трансформатор Т1 выполняется на броневом сердечнике типоразмера Б22 из феррита 2000НМ (1500НМ) и содержит в обмотке 1 — 80 витков, 2 — 15 витков, 3—110 витков провода ПЭЛШО-0,18. После проверки и настройки схемы катушку и ферритовые чашки закрепить клеем. Конденсаторы С2, С4, С5 применены типа К50-29-63В, С1 и СЗ — любые малогабаритные, С6 — К53-1А-20В. Все элементы схемы размещены на печатной плате с размерами 65х50 мм. Для уменьшения высоты платы монтаж выполнен в двух уровнях — конденсаторы С4 и С5 расположены над элементами VT1 и DA1. Схема позволяет получать и более высокое выходное напряжение, чем на входе, если использовать отрицательный выброс напряжения.
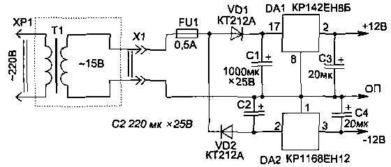
Если собранное вами устройство является стационарным и может питаться от сети, то для получения двухполярного напряжения можно применить широко распространенные малогабаритные трансформаторы (конструктивно оформленные в виде сетевой вилки). Они имеют одну вторичную обмотку, и, чтобы не перематывать трансформатор, удобно воспользоваться схемой, приводимой ниже.
Источник: shems.h1.ru |