Что-то не так?
Пожалуйста, отключите Adblock.
Портал QRZ.RU существует только за счет рекламы, поэтому мы были бы Вам благодарны если Вы внесете сайт в список исключений. Мы стараемся размещать только релевантную рекламу, которая будет интересна не только рекламодателям, но и нашим читателям. Отключив Adblock, вы поможете не только нам, но и себе. Спасибо.
Как добавить наш сайт в исключения AdBlockРеклама
Универсальный сетевой фильтр и его конструкция
|
Включив однажды в одну сетевую розетку радиоприемник "ВОЛНА-К" и компьютер "Пентагон-128" с дисководом и блоком питания, обнаружилось, что эти устройства оказались плохо совместимыми. Вся компьютерная техника выдавала мощный и широкий спектр радиопомех, так что бедняжка "ВОЛНА" ревела практически в любой точке диапазона от 12 кГц до 23,5 МГц. Помехи были и на TV. Все это и навело на мысль сделать и установить сетевой фильтр, что не помешало бы и в случае эксплуатации любительской радиостанции, но все откладывалось "на потом". Спектр помех был очень широк и решение пришло по аналогии с анодным дросселем в выходном каскаде лампового усилителя мощности. Прикинув коэффициент полезного действия [1] для разных частот, я понял - фильтр должен быть трехсекционным.
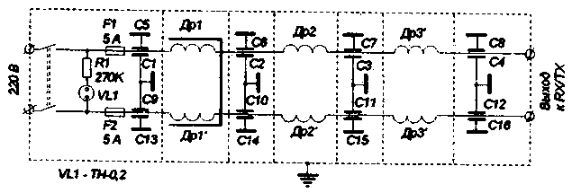
Найти проходные (высокочастотные) конденсаторы такой емкости мне не удалось. Максимальная емкость конденсаторов КТП-3 0,015 мкФ. Бумажные проходные конденсаторы имеют большие величины емкостей, но позволяют эффективно подавлять в основном низкочастотные помехи бытового и промышленного происхождения, проникающие в радиоприемник из сети переменного тока. Поэтому потребовалось сделать сделать универсальный сетевой фильтр, который бы не пропускал высокочастотные помехи из сети в радиоприемник или трансивер при приеме и, наоборот, в электрическую есть при передаче. Схема сетевого фильтра приводится на рис.2. ![]() рис.2
Дроссели L1 и L1' можно намотать и на ферритовом кольце проницаемостью 400 - 2000 НН. Его поперечное сечение выбирается из расчета 0,25 см2 на 100 Вт, потребляемой из сети мощности, с целью избежать подмагничивания из-за асимметрии сетевого напряжения. Данные по сечению магнитопровода приводятся с некоторым запасом. В нашем случае мощность равна максимальной (по сечению) и составляет Pmax = 4,2 * 100 / 0,25 = 1680 Вт Дроссели L2 - 2' и L3 - 3' намотаны проводом ПЭВ-2 диаметром 1,5 мм. Максимальный ток определяется по формуле Imax = d2 j / 1,28 (A) где d - диаметр провода в мм, j - плотность тока в А/мм2, которую можно принять 4...6 А/мм2. При плотности тока 4,5 А/мм2 максимальный ток составит Jmax = 1,52 4,5 / 1,28 = 7,91 A Можно допустить, что мощность фильтра может достигать 2000 Вт, так как он рассчитан с некоторым запасом. Для обычной работы такая мощность вряд ли потребуется, но фильтр изготовлен на все случаи жизни. Дроссели L2 - 2' намотаны на керамических стержнях диаметром 12 мм и длиной 115 мм до полного заполнения. Дроссели L3 - 3' - бескаркасные, содержат по 9 витков и намотаны с шагом для уменьшения межвитковой емкости и лучшей защиты от самых высокочастотных наводок на оправке диаметром 10 мм и длиной 41 мм. Сетевой фильтр, состоит из трех секций, каждая из которых с некоторым перекрытием работает в определенной области частот - L3 - 3' в области высоких частот, L2 - 2' в области средних частот, L1 и L1' в области низких частот. В целом же, в работе принимают участие все секции фильтра совместно. Эскиз фильтра приведен на рис.4. Конструктивно фильтр собран в трех экранированных секциях, которые помещаются в металлический корпус 190х190х70 мм. Дроссели, находящиеся в соседних секциях, соединяются через проходные конденсаторы, установленные на вертикальных перегородках. Крепление дросселей осуществляется при помощи стоек из оргстекла толщиной 10 мм, в котором высверливают иди растачивают соответствующие отверстия.
Качество работы фильтра кратко можно охарактеризовать следующим образом. Радиоприемник "Волна-К" с подключенным компьютером смог принимать любительские радиостанции на комнатную антенну и были слышны лишь отдельные "попискивания" компьютера с уровнями не более 3-5 баллов. Литература: А.Кузьменко |
Классический вариант [2] на ферритовом кольце, рис.1 при намотке 10 витков на
магнитопроводе 600НН К32х16х6 или 400НН К40х25х7,5 и конденсаторах С1 ... С4 = 0,01 мкФ показал худшие результаты. Возможно, из-за малой емкости конденсаторов, которая должна быть как минимум на порядок больше 0,1 ... 0,22 мкФ.

В фильтре используются конденсаторы С1 ... С4, С9 ... С12 - КПБ - 0,022 мкФ -
500 В С5 ... С8, С13 ... С14 - КТП-3 - 0,015 мкФ - 500 В (керамические, красного цвета с резьбой М8 - 0,75). Как видно из схемы, керамические и бумажные проходные конденсаторы включены
попарно-параллельно. "Неонка" VL1 -индикатор включения фильтра в сеть. Дроссели
L1 и L1' намотаны обычным двойным сетевым проводом, в изоляции (например, от
сгоревшего паяльника) на семи, сложенных вместе плоских ферритовых стержнях для
магнитной антенны. Общее сечение магнитопровода 4,2 см2. Стержни плотно уложены
друг на друга и обмотаны тремя слоями лакоткани. Поверх нее намотана обмотка,
содержащая семь витков. Получившийся элемент больше похож на проходной
трансформатор, чем на дроссель, рис.3.
Для подключения используются разъемы МРН. К нему подводятся сетевые
экранированные провода от трансивера и усилителя мощности и, который, обладая распределенной емкостью, дополнительно снижает высокочастотные наводки. Экранирующие оплетки проводов соединяются с клеммой "земля", а сам фильтр (корпус) коротким толстым проводом (оплетка коаксиального кабеля РК-3) заземляется. Фильтр снабжен обычной сетевой розеткой или розетками для подключения бытовой аппаратуры, например, компьютера и блоков его составляющих.