LAB599.RU — интернет-магазин средств связи
EN FR DE CN JP
QRZ.RU > Каталог схем и документации > Схемы наших читателей > Дайджест радиосхем > Блок питания с трансформатором и гасящим конденсатором

Блок питания с трансформатором и гасящим конденсатором




Блок питания с трансформатором и гасящим конденсатором

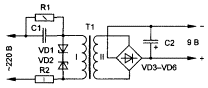
  Блоки питания с балластным конденсатором и разделительным трансформатором завоевали популярность у радиолюбителей благодаря малым габаритам и тем, что они гальванически не связаны с сетью. Однако при разработке таких устройств необходимо учитывать ряд факторов, чтобы исключить аварийные ситуации, в результате которых могут выйти из строя не только источник питания, но и нагрузка. Автор статьи, обобщив опыт создания подобных устройств, рекомендует, на что следует обратить внимание при их конструировании и налаживании. В радиолюбительской практике широкое применение нашли источники с балластным конденсатором и разделительным трансформатором [1-6]. Подобное решение позволяет конструировать малогабаритные блоки питания. Рассмотрим некоторые вопросы проектирования таких устройств на примере маломощного источника питания, описанного в [1] (см. рисунок).

 Блок питания с трансформатором и гасящим конденсатором   Трансформатор Т1 выполняет функцию разделительного. Он работает при малом входном и выходном напряжении. Его конструкция весьма проста. Конденсатор С1 - балластный, а резистор R2 ограничивает импульс тока при включении. Напряжение на первичной обмотке трансформатора ограничивают стабилитроны VD1 и VD2.

  В колебательном контуре, состоящем из конденсатора С1, индуктивности первичной обмотки трансформатора L и приведенного к первичной обмотке сопротивления нагрузки Rн, возможен резонанс, который может привести к выходу из строя источника питания.

  Допустим, что в нагруженном источнике на первичной обмотке напряжение равно 20 В (типичный случай). Это означает, что приведенное к первичной обмотке сопротивление нагрузки RН примерно в 10 раз меньше емкостного сопротивления |Xc1| конденсатора С1 и образует с ним делитель напряжения 10:1 (приближенно), т.е. |Хс1|=10Rн. При правильно рассчитанном трансформаторе индуктивное сопротивление первичной обмотки |XL| должно примерно в 10 раз превышать приведенное к первичной обмотке сопротивление нагрузки Rн поэтому добротность упомянутого контура крайне низка, никакого резонанса быть не может.

  Совершенно иная ситуация возникает при отключенной нагрузке (на холостом ходу). Если выполняются указанные выше соотношения |Хс1|=10Rн и |ХL|=10Rн,то |Xc1|=|XL| и возникает резонанс. Если на вход вместо сетевого подать напряжение 1 ...2 В, то на первичной обмотке ненагруженного трансформатора оно за счет резонанса увеличится в 10 и более раз - добротность получившегося контура достаточно большая, однако при подаче сетевого напряжения такого подъема не будет. С увеличением напряжения на обмотке сверх номинального (20 В) магнитопровод трансформатора входит в насыщение, его индуктивность уменьшается, и контур перестает быть настроенным в резонанс.

  Однако, если трансформатор выполнен с хорошим запасом по допустимому входному напряжению, подъем может быть весьма значительным. Это вызовет увеличение напряжения на конденсаторе С1 по сравнению с работой в номинальном режиме, и если конденсатор выбран без запаса - может произойти пробой. Возможны и другие не менее тяжелые последствия. Поэтому, как и для бестрансформаторного источника питания с балластным конденсатором, недопустима работа без номинальной нагрузки. Обычное решение - подключение стабилитрона к выходу источника или двух встречно-последовательно соединенных стабилитронов (или одного симметричного) к первичной обмотке (см. рисунок).

  Так задача решается для относительно маломощных блоков питания. Для аналогичных мощных устройств (очень простыми получаются зарядные устройства для автомобильных аккумуляторных батарей [2-4]) такими мерами не обойтись. Здесь можно подключить параллельно первичной или вторичной обмотке аналог симметричного динистора [7, рис. 5,а] или обеспечить релейную защиту от режима холостого хода [3].

  Особое внимание необходимо уделить выбору балластного конденсатора по номинальному напряжению. Это наибольшее напряжение между обкладками конденсатора, при котором он способен надежно и длительно работать. Для большинства типов регламентируется номинальное напряжение постоянного тока. Допустимое напряжение переменного тока всегда меньше номинального, за исключением металлобумажных конденсаторов МБГЧ, К42-19, полипропиленовых К78-4 и полиэтилентерефталатных К73-17 на номинальное напряжение до 250 В включительно, у которых эти параметры равны. Поэтому при выборе типа и номинального напряжения необходимо воспользоваться справочником по электрическим конденсаторам и помнить, что расчет проводят для амплитудного значения переменного напряжения.

  В момент подключения (или отключения) блока питания к сети в его цепях происходит переходный процесс, который через некоторое время сменяется установившимся режимом. Не вдаваясь в теоретические основы переходных процессов, отметим два закона коммутации:
1. Ток в дросселе (приборе с индуктивным сопротивлением) не может изменяться скачком, или, иначе, ток после коммутации имеет то же значение, которое он имел в момент, непосредственно предшествующий коммутации.
2. Напряжение на конденсаторе не может изменяться скачком, или, иначе, напряжение после коммутации имеет то же значение, что и непосредственно до коммутации.

  При подключении блока питания к сети конденсатор еще не заряжен и падение напряжения на нем равно нулю. Ток в индуктивности не может возникнуть мгновенно, поэтому напряжение на резисторе равно нулю и сетевое напряжение полностью приложено к первичной обмотке трансформатора, которая рассчитана на существенно меньшее значение. Именно при включении возникает высокая опасность межвиткового пробоя и исчезает преимущество в простоте исполнения трансформатора с намоткой "внавал", чем он и заслужил широкую популярность у радиолюбителей. Особенно опасно подключение блока питания к сети, в которой в этот момент действует амплитудное или близкое к нему напряжение. Актуальное значение приобретает задача ограничения напряжения на первичной обмотке в момент подключения. Токоограничительный резистор не спасает в такой ситуации. Это заставляет искать иное решение, позволяющее предупредить возможность межвиткового пробоя в трансформаторе и защитить элементы блока питания от повышенного в десятки раз напряжения.

  Ограничитель напряжения на двух встречно-последовательно включенных параллельно первичной обмотке стабилитронах (см. рисунок) позволяет решить и эту задачу. Для каждого полупериода ограничитель работает как параметрический стабилизатор напряжения на первичной обмотке трансформатора. Балластную функцию выполняет при этом в основном токоограничительный резистор R2. Резистор должен быть рассчитан на кратковременный ток перегрузки, а стабилитроны, как правило, обеспечивают его.

  Если в номинальном режиме стабилитроны открываются и работают как стабилизаторы, может возникнуть разность амплитуд импульсов выпрямленного тока положительной и отрицательной полуволн. Такой эффект объясняется тем, что положительные полуволны стабилизирует один стабилитрон, а отрицательные - другой. Известно, что напряжение стабилизации двух экземпляров стабилитронов даже одной партии может значительно различаться. Это порождает дополнительную составляющую пульсации частоты 50 Гц, которую труднее подавить сглаживающим фильтром, чем 100 Гц.

  Для уменьшения дополнительной составляющей пульсации, возникающей из-за различия напряжения стабилизации, можно рекомендовать вместо встречно-последовательного соединения двух стабилитронов включить один стабилитрон в диагональ диодного моста параллельно первичной обмотке. Это позволит сохранить надежность блока питания.

  Если не предъявляются повышенные требования к стабильности выходного напряжения, можно рекомендовать подборку стабилитронов с минимальным напряжением стабилизации на 1...3 В больше максимального амплитудного напряжения на первичной обмотке в установившемся режиме. Параметрический стабилизатор в этом случае будет выполнять функции только ограничителя напряжения в момент включения и на холостом ходу. А после выхода блока питания на установившийся режим он автоматически отключается, значительно повышая экономичность блока.

ЛИТЕРАТУРА
1. Пожаринский Л. Маломощный блок питания. - Радио, 1978, №5, с. 56.
2. Кутергин Г. Простое зарядное устройство. - Радио,1978, №5,с.27.
3. Долин Е. Вариант зарядного устройства. - Радио,1983, №5,с.58.
4. Бирюков С. Простое зарядное устройство. - Радио,1997, №3,с.50.
5. Бирюков С. Расчет сетевого источника питания с гасящим конденсатором. - Радио, 1997, №5, с. 48-50.
6. Прокопцев Ю. Еще об источниках питания с гасящим конденсатором. - Радио, 1998, №12, с. 46.
7. Алексеев С. Симметричные динисторы - в источниках питания. - Радио, 1998, №10, с. 70, 71.

Б. САДОВСКОВ
г. Челябинск
Радио №1, 2000

Источник: shems.h1.ru

Партнеры