Что-то не так?
Пожалуйста, отключите Adblock.
Портал QRZ.RU существует только за счет рекламы, поэтому мы были бы Вам благодарны если Вы внесете сайт в список исключений. Мы стараемся размещать только релевантную рекламу, которая будет интересна не только рекламодателям, но и нашим читателям. Отключив Adblock, вы поможете не только нам, но и себе. Спасибо.
Как добавить наш сайт в исключения AdBlockРеклама
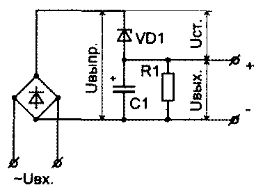
Стабилитрон в роли балласта
|
Если напряжение на вторичной обмотке сетевого трансформатора слишком велико для используемого стабилизатора (Uвыпр = 50...100 В), а заниматься перемоткой трансформатора не хочется, обычно применяют балластный резистор соответствующего номинала и мощности, включенный последовательно с нагрузкой. Такое решение оптимально при фиксированном токе нагрузки; если же он существенно изменяется, вместо резистора лучше применить стабилитрон, как показано на рисунке. При токах до 100 мА удобно использовать Д816А, Б, В, Г, до 500 мА - Д815Г, Д, Е, Ж. Стабилитроны можно соединять последовательно, «гасимое» ими напряжение будет равно сумме ист стабилитронов: Uвых = Uвыпр - EDст. Интересной особенностью такого включения является возможность использовать сглаживающий конденсатор С1 меньших габаритов и стоимости, т.к. на нем выделяется напряжение Uвых, а не Uвыпр. Нужно лишь обеспечить ток через стабилитроны не менее Iстmin (10 мА для Д816 и 25 мА для Д815) резистором Р1=Uвых/Iстmin. Если нагрузка выпрямителя невыключаемая и обеспечивает такой ток, R1 можно исключить. Рассеиваемая каждым стабилитроном мощность Р = Uст Iнmax может потребовать установки их на теплоотвод. Хотя через VD1 протекает импульсный ток, при выборе стабилитрона допустимо ориентироваться на выходной ток Iнmax. Подобные схемы работают у меня уже несколько лет. Юрий Каранда |
Стабилитрон в роли балласта