Что-то не так?
Пожалуйста, отключите Adblock.
Портал QRZ.RU существует только за счет рекламы, поэтому мы были бы Вам благодарны если Вы внесете сайт в список исключений.
Мы стараемся размещать только релевантную рекламу, которая будет интересна не только рекламодателям, но и нашим читателям. Отключив Adblock, вы поможете не только нам, но и себе. Спасибо.
Как добавить наш сайт в исключения AdBlock
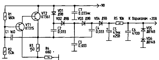
Принципиальная схема преобразователя с умножителем напряжения
Преобразователь напряжения
Предлагаю простую и надежную схему преобразователя напряжения для управления варикапами в различных конструкциях, который вырабатывает 20 В при питании от 9 В. Выбран вариант преобразователя с умножителем напряжения, поскольку он считается самым экономичным. Кроме того, он не создает помех радиоприему. На транзисторах VT1 и VT2 собран генератор импульсов, близких к прямоугольным. На диодах VD1...VD4 и конденсаторах С2...С5 собран умножитель напряжения. Резистор R5 и стабилитроны VD5, VD6 образуют параметрический стабилизатор напряжения. Конденсатор С6 на выходе является ВЧ-фильтром. Ток потребления преобразователя зависит от напряжения питания и количества варикапов, а также от их типа. Устройство желательно заключить в экран для снижения помех от генератора. Правильно собранное устройство работает сразу и некритично к номиналам деталей.
С.Сыч
Брестская обл.
Источник: shems.h1.ru