LAB599.RU — интернет-магазин средств связи
EN FR DE CN JP
QRZ.RU > Каталог схем и документации > Схемы наших читателей > Дайджест радиосхем > Экономичный импульсный стабилизатор напряжения

Экономичный импульсный стабилизатор напряжения




Экономичный импульсный стабилизатор напряжения

  Отличительная особенность описанного здесь импульсного стабилизатора - небольшой ток, который потребляет его узел управления. Это в какой-то степени компенсирует снижение КПД, свойственное таким стабилизаторам при малых токах нагрузки. На страницах журнала описано немало экономичных стабилизаторов постоянного напряжения, например в [1, 2]. По принципу действия эти устройства - последовательные транзисторные стабилизаторы непрерывного регулирования. От обычных они отличаются только тем, что узлы формирования образцового напряжения и сравнения выполнены на элементах, допускающих работу в режиме микротоков, за счет чего достигается некоторая экономия энергопотребления. Однако КПД таких стабилизаторов - невысок. Другой класс этих устройств - импульсные стабилизаторы. Они обладают более высоким КПД при среднем и большом токе нагрузки, однако при малом токе КПД у них уменьшается. Описанное устройство лишено такого недостатка. Это позволяет использовать его практически в любой аппаратуре: от различных цифровых до звуковоспроизводящих и радиоприемных устройств. Технические характеристики приведены в таблице:


Ток холостого хода, мА, не более 0,25
Длительный ток нагрузки, мА:
  номинальный
  максимальный

100
200
Выходное стабилизированное напряжение, В 9
Входное напряжение, В 11...15
КПД, %
   при входном напряжении 11 В и номинальном токе нагрузки
   при входном напряжении 13 В и токе нагрузки
10 мА
100мА
200мА
 
82
 
65
72
69
Коэффициент стабилизации при номинальном токе нагрузки, не менее 300
Амплитуда пульсаций, мВ, не более, при максимальном токе нагрузки 2


 Экономичный импульсный стабилизатор напряжения

  Стабилизатор содержит (рис. 1) коммутирующий составной транзистор (VТ1, VТ2), коммутирующий диод (VD2) и дроссель (L1). В узел управления входят источник образцового напряжения (VТЗ) и компаратор (DА1). На выходе стабилизатора включен транзисторный фильтр (VТ4, VТ5). Принцип работы устройства соответствует обычному импульсному регулированию. О нем подробно написано в [3]. Поэтому имеет смысл остановиться лишь на отличительных особенностях в узле управления и транзисторном фильтре.

  Основа узла управления - компаратор, выполненный на ОУ К140УД12. К его инвертирующему входу подключен микромощный источник образцового напряжения, выполненный на обратносмещенном эмиттерном переходе транзистора VТ3 [1]. Напряжение его стабилизации (7...7,5 В) обеспечивается при токе 20...30 мкА. На неинвертирующий вход ОУ подан сигнал сравнения от резистивного делителя R5-R7. Подстроечным резистором R6 регулируют выходное напряжение. Конденсатор С3 увеличивает фазовый сдвиг сигнала обратной связи, что необходимо для циклического характера работы устройства. Он же определяет частоту рабочих циклов и в значительной мере влияет на размах пульсаций.

  Выход компаратора подключен к базе составного транзистора VТ1, VТ2 через резистор R3, задающий ток управления, и стабилитрон VD1, который обеспечивает отсечку управляющего тока и надежное закрывание коммутирующего транзистора во всем интервале входного напряжения. Конденсатор С2 сглаживает фронты импульсов и тем самым подавляет высокочастотные помехи, возникающие при работе.

  В отличие от традиционных импульсных стабилизаторов, на выходе включен не LС-фильтр, а транзисторный. Дело в том, что LС-фильтр резко ухудшает динамические характеристики устройства: при изменении тока нагрузки возникают выбросы выходного напряжения. Транзисторный же фильтр свободен от этого недостатка, не требует намоточных изделий и эффективно подавляет пульсации не менее чем на 40 дБ.

  Благодаря высокому коэффициенту передачи составного транзистора VТ4, VТ5 (не менее 1500) и режиму работы транзистора VТ4 с малым напряжением коллектор-эмиттер, КПД фильтра весьма высок и понижает общий КПД стабилизатора всего на 6...8%, что является совсем невысокой платой за малый уровень пульсаций.

  У транзисторного фильтра есть еще одно преимущество - "мягкое" включение стабилизатора: выходное напряжение плавно нарастает в течение 2...4 с по мере зарядки конденсатора С6. В звуковоспроизводящей аппаратуре это устраняет характерные неприятные щелчки при включении питания.

  Устройство изготовлено на макетной плате. В нем применены импортные малогабаритные оксидные конденсаторы фирмы Samsung (С1, С5-С7), керамические КМ-6 (С2-С4), постоянные резисторы - МЛТ-0,125. Дроссель L1 содержит 28 витков провода ПЭВ-2 0,56, намотанных на броневом магнитопроводе Б14 из феррита 2000НМ. Немагнитный зазор в магнитопроводе обеспечен прокладкой из бумаги толщиной 0,2 мм.

  ОУ К140УД12 заменим на К140УД1208. Транзисторы VТ1, VТ4 должны иметь малое напряжение насыщения, допустимый импульсный ток коллектора 400...500 мА и коэффициент передачи тока не менее 50. Этим условиям удовлетворяют транзисторы серии КТ209 или КТ501 с буквенными индексами Д, Е, К. Коэффициент передачи тока транзисторов VТ2, VТ5 должен быть не менее 300. При соблюдении этого условия, кроме указанных на схеме, применимы транзисторы серий КТ361 и КТ315 с буквенными индексами Б, Г, Е.

  Транзисторы VТ1, VТ4 при номинальном токе не требуют теплоотвода. Если стабилизатор предполагают эксплуатировать при максимальном токе нагрузки, транзистор VT1 следует установить на небольшой теплоотвод площадью 10...15 см 2. Допустимо также использовать транзисторы средней мощности, например, серий КТ639, КТ644, при этом выходной ток стабилизатора можно увеличить до 0,5 А.

  Правильно собранное устройство начинает работать сразу. Его налаживание сводится к установке подстроечным резистором R6 выходного напряжения 9 В при токе нагрузки 1 мА (соответствует сопротивлению нагрузки 9,1 кОм - при отсутствии нагрузки выходное напряжение увеличивается). Затем, подключив к выходу стабилизатора резистор сопротивлением 91 Ом и мощностью не менее 1 Вт, проверяют и при необходимости корректируют подборкой резистора R10 падение напряжения между эмиттером и коллектором транзистора VТ4 в пределах 0,9...1,1 В. После этого окончательно устанавливают выходное напряжение резистором R6.

 Экономичный импульсный стабилизатор напряжения   Стабилизатор может работать и при другом выходном напряжении (8...12 В), причем с его ростом КПД устройства увеличивается. Уровень пульсаций проверяют осциллографом, подключенным к выходу нагруженного стабилизатора. Если амплитуда пульсаций при максимальном токе нагрузки превышает 2 мВ, подбирают конденсатор С3 (в сторону уменьшения емкости), не допуская, однако, срыва колебаний.

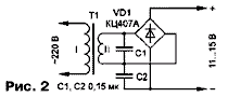
  Стабилизатор целесообразно изготовить на общей плате вместе с выпрямителем в виде единого блока, причем его конструкция зависит от особенностей питаемого устройства. Выпрямитель - обычный двухполупериодный (рис. 2), конденсаторы С1, С2 устраняют соответственно сетевые помехи и мультипликативный фон при питании радиоприемников.

  Следует отметить, что в импульсном блоке питания мощность сетевого трансформатора Т1 на 20...30 % меньше, чем в непрерывном. В связи с этим предлагаемый блок можно выполнить весьма малогабаритным и встроить, например, в батарейный отсек радиоприемника или магнитолы. Разумеется, возможно применение и в виде отдельного сетевого адаптера.

Литература:
1. Нечаев И. Экономичный стабилизатор. Радио, 1984, №12, с. 53.
2. Федичкин С. Микромощные стабилизаторы напряжения. Радио, 1988, №2, с. 56, 57.
3. Титце У., Шенк К. Полупроводниковая схемотехника. - М.: Мир, 1983.

Радио №9, 1999
А. Пахомов
г. Зерноград, Ростовской обл.

Источник: shems.h1.ru

Партнеры