LAB599.RU — интернет-магазин средств связи
EN FR DE CN JP

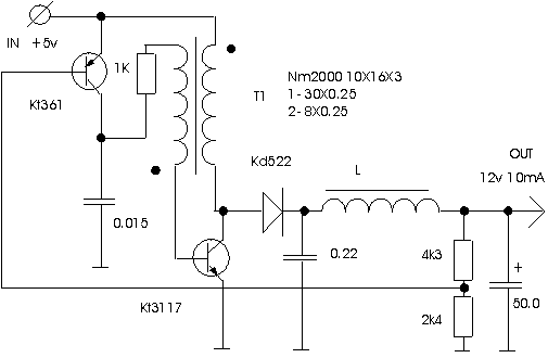
Преобразователь напряжения 5 - 12 В




Преобразователь напряжения 5 - 12 В

 Преобразователь напряжения

Cхема была неоднократно собрана и, если собрана правильно, устойчиво работает, выдавая примерно 10-15 мА.

Дмитрий Малахов
dmalakhov (at) mtu-net.ru

Источник: shems.h1.ru

Партнеры