Что-то не так?
Пожалуйста, отключите Adblock.
Портал QRZ.RU существует только за счет рекламы, поэтому мы были бы Вам благодарны если Вы внесете сайт в список исключений. Мы стараемся размещать только релевантную рекламу, которая будет интересна не только рекламодателям, но и нашим читателям. Отключив Adblock, вы поможете не только нам, но и себе. Спасибо.
Как добавить наш сайт в исключения AdBlockРеклама
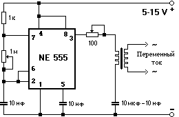
Высоковольтный преобразователь
|
Данное устройство представляет собой, высоковольтный слаботочный источник питания. Может использоваться для питания портативных счетчиков Гейгера, дозиметров и другой аппаратуры требующей высокого напряжения питания небольшой мощности. Микросхема включена в режиме мультивибратора, частота которого может регулироваться в зависимости от характеристик трансформатора. При высоком уровне выходного сигнала микросхемы ток, протекающий через ограничивающий резистор и первичную обмотку трансформатора, заряжает конденсатор 10 мкф. При низком выходном уровне ток течет в обратном направлении. Хорошая симметрия формы колебаний выходного напряжения достигается соответствующим выбором рабочей частоты и емкости конденсатора в пределах 10 мкф - 10 Нф. Трансформатор можно применить готовый или намотать самому в зависимости от требуемых характеристик. Для электрошока необходим трансформатор с коэффицентом умножения 1:400 и выше. Для того, чтобы получилась искра в 1 мм требуется напряжение порядка 1000 В. montazh (at) hot.ee
|
Высоковольтный преобразователь