Что-то не так?
Пожалуйста, отключите Adblock.
Портал QRZ.RU существует только за счет рекламы, поэтому мы были бы Вам благодарны если Вы внесете сайт в список исключений. Мы стараемся размещать только релевантную рекламу, которая будет интересна не только рекламодателям, но и нашим читателям. Отключив Adblock, вы поможете не только нам, но и себе. Спасибо.
Как добавить наш сайт в исключения AdBlockРеклама
Преобразователь для автомобиля
|
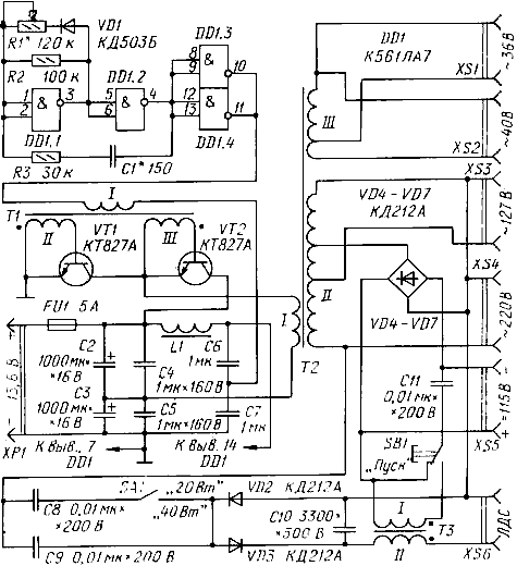
Для автотуриста, особенно на длительном привале, единственным источником электроэнергии служит аккумуляторная батарея автомобиля. Поэтому, естественно, и все походные осветительные и нагревательные приборы питаются от нее. А если в дорогу взяты приборы, рассчитанные на напряжения 36, 127, 220 В? Ничего страшного. Выручит преобразователь напряжения, схема которого показана на рисунке. Описываемое устройство позволяет питать люминесцентную лампу, электропаяльник на напряжение 36 В, электробритву и другие приборы. Максимальная мощность нагрузки преобразователя - 40 Вт, при этом ток, потребляемый от аккумуляторной батареи, составляет примерно 4 А.
Вилкой ХР1 преобразователь подключают к прикуривателю или розетке, соединенной с аккумуляторной батареей автомобиля. С целью уменьшения габаритов конструкции преобразователя частота задающего генератора, собранного на элементах DD1.1 и DD1.2, выбрана около 25 кГц. Элементы DD1.3 и DD1.4 образуют буферный каскад, нагрузкой которого служит обмотка I согласующего трансформатора Т1. Импульсы напряжения на обмотках II и III трансформатора управляют мощными ключевыми транзисторами VT1, VT2. При этом ток в первичной обмотке трансформатора Т2 преобразователя достигает в импульсе 8 А, что обеспечивает требуемую мощность на его вторичных обмотках. Напряжение питания на элементы задающего генератора и буферного каскада поступает через развязывающий фильтр L1C4C6. Чтобы генератор вырабатывал сигнал симметричной формы - меандр, необходимый для управления транзисторными ключами, в него введена цепочка R1VD1, выравнивающая длительность зарядки и разрядки конденсатора С1. Обмотка III трансформатора Т2 рассчитана на подключение к ней (через разъемы XS1, XS2) приборов на напряжение 36...40 В. Отводом обмотки можно изменять мощность, потребляемую нагрузкой, например, подбирать температуру нагрева жала электропаяльника. Обмотка II этого трансформатора предназначена для питания приборов, рассчитанных на переменные напряжения 127 и 220 В. Часть напряжения, снимаемого с верхней по схеме секции обмотки, выпрямляется диодами VD4-VD7, включенными по схеме моста, а пульсации выпрямленного напряжения сглаживает конденсатор С 11. В результате на разъеме XS5 (при замкнутых контактах кнопки SB1) действует постоянное напряжение 115 В - для питания электробритвы с коллекторным электродвигателем. Впрочем, это напряжение может иметь другое значение- в зависимости от конкретной модели электробритвы. Известно, что для включения люминесцентных ламп без подогрева нитей накаливания необходимо напряжение более 500...600 В. Чтобы получить его, напряжение 200 В обмотки II трансформатора Т2 подается на выпрямитель-умножитель, выполненный на диодах VD2, VD3 и конденсаторе С9. В результате на конденсаторе С10 действует повышенное напряжение постоянного тока. Для люминесцентной лампы мощностью 40 Вт параллельно конденсатору С9 подключают (тумблером SA1) конденсатор С8. Однако напряжения на фильтрующем конденсаторе С10 оказывается недостаточным для зажигания люминесцентной лампы. Поэтому в этот узел устройства введен дополнительный пусковой трансформатор ТЗ, но включают лампу вручную кнопкой SB1. Вот как это происходит. При замкнутых контактах кнопки SB1 конденсатор С11 заряжен до напряжения 115 В. При нажатии на кнопку он быстро разряжается через первичную обмотку трансформатора ТЗ. При этом на вторичной обмотке трансформатора возникает импульс напряжения, достаточный для зажигания люминесцентной лампы. В дальнейшем свечение лампы поддерживается напряжением на конденсаторе С10 выпрямителя VD2, VD3. Такое построение этого узла преобразователя позволяет не только обойтись без подогрева накальной нити люминесцентной лампы, но и использовать лампу с перегоревшей нитью накаливания (если, конечно, она пригодна для работы в таком режиме). Напряжение подают на оба вывода нити накаливания. Люминесцентную лампу подключают к разъему XS6 "ЛДС". Соединения между деталями делают снизу платы. Другие детали монтируют на дополнительной плате, которую размещают на боковой стенке корпуса. Цепи преобразователя, по которым течет большой ток, следует выполнять проводом диаметром не менее 2 мм возможно минимальной длины. Это требование относится и к проводам, соединяющим преобразователь с аккумуляторной батареей. Микросхема DD1 преобразователя может быть К561ЛЕ5, диод VD1 - любой высокочастотный малогабаритный, транзисторы VT1 и VT2 - КТ827 с буквенными индексами Б, В. Выпрямительные диоды VD2-VD7 должны быть высокочастотными, например (кроме КД212А), КД205А- КД205Д, КД213А, КД213Б. Конденсаторы: С1 - КД, КТ, КМ; С6 и С7 ~ КМ, МБМ; С2 и С3 - К50-24 (или К50-6), остальные - БМ, МБМ. Индуктивность дросселя L1 может быть 10...200 мкГн. Трансформаторы Т1 и ТЗ выполнены на кольцах типоразмера К20Х12Х6 из феррита 2000НМ. Обмотка I первого из них содержит 120 витков, а обмотки II и III - по 45 витков провода ПЭВ-2 0,2. Первичная обмотка трансформатора ТЗ представляет собой 2 витка, а вторичная - 20 витков провода ПЭВ-2 0,4. Магнитопроводом трансформатора Т2 служат два склеенных вместе кольца типоразмера К32Х20Х Х9 из феррита 2000НМ. Его обмотка I содержит 1,5 витка провода ПЭВ-2 2,0, обмотка II - 88 витков провода ПЭВ-2 ,0,4 (отводы от 36 до 50-го витков, считая от начала), обмотка III -16 витков провода ПЭВ-2 1,0 (отвод от 14-го витка). Перед намоткой провода острые грани колец надо сгладить надфилем, после чего обмотать магнитопровод лакотканью или изоляционной лентой. Налаживание преобразователя напряжения заключается в следующем. Сначала подбором резистора R1 добиваются на выходе буферного каскада импульсного сигнала, близкого по форме к меандру. Затем, в случае необходимости, подбором конденсатора С1 устанавливают частоту задающего генератора, равную 25...27 кГц. Ток, потребляемый преобразователем без нагрузки, должен составлять примерно 500 мА. Радио №4, 1992
|