LAB599.RU — интернет-магазин средств связи
EN FR DE CN JP
QRZ.RU > Каталог схем и документации > Схемы наших читателей > Дайджест радиосхем > Преобразователь напряжения для радиоприемников

Преобразователь напряжения для радиоприемников




Преобразователь напряжения для радиоприемников

  Многие малогабаритные транзисторные радиоприемники выпуска прошлых лет, как промышленного производства ("Алмаз-401", "Сокол-403", "Селга-404", "Кварц-408" и др.), так и самодельные, питались от батареи "Крона-ВЦ" ("Корунд") напряжением 9 В. В эксплуатации и сейчас немало таких приемников. Эта статья рассказывает о том, как их приспособить для питания от двух гальванических элементов. В старых "девятивольтовых" радиоприемниках можно применить трехвольтовое питание, если использовать дополнительный преобразователь напряжения. Такой преобразователь обычно работает в импульсном режиме, что может создавать помехи радиоприему на определенных частотах.

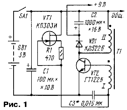
  Хороших результатов удалось добиться с устройством, схема которого показана на рис. 1. Его основой, как и устройства [1], является наиболее простой для реализации однотактный автогенератор с трансформаторной связью и обратным включением диода [2]. Собственно генератор выполнен на транзисторе VT2. Германиевый транзистор имеет малое сопротивление насыщения, и это обеспечивает легкий запуск и нормальную работу преобразователя при низком питающем напряжении.

 Преобразователь напряжения для радиоприемников

  На полевом транзисторе VT1 собран стабилизатор базового тока транзистора VT2, предназначенный для уменьшения зависимости выходного напряжения от напряжения источника питания. Диод VD1 и конденсатор С2 образуют однополупериодный выпрямитель импульсов выходного напряжения. При включении питания выключателем SA1 (выключатель радиоприемника) ток, протекающий через источник на транзисторе VT1 и обмотку I трансформатора Т1, открывает транзистор VT2. Через него начинается рост тока в обмотке II трансформатора Т1, в котором накапливается энергия. Спустя некоторое время коллекторный ток транзистора VT2 достигает максимума (для заданного базового тока ) и рост тока в обмотке II прекращается. Это происходит до насыщения сердечника трансформатора. Транзистор VT2 закрывается, и всплеск самоиндукции обмотки II через диод VD1 заряжает накопительный конденсатор С2. Далее циклы повторяются.

  При снижении ЭДС источника питания на 50 % (с 3 до 1,5 В) выходное напряжение уменьшается не более чем на 20 %. Радиоприемник сохраняет работоспособность при глубоком разряде батареи, вплоть до 1,2 В. Частота генерации зависит от напряжения питания. При номинальном напряжении 3 В частота генерации близка к 60 кГц, по мере разряда источника питания она плавно уменьшается, что объясняется большим временем накопления энергии в трансформаторе Т1, и при напряжении 2 В составляет около 30 кГц.

  Питание от нестабилизированного источника, конечно, несколько снижает выходную мощность приемника, но зато первичный ток, потребляемый от батареи, получается постоянным и относительно небольшим. Это зависит от тока покоя радиоприемников, который в большинстве случаев равен 6... 10 мА [3], и КПД преобразователя — около 60 %. Его величина — 30...45 мА — близка к рекомендуемым режимам разряда гальванических элементов 316 [3]. Для сравнения, броски тока в преобразователе [1] в пиках громкости достигали 200 мА.

 Преобразователь напряжения для радиоприемников

  В целях упрощения конструкции и уменьшения габаритов преобразователь собран не на печатной плате, а методом объемного монтажа — в виде кубика размерами 20х20х22 мм. Все детали размещены навесным способом с одной стороны трансформатора Т1. Готовый преобразователь помещают в корпус-экран, спаянный из медной или латунной фольги с отдельной крышкой, внешние размеры — 22х22х24 мм. Наиболее крупногабаритная деталь — конденсатор С2 — установлен внутрь тороидального трансформатора Т1. Сам трансформатор выполнен на магнитопроводе К20х10х5 из двух склеенных ферритовых колец марки 2000НМ 1. Обмотки выполнены проводом ПЭВ-2 0,57 и равномерно распределены по окружности, обмотка I имеет восемь витков, а обмотка II — 11 витков. Вместо тороидального можно применить и броневой магнитопровод типа Б22 с теми же намоточными данными. Однако в этом случае конденсатор С2 придется разместить (приклеить) снаружи трансформатора Т1, что увеличит габариты устройства.

  Транзистор VT2 ГТ122В должен иметь коэффициент усиления не менее 100. Его можно заменить на МП37А, МП38А, кремниевые транзисторы применять нельзя. Полевой транзистор серии КП303 можно использовать также с индексами В, Г, Д, Е с напряжением отсечки не более 1 В. Конденсаторы С1 и С2 — оксидные импортные, с возможно меньшими габаритами.

  Налаживание преобразователя несложно. Включив приемник и полностью убрав звук регулятором громкости, подбирают резистор R1 так, чтобы напряжение на выходе преобразователя составило 9 В. При этом первичный ток, потребляемый от батареи, должен быть в пределах 30...45 мА. После этого проверяют работу приемника на всех частотах и диапазонах. К сожалению, в столь простой конструкции часто не удается полностью избавиться от помех. Если на некоторых частотах будут возникать интерференционные свисты, то можно попробовать устранить их подбором (в небольших пределах) емкости конденсатора СЗ. Чтобы приемник устойчиво работал при большой громкости, желательно также увеличить емкость его развязывающих оксидных конденсаторов в 2...4 раза.

  Описанный преобразователь применен в двухдиапазонном (СВ-ДВ) приемнике третьей группы сложности — "Кварц-302". Блок 1 установлен на имеющемся свободном месте рядом с отсеком питания (рис. 2). Два элемента питания 316 (АА) по размерам близки габаритам батареи "Крона" и размещаются в отсеке питания приемника. Ток, потребляемый от батареи, составил 36 мА.

ЛИТЕРАТУРА
1. Вотинцев Н. Преобразователь напряжения с ШИ стабилизацией. — Радио, 1985,№ 10,с.27.
2. Журавлев А. А., Мазель К. Б. Преобразователи постоянного напряжения на транзисторах. — М.: Энергия, 1974.
3. Устройства электропитания бытовой РЭА. — М.: Радио и связь, 1991.

Радио №2, 2000
А. ПАХОМОВ
г. Зерноград

Источник: shems.h1.ru

Партнеры