Что-то не так?
Пожалуйста, отключите Adblock.
Портал QRZ.RU существует только за счет рекламы, поэтому мы были бы Вам благодарны если Вы внесете сайт в список исключений. Мы стараемся размещать только релевантную рекламу, которая будет интересна не только рекламодателям, но и нашим читателям. Отключив Adblock, вы поможете не только нам, но и себе. Спасибо.
Как добавить наш сайт в исключения AdBlockРеклама
Выпрямитель на логическом элементе
|
Известно, что входные цепи цифровых микросхем структуры КМОП снабжены защитными диодами. Это обстоятельство в ряде случаев позволяет "экономить" детали (в частности, выпрямительные диоды) и место на плате, используя свободные логические элементы или триггеры. О том, как это сделать, пойдет речь в предлагаемой статье.
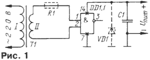
Выпрямителем могут служить не только логические элементы, но и другие функциональные узлы, например, триггер. В тех случаях, когда необходимо стабилизировать выходное напряжение выпрямителя, параллельно конденсатору С1 включают маломощный стабилитрон, а балластный резистор вводят в цепь одного из выводов вторичной обмотки (рис. 1). Разумеется, работать выпрямителем могут только те микросхемы, у которых входы элементов (функциональных узлов) защищены диодами. Убедиться в наличии этих диодов очень легко — с помощью любого авометра, включенного омметром.
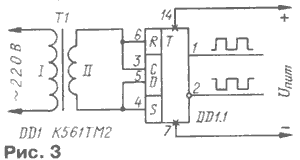
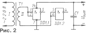
Если вы включите триггер К561ТМ2 так, как показано на рис. 3, то получите выпрямитель на ток нагрузки до 40 мА (результат не изменится, если с входом R будет соединен вход D, а с S — С), а с выходов триггера можно будет снять две противофазные последовательности прямоугольных импульсов частотой 50 Гц. Такие же две последовательности, кстати, присутствуют на выходах логических элементов выпрямителя по схеме на рис. 2. А. САМОЙЛЕНКО |
Каждый сигнальный вход логического элемента или другого функционального узла современной микросхемы КМОП, как известно, зашунтирован защитными диодами (например, VD1—VD6 на схеме рис. 1 в книге С. Бирюкова "Цифровые устройства на МОП-интегральных микросхемах". — М.: Радио и связь, 1990). Видно, что защитные диоды двух входов элемента образуют мостовой выпрямитель. Если на два эти входа подать переменное напряжение со вторичной обмотки сетевого трансформатора, как это показано на рис. 1, то оно будет выпрямлено диодным мостом и подано на выводы 14 и 7 микросхемы. Выпрямленное напряжение сглаживает конденсатор С1. Остальные логические элементы микросхемы можно использовать по прямому назначению, т. е. для выполнения логических операций над импульсными сигналами, сборки RS-триггеров, построения генераторов и т. д. Если устройство состоит из двух-трех корпусов, достаточно соединить их плюсовые выводы питания и отдельно минусовые. Потребляемый от описанного выпрямителя ток не должен превышать 20 мА.
Если в блоке питания использовать два логических элемента (рис. 2), то выпрямитель выдерживает ток нагрузки до 40 мА, так как диоды в нем окажутся включенными попарно параллельно. При использовании в выпрямителе четырех элементов потребляемый нагрузкой ток удваивать уже не следует из-за возможной неидентичности характеристик диодов — нужно ограничиться током 50...60 мА. Напряжение вторичной обмотки трансформатора Т1 не должно превышать 10...11 В (эффективное значение).
Оставив в выпрямителе по схеме рис. 2 один вход любого элемента свободным и подав на него импульсы частотой f от внешнего генератора, вы получите возможность одновременно с выпрямлением (ток нагрузки — 20 мА) формировать на выходе этого элемента пачки импульсов. Если частота f больше частоты сети, это будут пачки частоты f, повторяющиеся с частотой сети, а если меньше — пачки сетевой частоты, следующие с частотой f.