LAB599.RU — интернет-магазин средств связи
EN FR DE CN JP

Зарядное устройство




Зарядное устройство

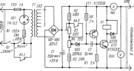
  Устройство в условиях хранения аккумулятора в зимнее время позволяет автоматически включать его на зарядку при снижении напряжения и также автоматически выключать зарядку при достижении напряжения, соответствующего полностью заряженному аккумулятору. Схема обеспечивает два режима работы — ручной и автоматический. В ручном режиме работы тумблер SA1 находится во включенном состоянии. После включения тумблера Q1 напряжение сети поступает на первичную обмотку трансформатора Т1 и загорается индикаторная лампочка HL1. Переключателем SA2 устанавливается необходимый ток зарядки, который контролируется амперметром РА1. Напряжение контролируется вольтметром PU1. Работа схемы автоматики на процесс зарядки в ручном режиме не влияет.

 Зарядное устройство

  В автоматическом режиме тумблер SA1 разомкнут. Если напряжение аккумуляторной батареи меньше 14,5 В, напряжение на выводах стабилитрона VD5 получается меньше, чем необходимо для его отпирания, и транзисторы VT1, VT2 заперты. Реле К1 обесточено и его контакты К1.1 и К1.2 замкнуты. Первичная обмотка трансформатора Т1 подключена к сети через контакты реле К1.1. Контакты реле К1.2 замыкают переменный резистор R3. Происходит зарядка аккумуляторной батареи. При достижении напряжения на аккумуляторе 14,5 В стабилитрон VD5 начинает проводить ток, что приводит к отпиранию транзистора VT1, а следовательно, и транзистора VT2. Срабатывает реле и контактами К1.1 выключает питание выпрямителя. Благодаря размыканию контактов К1.2 в цепь делителя напряжения включается дополнительный резистор R3. Это приводит к увеличению напряжения на стабилитроне, который теперь остается в проводящем состоянии даже после того, как напряжение на аккумуляторной батарее окажется меньше 14,5 В. Зарядка аккумулятора прекращается и наступает режим хранения, в процессе которого происходит медленный саморазряд. В этом режиме схема автоматики получает питание от аккумуляторной батареи. Стабилитрон VD5 перестанет пропускать ток только после того, как напряжение аккумуляторной батареи понизится до 12,9 В. Тогда вновь запрутся транзисторы VT1 и VT2, реле обесточится и контактами К1.1 включит питание выпрямителя. Вновь начнется зарядка аккумулятора. Контакты К1.2 также замкнутся, напряжение на стабилитроне дополнительно понизится, и он начнет пропускать ток только после того, как напряжение на аккумуляторе увеличится до 14,5 В, то есть когда аккумулятор будет полностью заряжен.

  Настройка узла автоматики зарядного устройства производится следующим образом. Соединитель ХР1 к сети не подключается. К соединителю ХР2 вместо аккумуляторной батареи присоединяется стабилизированный источник постоянного тока с регулируемым выходным напряжением, которое устанавливается по вольтметру, равным 14,5 В. Движок переменного резистора R3 устанавливается в нижнее по схеме положение, а движок переменного резистора R4 — верхнее по схеме положение. При этом транзисторы должны быть заперты, а реле обесточено. Медленно вращая ось переменного резистора R4, нужно добиться срабатывания реле. Затем на клеммах соединителя Х2 устанавливается напряжение 12,9 В и медленным вращением оси переменного резистора R3 нужно добиться отпускания реле. В связи с тем что при отпускании реле резистор R3 замыкается контактами К1.2, эти регулировки оказываются независимыми одна от другой. Сопротивления резисторов делителя напряжения R2—R5 рассчитаны таким образом, что срабатывание и отпускание реле должны происходить соответственно при напряжениях 14,5 и 12,9 В в средних положениях переменных резисторов R3 и R4. Если необходимы другие значения напряжений срабатывания и отпускания .реле, а пределов регулировки переменными резисторами окажется недостаточно, придется подобрать сопротивления постоянных резисторов R2 и R5. Реле - любого типа с двумя группами размыкающих или переключающих контактов, надежно работающее при напряжении 12 В. Можно, например, использовать реле РСМ-3 паспорт РФ4.500.035П1 или РЭС6 паспорт РФО.452.125Д.

В. Фомин
ВРЛ 108 

Источник: shems.h1.ru

Партнеры