Что-то не так?
Пожалуйста, отключите Adblock.
Портал QRZ.RU существует только за счет рекламы, поэтому мы были бы Вам благодарны если Вы внесете сайт в список исключений. Мы стараемся размещать только релевантную рекламу, которая будет интересна не только рекламодателям, но и нашим читателям. Отключив Adblock, вы поможете не только нам, но и себе. Спасибо.
Как добавить наш сайт в исключения AdBlockРеклама
Звуковой индикатор разряда 12V акумулятора
|
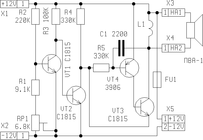
По случаю досталось мне два аккумулятора от ИБП Back-UPS 12V 7.2Ah (12 вольт, 7 a/час), которые я дома использую на случай отключения света: радио послушать, телик маленький посмотреть, да и телефон с АОНом чтобы работал (правда там есть отсек для батареек, но зачем они нужны, если есть аккумулятор). Разряжать же аккумулятор до уровня напряжения ниже допустимого не рекомендуется. Это приводит к снижению его емкости и преждевременному выходу из строя. Для 12-вольтового нижним порогом является напряжение 10 вольт, после чего требуется его зарядить. Стало быть надо регулярно тестером замерять напряжение или иметь индикатор разряда. Они бывают световые и звуковые. Как только напряжение снизится до 10 вольт выдаст звуковой сигнал. Наверняка такая проблема уже решена успешно давно, полазил по интернету и на глаза небольшая схемка. В отличие от моря других как то вызвала сразу доверие и порывшись в барахле собрал то что изобразил на схеме. ![]()
Сергей Чернов |

В дежурном режиме потребляемый ток не превышает 0.05 - 0.2 мА (ток саморазряда аккумулятора и то больше). Как только напряжение на аккумуляторе составит менее 10 вольт (буквально на 0.1 вольта, сам проверял) открываются транзисторы VT1
и VT2, после чего запускается автогенератор на транзисторах VT3 и VT4. Детали размещены на плате 60х60 мм. Пьезоизлучатель я применил от телефонного аппарата (от тонального звонка), дает достаточно громкости - базарит на всю комнату. Катушка намотана на каркасе от индуктивности фильтра БП персоналки и содержит 800 витков провода ПЭВ-2 диаметром 0.1 мм. Очень удобный каркас, натурально как катушка из под ниток и выводы запресованы снизу под печатный монтаж. Транзисторы подойдут любые маломощные. Комбинацией номинала конденсатора С1 и витков катушки L1 можно менять частоту генератора. У меня получилось около 800 герц. При исправных деталях нужно только установить порог срабатывания индикатора - 10 вольт. На этом настройка заканчивается. Можно контролировать и 6 вольт и 24 вольта, только подбирать номиналы придется самому.