LAB599.RU — интернет-магазин средств связи
EN FR DE CN JP
QRZ.RU > Каталог схем и документации > Схемы наших читателей > Дайджест радиосхем > Устройство регулировки скорости вентилятора

Устройство регулировки скорости вентилятора




Устройство регулировки скорости вентилятора

  Предлагаемое устройство позволяет автоматически регулировать скорость вращения вентилятора в зависимости от температуры охлаждаемого объекта, что в свою очередь снижает производимый вентилятором шум, а также продлевает срок его службы.

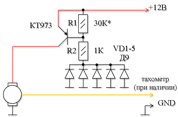
 Схема устройства регулировки скорости вентилятора

  Благодаря простоте предлагаемой схемы, монтаж можно осуществить в навесном варианте. При этом транзистор крепится на радиатор с помощью винта, через изолирующую прокладку, остальные детали приклеиваются токонепроводящим клеем. Так как в качестве термоэлементов используются диоды, необходимо обеспечить их тепловой контакт с радиатором (термопастой или клеем). Составной транзистор КТ973 можно заменить парой транзисторов КТ814 и КТ361. Подбором резистора R1 регулируют температуру включения вентилятора. Устройство особенно эффективно при работе вместе с программными кулерами, такими как , . Схема взята из журнала "Радио" и переработана инженером ЦЭС№8 Вовненко А.С.
Источник: shems.h1.ru

Партнеры