Что-то не так?
Пожалуйста, отключите Adblock.
Портал QRZ.RU существует только за счет рекламы, поэтому мы были бы Вам благодарны если Вы внесете сайт в список исключений. Мы стараемся размещать только релевантную рекламу, которая будет интересна не только рекламодателям, но и нашим читателям. Отключив Adblock, вы поможете не только нам, но и себе. Спасибо.
Как добавить наш сайт в исключения AdBlockРеклама
Связь на IRDA
|
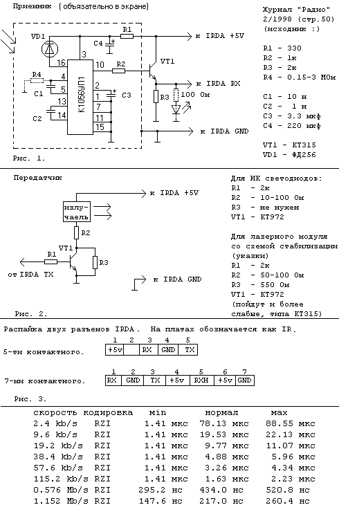
Схема приемника на рис.1. Схема передатчика на рис. 2. Распайка разъема IR на рис. 3. Таблица скоростей на рис. 4..Теперь о конструкции: Пока я незаэкранировал эту микросхему, я думал она не работает. Hа двухстороннем текстолите прорезаем маленькие квадратики под ножки, паяем микросхему. Вырезаем из консервной банки экран и закрываем всю конструкцию, нижнюю часть текстолита соединяем с экраном. Можно для начала без экрана попробовать, снизив чувствительность добавлением R4, но это так плохо работает. Максимальная скорость передачи, которую мне удалось достич 38.4 кбод. Это соответствеут 4.88 мкс, (204,918 кГц ). Ограничение вносит К1056УП1. Возможно, для повышения частоты требуетс изменение С1, С2, С3, но мне это не удалось (хотя я просто коротил емкости, а не изменял их). Hа 19.2 кбод связь уверенная, на 57.6 кбод передача начинается, но за одну, две секунды из хорошей превращается в очень плохую вплоть до разрыва связи. Думаю просто эти импульсы микросхема детектирует как помехи и снижает чувствительность. И ещЈ не нужно светить лезером(или светодиодом) с расстояния 1 м прямо в фотодиод это вызывает его перенасыщение и скорость падает до 2400, если у вас маленькие расстояния поставьте перед фотодиодом лист плотной бумаги. Схема не боится засветок, 100 Вт лампа с расстояния 10 см, не повлияла на работу никак. Для индакации я ставил параллельно R3 светодиод с резистором 100 Ом, тогда видно приходящий сигная визуально. Прежде чем подключать к компьютеру подайте на схему 5V и посветите любым пультом дистанционого управления (от видака, телика, СД). Резистор R3 я ставил для лазера, чтоб он еле еле светился. Я думаю, это повысит быстродействие, и продлит срок службы лазера. Уровни TTL, в 7-ми конактном разъеме есть сигнал RXH я незнаю что это и поэтому не применял его. Чтобы проще было разрабатывать под IR, спаяйте только один приемник и передатчик, а вместо второго канала пробросте провод RX-TX между разъемами. Объязательно соедените корпуса машин и выводы GND! Програмно: В win98 при включении IRDA оно найдется и поставится "Устройства ИК-связи", будут эмуляция LPT3 и СОМ4. Теперь можно через сом4 запустить "прямое соединение". Эти машины соеденяться в сеть. Hа win95 это я тоже делал, но там больше ручной работы. Подробно о работе в статье "Инфракрасный порт и работа с ним" Автор: Слава Ермохин
|