Что-то не так?
Пожалуйста, отключите Adblock.
Портал QRZ.RU существует только за счет рекламы, поэтому мы были бы Вам благодарны если Вы внесете сайт в список исключений. Мы стараемся размещать только релевантную рекламу, которая будет интересна не только рекламодателям, но и нашим читателям. Отключив Adblock, вы поможете не только нам, но и себе. Спасибо.
Как добавить наш сайт в исключения AdBlockРеклама
Подсоединяем монитор "Электроника 6105" к IBM PC
|
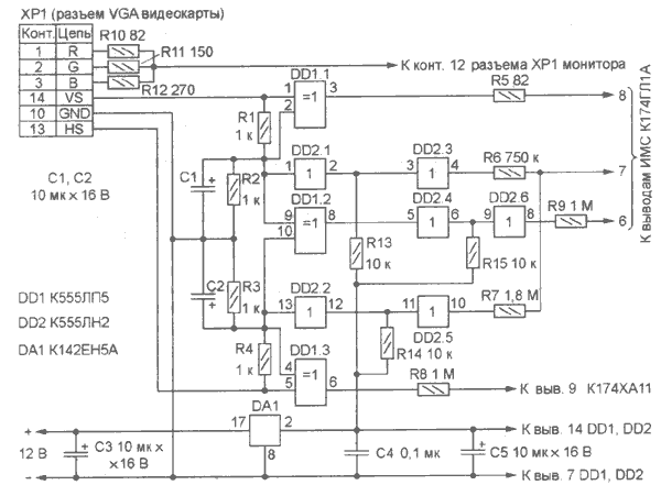
Не секрет, что некоторые начинающие пользователи компьютеров из-за ограниченности в средствах приобретают системные блоки, которые по современным меркам считаются морально устаревшими. Сэкономить на покупке другого важного компонента компьютера — монитора поможет предлагаемая статья. В ней описывается несложная доработка черно-белого отечественного монитора, позволяющая использовать его с IBM-совместимым ПК. В первую очередь изготавливают узел сопряжения монитора с видеокартой компьютера, схема которого изображена на рисунке. Узел обеспечивает формирование импульсов синхронизации положительной полярности независимо от полярности входных, а также управляет размером изображения по вертикали и частотой кадров в зависимости от видеорежима. В разных видеорежимах используется разная частота кадровой развертки, что приводит к изменению размера по вертикали. Для опознавания режима используется информация о полярности синхроимпульсов. Сопротивление резисторов R1—R4 выбирают из условия обеспечения необходимого напряжения низкого уровня на входах логических микросхем, не перегружая при этом усилители на выходе видеокарты, а емкость конденсаторов С1 и С2 — такой, чтобы сохранялось неизменное напряжение в течение одного кадра. Иными словами, постоянные времени цепей R1 C1 и R4 C2 должны быть много больше частного 1/f, где f — частота кадров. Резисторы R5 и R8 защищают входы микросхем монитора, ограничивая максимальный ток. Резисторы R6 и R7 необходимо подобрать таким образом, чтобы размер растра по вертикали стал одинаковым во всех видеорежимах. Резистор R9 корректирует частоту кадров. Питают узел сопряжения стабилизированным напряжением 5 В. Напряжение 12В снимают с блока питания системного блока ПК.
Смонтированный узел устанавливают внутри монитора. Контакты 10 (экран), 13 (синхросигнал строчной развертки HSYNG) и 14 (синхросигнал кадровой развертки VSYNG) разъема VGA видеокарты соединяют непосредственно с платой узла сопряжения. Контакты 1,2,3, передающие видеосигнал соответственно красного (R), зеленого (G) и синего (В) цветов через резисторы R10—R12 (их устанавливают в вилке разъема VGA) с соотношением сопротивлений 1/2/4, соединяют с контактом 12 ("Видео") разъема ХР1 монитора. Затем дорабатывают сам монитор. Резистор R29 (здесь и далее указаны позиционные обозначения по его принципиальной схеме) заменяют резистором сопротивлением 390 Ом, а межд выводами базы и коллектора транзистора VT6 впаивают резистор сопротивлением 1,5 кОм (он будет задавать режим работы видеоусилителя). Основную частоту строчных импульсов определяет конденсатор С21 (4700 пФ), подключенный к выводу 14 микросхемы К174ХА11. Для повышения частоты импульсов до 31 кГц на его место устанавливают конденсатор КТ-1 емкостью 2000 пф группы М47 (подойдет и любой другой такого номинала с небольшим ТКЕ). При повышении частоты строчной развертки значительно уменьшается размер по горизонтали (из-за увеличения реактивного сопротивления отклоняющей системы). Для получения максимально возможной ширины кадра отклоняющую систему (ОС) кинескопа подключают к выводу 4 ТВС Кроме того, заменяют резистор смещения по горизонтали R46 (220 кОм) резистором сопротивлением 160 кОм и устанавливают резистор с номиналом 3 Ом в разрыв цепи 1-6—база транзистора VT9. Для сохранения прежнего размера растра при работе на повышенной частоте необходимо повысить напряжение питания узлов монитора до 12В, установив перемычку между контактными площадками под выводы эмиттера и коллектора транзистора VT1. Сам транзистор VT1 (КТ863А), а также VT2 (КТ683Е), VT3 (КТ3102БМ) и VT4 (КТ315В или КТ209) удаляют. С той же целью заменяют перемычкой резистор R65 (0,51 Ом) в цепи питания выходного каскада строчной развертки. Для достижения наибольшего размера по горизонтали удаляют элементы цепей регулировки линейности и размера по горизонтали (R66, R67, С53, С54, L7, L8). В цепи резонанса ОС удаляют конденсаторы С55 и С57 (оба емкостью 4,7 мкФ), а С61 такого же номинала заменяют конденсатором емкостью в 2...4 раза меньшей, подобрав его по минимальным нелинейным искажениям по горизонтали. Наконец, вместо С45 (0,05 мкФ) устанавливают конденсатор емкостью на 1—2 порядка меньшей. В завершение с помощью специальных тестовых программ (авторы использовали Nokia Monitor Test V1 .OA и Checkit 4.0) проверяют и при необходимости подстраивают регулировочными резисторами (R10 — частоту кадров, R11 — размер по вертикали, R12 — линейность по вертикали, R13—частоту строк) и магнитами на горловине кинескопа геометрические характеристики изображения. ЛИТЕРАТУРА Радио №4, 2002 |