LAB599.RU — интернет-магазин средств связи
EN FR DE CN JP

Регулятор скорости вентилятора




Регулятор скорости вентилятора

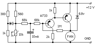
  Предлагаемая ниже схема обеспечивает простую регулировку оборотов вентилятора без контроля оборотов. В устройстве использованы отечественные транзисторы КТ361 и КТ814. Конструктивно плата размещается непосредственно в блоке питания, на одном из радиаторов и имеет дополнительные посадочные места для подключения второго датчика (внешнего) и возможность добавить стабилитрон, ограничивающий минимальное напряжение, подаваемое на вентилятор.

 Регулятор скорости вентилятора

Рис.1 Принципиальная схема регулятора.
 Регулятор скорости вентилятора - фото  Внешний вид печатной платы  Регулятор скорости вентилятора - плата

Рис.2 Внешний вид и топология печатной платы.
Источник: shems.h1.ru

Партнеры