LAB599.RU — интернет-магазин средств связи
EN FR DE CN JP
QRZ.RU > Каталог схем и документации > Схемы наших читателей > Дайджест радиосхем > Устройство автоперезагрузки компьютера при зависании

Устройство автоперезагрузки компьютера при зависании




Устройство автоперезагрузки компьютера при зависании

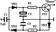
  Признаком нормальной работы компьютера в данном случае служит наличие сигнала на выходе TxD одного из COM портов. Защищаемая от "зависания" программа должна постоянно выводить в него данные. Какие - значения не имеет. Это может быть полезная информация, предназначенная для подключЈнного к порту устройства, либо другая, лишь бы сигнал на выходе TxD не прерывался на длительное время.

 Устройство автоперезагрузки компьютера при зависании
C1 - 1мк
C2 - 10мк x 16В
C3 - 2,2мк
R1 - 47кОм
R2 - 47кОм
VD1 - КД521, КД522
VD2 - КД521, КД522
VD3 - КД521, КД522
VT1 - КТ3102Е

  Значения выпрямленного диодами VD1 и VD2 напряжения на конденсаторах C2 и C3 равны по абсолютной величине (~10 В), но противоположны по знаку. В результате напряжение на базе транзистора VT1 близко к нулю и он закрыт. После прекращения сигнала TxD конденсатор C3 разряжается быстрее, чем C2, Јмкость которого в несколько раз больше. Напряжение на базе транзистора VT1 становится положительным и открывает его. Цепь "Сброс" компьютера соединяется с общим проводом до полной разрядки конденсатора C2.

  В результате компьютер начнЈт работу с загрузки операционной системы и выполнения команд Autoexec.bat. Среди них не должно быть команд, требующих вашего присутствия (например, ввод пароля). Только загрузка необходимых резидентных драйверов и вызов рабочей программы. В течении всего перезапуска "сторож" не оказывает влияния на работу компьютера, т.к. сигнал TxD отсутствует, конденсаторы разряжены, а транзистор закрыт. С появлением сигнала первым заряжается конденсатор C3, затем C2, и устройство готово к работе.

  До того, как опробовал у себя эту схему, я и не подозревал, что Винда настолько глюченая. С другими ОСями никаких проблем (DOS, Linux). Под Widows надо делать большую задержку. Обязательно разберитесь с подключением на "Reset", а то может сгореть транзистор. Резисторы достаточно взять мощностью 0,125 Вт. Заменять диоды можно без проблем на однотипные: у меня стоят КД521.
Источник: shems.h1.ru

Партнеры