LAB599.RU — интернет-магазин средств связи
EN FR DE CN JP

Тестер для витой пары




Тестер для витой пары

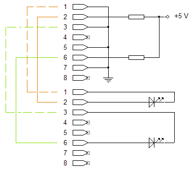
С помощью этого тестера можно проверить на обрыв сетевой кабель 10/100 мегабит.
Резистор подбирается под нормальное свечение светодиодов, примерно 1 кОм.

 Тестер для витой пары
Источник: shems.h1.ru

Партнеры