LAB599.RU — интернет-магазин средств связи
EN FR DE CN JP

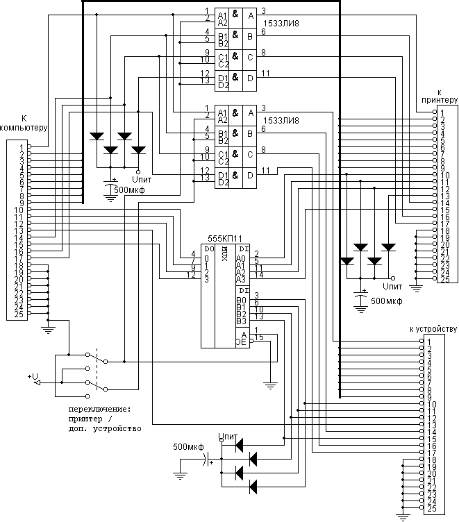
Коммутатор двух устройств для LPT порта




Коммутатор двух устройств для LPT порта

  При помощи этой схемы можно подключить к одному порту для принтера 2 устройства. Это может быть полезно, например, при соединени 2-х компьютеров через LPT порт для принтера, когда в этот порт ещЈ должен подключаться принтер.

 Комутатор для LPT порта
Источник: shems.h1.ru

Партнеры