LAB599.RU — интернет-магазин средств связи
EN FR DE CN JP

Универсальный паралельный адаптер




Универсальный паралельный адаптер

  Универсальный параллельный адаптер предназначен для подключению к компьютеру различных устройств с цифровыми входами. Например, он может использоваться для записи информации в ПЗУ, прямого управления шаговыми двигателями, для налаживания различных электронных схем в качестве эмулятора и т.д.. При наличии соответствующего программного обеспечения многие из перечисленных задач можно выполнить используя только порт компьютера, но при этом возникает вполне реальный риск выхода порта из строя, так как его выходы не имеют защиты и рассчитаны на подключение только одного вывода, а для ремонта может потребоваться замена материнской платы. Кроме того для подключения к параллельному порту чего либо необходимо предварительно выключить компьютер. Адаптер устраняет эти проблемы и позволяет думать в первую очередь о разрабатываемой схеме, а не о том как бы в процессе ее создания не спалить компьютер.

 Универсальный паралельный адаптер

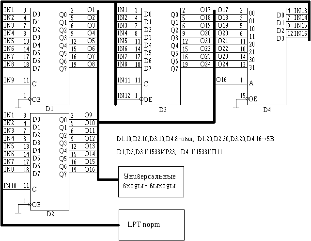
  Идея использовать параллельный порт для выдачи и приема цифровых сигналов с ТТЛ уровнями не нова, например в [1] приводится подобная схема. Предлагаемый здесь адаптер отличается простотой, при возможностях достаточных для большого количества применений. К тому же если Вам через какое то время понадобится увеличить количество входов-выходов можно просто собрать такую же схему и подключить ее по приведенной ниже таблице. Хотя если предполагается что выводов одной схемы сразу будет недостаточно лучше использовать более мощный вариант. Схема состоит из трех регистров и одного мультиплексора. Все регистры включены по одинаковой схеме, за исключением третьего, его выходы могут быть переведены в высокоомное состояние, поэтому к нему так же подведен управляющий сигнал разрешения включения выходов ОЕ. Информационные входы всех регистров объединены и подключены к соответствующим выходам параллельного порта компьютера, так как используется ТТЛШ серия, то допустимо нагружать один выход порта на несколько входов микросхем. Для стробирования используются управляющие линии порта, подключенные ко входам С регистров. Для увеличения количества входов используется мультиплексор D4.

  Схема подключается к параллельному порту, так же необходимо подвести питание +5В к микросхемам, лучше всего для этого использовать блок питания компьютера. В моем варианте собранная схема находится внутри компьютера, подключается к внутреннему разъему LPT порта на системной плате, для питания использует 4 контрактный разъем, а рабочие выходы выведены на 32 контактный разъем вмонтированный в заглушку от отсека 5,25 на передней панели. На этот же разъем выведены напряжения питания +5, +12 вольт. При необходимости увеличить количество выводов можно собрать второй такой же блок и подключить его в соответствии с приведенной ниже таблицей к первому, подключенному к компьютеру. При этом появятся дополнительно несколько входов и выходов, но время доступа увеличится. Для подключения к внешнему устройству используются цепи О1...О24, из них О1...О16 являются обычными выходами, а О17-О24 могут использоваться как входы или выходы. Цепь О16 параллельно используется для внутренних нужд.

Подключение к параллельному порту

Вывод порта Тип Название вывода Цепь адаптера
2 O D0 IN1
3 O D1 IN2
4 O D2 IN3
5 O D3 IN4
6 O D4 IN5
7 O D5 IN6
8 O D6 IN7
9 O D7 IN8
1 O -STROBE IN9
14 O -AUTO FD IN10
16 O -INIT IN11
17 O -SLCT IN IN12
10 I -ACK IN13
11 I BUSY IN14
12 I PE IN15
13 I SLCT IN16
18...25 - GND общ.



Подключение второго адаптера для увеличения количества выводов

Первый Второй Первый Второй
O1 I1 O9 I9
O2 I2 O10 I10
O3 I3 O11 I11
O4 I4 O12 I12
O5 I5 O17 I13
O6 I6 O18 I14
O7 I7 O19 I15
O8 I8 O20 I16

  Программа должна писаться для каждого конкретного случая использования устройства отдельно, поэтому я не привожу здесь никаких вариантов, а только рассматриваю основные принципы программного управления схемой. Практически любой язык программирования имеет функции позволяющие записать число по заданному адресу в порт ввода-вывода. Управление схемой осуществляется через вызовы таких функций. Для записи 8 битного числа в буферный регистр схемы, необходимо записать его в регистр данных параллельного порта, затем записать в в регистр управления любое число имеющее в соответствующем разряде единицу (соответствующем выводу С выбранного буферного регистра) и затем в него же ноль. Для чтения 4х бит данных достаточно просто прочитать регистр состояния порта, для чтения остальных бит предварительно измените состояние линии О16. Необходимо учитывать то что некоторые входные и выходные линии порта проинвертированы. Адреса регистров для LPT1 приведены в таблице и верны для большинства компьютеров, но для корректного определенья адресов следует использовать данные BIOS.

Регистр данных378h
Регистр состояния379h
Регистр управления37Ah

Источник: shems.h1.ru

Партнеры