LAB599.RU — интернет-магазин средств связи
EN FR DE CN JP
QRZ.RU > Каталог схем и документации > Схемы наших читателей > Дайджест радиосхем > Переделка старых блоков питания компьютера АТ в АТХ

Переделка старых блоков питания компьютера АТ в АТХ




Переделка старых блоков питания компьютера АТ в АТХ

 АТ в АТХ

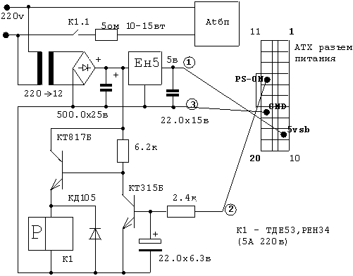
  У многих имеются старые блоки питания конструктива АТ. Предлагаемая несложная доработка блока питания вашего компьютера позволит вам получить блок конструктива АТХ. Аналогичные схемы переделки уже публиковались и это одна из таких схем. После переделки блок АТ будет содержать главную функцию - возможность отключения по окончании работы вашего компьютера и включении его, как в блоке конструктива АТХ. Вся переделка блока питания конструктива АТ хорошо видна на рисунке. Все дополнительные элементы устанавливаются в блоке питания вашего компьютера, а дополнительные соединительные провода припаиваются и выводятся из блока питания на АТХ разъем питания на материнской плате вашего компьютера.

А. Манойленко (UN9LK)
Источник: shems.h1.ru

Партнеры