|
Удлинаяем COM порт на 200 метров

[ Увеличить в новом окне ]
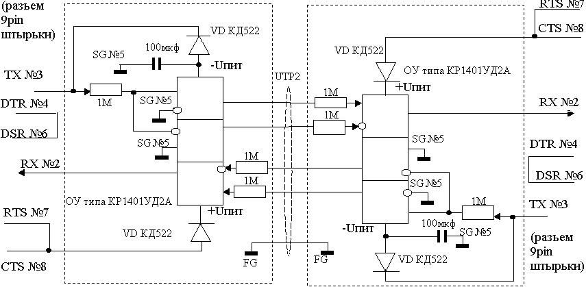
Кабель используется типа UTP2. Схема размещается в корпусе переходника 9-9pin. Прием-передача выполнены по балансной схеме и являются помехозащищенными. Питание берется с Com портов, т.е. уровни входных напряжений сигнала согласованы. Дальность достигается за счет того, что входные токи ОУ порядка 10 nA а выходные порядка 2 mA за счЈт чего достигается высокая чувствительность. Сопротивления выбраны такие для того чтобы схема работала и в случае возникновения наводок ограничить входные токи. Все элементы дешевые. К тому же защищается Com порт, высокое напряжение в линии сожжет ОУ, а не порт.
Проверить правильность сборки можно подключив преобразователь к Com порту, на стороне линии соединить прием с передачей (соблюдая полярность сигнала) запустить терминальную программу и нажимая клавиатуру на экране должны отражаться нужные символы (при включЈнном "локальном эхе" дублироваться).
Чижов Алексей г. Вологда chijov (at) yandex.ru
Источник: shems.h1.ru
|