LAB599.RU — интернет-магазин средств связи
EN FR DE CN JP

Система радиоуправления игрушками




Система радиоуправления игрушками

Основые технические данные Дальность действия 10 метров Рабочая частота передатчика 27,12 МГц Мощность передатчика 4-10 мВт Потребление тока передатчиком 20 мА Потребление тока приемником 20 мА Чувствительность приемника 100 мкВ Количество команд 4 Вес приемника, не более 70 г Вес передатчика в сборе 150 г Вес командоаппарата, не более 70 г Питание приемника и передатчика 9В

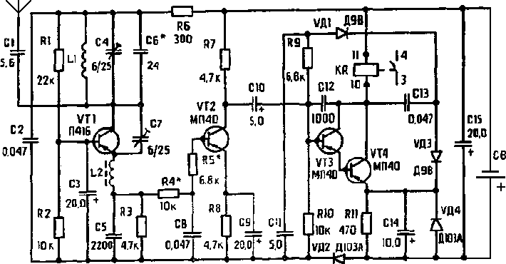
  Передатчик состоит из модулятора и генератора высокой частоты (рис.1). Модулятором передатчика служит симметричный мультивибратор, собранный на низкочастотных транзисторах VT2 и VT3 типа МП40.

 Система радиоуправления игрушками Рис.1

  Генератор высокой частоты собран на транзисторе VT1 типа П416 по схеме с емкостной обратной связью. При открытом транзисторе модулятора VT2 цепь генератора замыкается на плюс батареи, генератор возбуждается на рабочей частоте, сигнал высокой частоты излучается антенной. Приемник состоит из высокочастотного каскада, усилителя низкой частоты и электронного реле. Высокочастотный каскад приемника представляет собой сверхрегенератор. Сверхрегенератор собран на высокочастотном транзисторе VT1 типа П416 (рис.2).

 Система радиоуправления игрушками Рис.2

  При отсутствии сигнала на эмиттерной цепочке С5 R3 наблюдаются колебания частоты гашения. Частота гашения определяет чувствительность сверхрегенератора на его рабочей частоте и подбирается элементами С5, R3. Командный сигнал передатчика выделяется контуром L1-С4, усиливается и детектируется сверхрегенератором. Фильтр R4-С8 пропускает сигнал команды низкой частоты на вход усилителя VT2, отделяя при этом частоту гашения более высокого порядка. Электронное реле собрано на транзисторах VT3-VT4 типа МП40, п коллектор транзистора VT4 включено исполнительное реле КР типа РСМ-1. Напряжение низкой частоты командного сигнала усиливается транзисторами VT3-VT4 и подается через конденсатор С13 на вы-прямительную ячейку УД1, УДЗ. Выпрямленное напряжение через резистор R9 поступает на базу транзистора VT3. При этом эмиттерный ток транзистора VT3 резко увеличивается, транзистор VT4 открывается. Реле срабатывает, замыкая цепь питания двигателя командоаппарата.

  Командоаппарат состоит из электродвигателя, храпового механизма, программного диска и распределительных скользящих контактов. Программный диск, боковая сторона которого представляет собой систему перемычек, коммутирует через распределительные скользящие контакты питание двигателей привода и других электрических элементов игрушки.

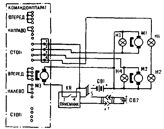
  На схеме (рис.3) показан один из вариантов электрооборудования радиоуправляемой игрушки. В игрушке имеются два приводных двигателя, которые обеспечивают движение вперед и повороты налево и направо. Лампочки задних фонарей игрушки служат сигналами поворота. Две фары создают эффект освещения пути движения игрушки.

 Один из вариантов электрооборудования радиоуправляемой игрушки Рис.3

  Для приема сигналов команды от передатчика в игрушку вмонтированы приемник и Командоаппарат. Двигатель привода и командоаппарата, а также лампочки питаются от двух последовательно соединенных батарей типа 3336Л(У) (GB1). Для питания приемника служит батарея "Крона-ВЦ" (GB2). Для выключения батареи служит двухполюсный выключатель S. При поступлении сигнала команды от передатчика срабатывает реле КР, приемника и своими контактами включает электродвигатель командоаппарата (рис.4) МЗ.

 Командоаппарат
Рис.4. Командоаппарат

  Электродвигатель МЗ с помощью храпового механизма поворачивает программный диск на 30°, что соответствует переключению одной команды. Команды меняются периодически. На схеме показана последовательность команд за один цикл. Программный диск через распределительные скользящие контакты включает электродвигатели привода и лампочки игрушки следующим образом:

  • В положении "вперед" замкнуты контакты 1, 2, 3, 4, включены двигатели М1 и М2, а также лампочки Н1, Н2, НЗ, Н4.
  • В положении "направо" замкнуты контакты 1, 2, при этом включены двигатель М1 и лампочка НЗ.
  • В положении "стоп" все контакты разомкнуты.
  • В положении "налево" замкнуты контакты 1, 3, при этом включены двигатель М2 и лампочка Н4.

  Указания по монтажу и наладке системы. Размещение приемника в игрушке желательно производить на максимальном удалении от эл. двигателей и электромагнитов. Для защиты приемника от помех, создаваемых электродвигателями, рекомендуется включать параллельно электродвигателям электролитические конденсаторы 10-20 мкф рабочим напряжением 10-12 вольт, соблюдая полярность включения. К приемнику необходимо подключить антенну. В качестве антенны может быть использован штырь или провод диаметром 1,0-2,0 мм, длиной не менее 20 см. Антенну необходимо изолировать от корпуса игрушки. В качестве изоляторов можно использовать детали из керамики, фторопласта, оргстекла или полистирола. С увеличением длины антенны дальность управления увеличивается. Приемник необходимо закрыть крышкой из изоляционного материала для защиты от пыли и влаги. Расстояние от печатной платы до основания, на котором укреплен приемник, должно быть не менее 5 мм. Расположение элементов на печатной плате показано на рис.5.

 Расположение элементов на 
печатной плате

  После монтажа электрической схемы и проверки работоспособности (порядок включения указан далее) необходимо подстроить приемник на максимальную чувствительность. Подстройка производится с помощью конденсатора С4 (см. принципиальную схему и чертеж приемника). Поворачивая ротор конденсатора изоляционной отверткой, необходимо найти положение, при котором срабатывание реле происходит при максимальном удалении игрушки ог передатчика. Командоаппарат закрепляется на горизонтальной платформе с помощью лапок.
Источник: shems.h1.ru

Партнеры