Что-то не так?
Пожалуйста, отключите Adblock.
Портал QRZ.RU существует только за счет рекламы, поэтому мы были бы Вам благодарны если Вы внесете сайт в список исключений. Мы стараемся размещать только релевантную рекламу, которая будет интересна не только рекламодателям, но и нашим читателям. Отключив Adblock, вы поможете не только нам, но и себе. Спасибо.
Как добавить наш сайт в исключения AdBlockРеклама
Простой однокомандный ПДУ
|
В настоящее время вся сложная бытовая техника снабжается пультами дистанционного управления. Однако существует много старых телевизоров, не имеющих таких пультов. В последнее время на всех каналах господствует телевизионный разбой. Это выражается в том, что рекламные вставки включаются с большим уровнем громкости. Особенные неудобства это создает в ночное время, когда вся семья спит, а телевизор смотрит один человек. Предлагаемый пульт дистанционного управления (ПДУ) можно применить для выключения громкости телевизора во время рекламы. Хотя его можно применить везде, где необходимо дистанционное включение- выключение электроприборов, например, освещения. Этот ПДУ может оказать неоценимую услугу людям с ограниченной подвижностью. ПДУ состоит из передатчика и приемника. Передатчик ПДУ – это пластмассовый корпус, в котором собрана схема, показанная на рисунке 1.
Размеры корпуса определяют размеры батарейки типа 6F22 (Крона) и электролитического конденсатора емкостью 2000 – 4000 мкф. Кнопочный переключатель без фиксации можно поставить типа МП3-1, МП1-1 и т.п. Вместо передатчика можно использовать лазерную указку с расширяющей насадкой. В последнем случае дальность управления значительно увеличивается, но процесс наведения на фотоприемник усложняется. Приемник ПДУ состоит из фотоприемника-усилителя (ФПУ) и схемы фиксации команд. ФПУ лучше применить стандартный от первых выпусков ПДУ типа ФП-2 или ПИ-5. Схема фиксации команд дана на рисунке 2.
Сигнал с ФПУ запускает ждущий одновибратор, собранный на элементах DD1.1, DD1.2 и, через инвертор DD1.3 переключает триггер на микросхеме DD2.1. Триггер включен в счетном режиме. Положительный уровень напряжения с прямого выхода триггера, через ключевой транзистор VT1, включает реле К1. Контакты реле размыкают звуковой канал возле резистора регулировки громкости (на схеме не показано). Для коммутации силовых устройств, можно применить схему на симисторе, показанную на рисунке 3. Реле К1 типа РЭС49 паспорт РС4.569.426 или РЭС15 паспорт РС4.591.003.
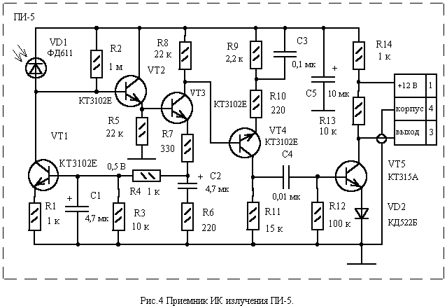
Если вы не смогли приобрести готовый ФПУ, то его можно сделать самому по схеме на рисунке 4 [1]. Необходимо только помнить, что схема очень чувствительная, поэтому требует экранированного корпуса. При размещении фотоприемника его необходимо немного утопить в корпусе и прикрыть темным оргстеклом, так, как фотоприемник реагирует на лампы накаливания.
Литература: С.А.Ельяшкевич, Цветные телевизоры 3УСЦТ, Справочное пособие, М. «Радио и связь», 1989.
|