Что-то не так?
Пожалуйста, отключите Adblock.
Портал QRZ.RU существует только за счет рекламы, поэтому мы были бы Вам благодарны если Вы внесете сайт в список исключений. Мы стараемся размещать только релевантную рекламу, которая будет интересна не только рекламодателям, но и нашим читателям. Отключив Adblock, вы поможете не только нам, но и себе. Спасибо.
Как добавить наш сайт в исключения AdBlockРеклама
ТИРИСТОРЫ СИММЕТРИЧНЫЕ ТС106-10, ТС112-10, ТС112-16,
|
Симметричные тиристоры (симисторы) изготовлены на основе пятислойной кремниевой структуры (рис. 1) и предназначены для работы в коммутационной и регулирующей аппаратуре (светорегуляторы для ламп накаливания, коммутаторы нагрузок, аппараты импульсной сварки, регуляторы температуры для бытовых электроприборов, стабилизаторы тока и напряжения, мощные ультразвуковые генераторы и т. п.). Симистор способен проводить ток в обоих направлениях, заменяя таким образом два встречно-параллельно включенных тринистотора. Иными словами, у симистора нет постоянных анода и катода. ![]() рис. 1 Для определенности принято выводы симистора, включаемые в цепь нагрузки, обозначать цифрами 1 и 2. Если между выводами 1 и 2 симистора приложено рабочее напряжение, а открывающий импульс на управляющий электрод не подан, то сими стор закрыт и тока не проводит. Включают (открывают) симистор подачей на управляющий электрод импульса тока относительно вывода 2. В том случае, когда рабочее напряжение приложено плюсом к выводу 2, а минусом - к выводу 1, то симистор можно открыть импульсом любой полярности. Если же на выводе 2 минус, а на выводе 1 плюс рабочего напряжения, симистор может быть открыт только отрицательным управляющим импульсом. Это позволяет упростить регулирующую аппаратуру, работающую на переменном токе. Вместо импульсного открывающего тока на управляющий переход симистора можно подавать постоянный ток соответствующей полярности. Как и тринистором, симистором энергетически целесообразнее управлять короткими импульсами тока, длительностью в 2...3 раза большей времени включения прибора. рис. 2 Таблица 1.
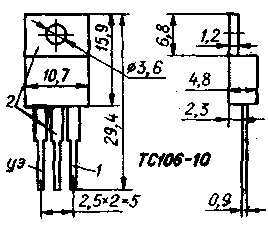
На рис. 2 и в табл. 1 показана типовая зависимость мощности цепи управления симистора ТС106-10 от скважности управляющих импульсов. Боковые линии, ограничивающие кривые 1-3, определяют допустимый разброс характеристик цепи управления, т. е. определяют зону гарантированного открывания симисторов. Симистор ТС106-10 оформлен в плоском пластмассовом корпусе с пластинчатыми выводами (рис. 3); масса прибора - не более 2,2 г. Маркировка симистора содержит, кроме типа, цифру, указывающую на его класс по повторяющемуся импульсному напряжению в закрытом состоянии и дату изготовления (месяц и год, например, 06.87). Иногда в маркировку вводят еще и цифру, обозначающую группу по критической скорости увеличения коммутационного напряжения (dU/dtt). рис. 3 Симисторы ТС112-Ю, ТС112-16, ТС122-20, ТС122-25, ТС132-40, ТС132-50, ТС142-63, ТС142-80 оформлены в цилиндрическом металлостеклянном корпусе, снабженном массивным шестигранным фланцем - теплоотводом с резьбовой шпилькой для крепления прибора. Размеры корпусов симисторов указаны на рис. 4 и 5 и в табл. 2. рис. 4
Рис.5 Таблица 2.
Маркировка приборов состоит из букв ТС (тиристор симметричный) и цифр, означающих: первая - порядковый номер модификации, вторая - в кодированном виде размер "под ключ" шестигранника фланца, третья - обозначение конструктивного исполнения корпуса. Далее через дефис следует число, указывающее в амперах максимально допустимый ток в открытом состоянии. Затем через дефис указывают число, означающее класс прибора по повторяющемуся импульсному напряжению в закрытом состоянии, и еще через дефис - группу по критической скорости увеличения коммутационного напряжения. Иногда указывают код климатического исполнения и категории размещения (кроме У2). Рядом с маркировкой размещают дату изготовления прибора (месяц и год) и товарный знак предприятия-изготовителя. Классов по повторяющемуся импульсному напряжению предусмотрено 12. Класс 1 - 100 В, 2 - 200 В, 12 - 1200 В. Групп по критической скорости увеличения коммутационного напряжения - 7. Группа 1 - 2,5 В/мкс, 2 - 4 В/мкс, 3 - 6,3 В/мкс, 4-10 В/мкс, 5-16 В/мкс, 6-25 В/мкс и 7 - 50 В/мкс. Симисторы серий ТС122, ТС132 и ТС142 выпускают в двух вариантах, отличающихся только конструкцией выводов 1 и уэ (управляющий электрод). Основные технические характеристики симисторов серий ТС112, ТС122, ТС132, ТС142 указаны в табл. 3. Таблица 3.
1) При температуре корпуса 85°С.
Симисторы устойчивы к воздействию многократной смены температуры окружающей среды от -50 °С до максимально допустимого значения для структуры, а также к воздействию влажного тепла при температуре -(-35 °С и влажности до 98 %. Приборы могут работать в условиях воздействия механических нагрузок по группе М27 ГОСТ 17516-72 и одиночных ударов с длительностью импульса 50 мс и ускорением 4g. Вероятность безотказной работы за время 1000 ч - не менее 0,994. А. АНИСИМОВ | |||||||||||||||||||||||||||||||||||||||||||||||||||||||||||||||||||||||||||||||||||||||||||||||||||||||||||||||||||||||||||||||||||||||||||||||||||||||||||||||||||||||||||||||||||||||||||||||||||||||||||||||||||||||||||||||||||||||||||||||||
