Что-то не так?
Пожалуйста, отключите Adblock.
Портал QRZ.RU существует только за счет рекламы, поэтому мы были бы Вам благодарны если Вы внесете сайт в список исключений. Мы стараемся размещать только релевантную рекламу, которая будет интересна не только рекламодателям, но и нашим читателям. Отключив Adblock, вы поможете не только нам, но и себе. Спасибо.
Как добавить наш сайт в исключения AdBlockРеклама
Как проверить ДУ или ИК светодиод
|
D1- любой импортный с малым потреблением Еще один индикатор световых импульсов Описываемый индикатор предназначен для контроля наличия световых импульсов ИК-диапазона. Им можно быстро определить работоспособность пульта ДУ. Если при нажатии какой-либо кнопки проверяемого ПДУ индикатор не регистрирует импульсы, это указывает на неисправность ПДУ. При включении SA1 кратковременно вспыхивает светодиод HL1. Контролируемые световые импульсы принимаются фотодиодом VD1, включенным в обратном направлении, и через разделительный конденсатор С1 поступают на УПТ, собранный на транзисторах VT1...VT3. Транзисторы VT1, VT2 обеспечивают большое входное сопротивление, a VT3 — коэффициент усиления УПТ. Далее усиленные импульсы поступают с коллектора VT3 через R4 на светодиод HL1. Конденсатор С2 — антипаразитный. Резисторами R2, R3 задается режим работы УПТ. Индикатор регистрирует импульсы при точном направлении на излучатель ПДУ на расстоянии 10...15 см. ![]()
При правильной сборке и исправных деталях нужно только установить общий ток схемы подбором R2. При напряжении питания 9 В схема потребляет ток 4,5 мА. При снижении напряжения питания до 6 В схема потребляет ток 1,2 мА, но сохраняет работоспособность, правда, с некоторым уменьшением дальности контроля. Проверить функционирование индикатора можно, направив на VD1 свет лампочки. Прикрывая его рукой, следует убедиться, что HL1 вспыхивает. Наличие солнечного света, а также непрямых лучей от других излучателей на работу схемы влияет очень слабо. Схема собрана на печатной плате размером 50 х 15 мм из одностороннего стеклотекстолита. Чертеж платы и расположение деталей изображены на рис.2. При вертикальном расположении резисторов размеры платы можно уменьшить. Конструкция корпуса может быть любой. Диод VD1 и индикатор HL1 расположены рядом на передней панели. Питается вся схема от батареи GB1 типа "Крона" (9 В). Транзисторы VT1... VT3 — КТ3102Е(Г) с коэффициентом Вст не ниже 600. Светодиод HL1 — импортный, зеленого цвета. С1 и С2 — КМ-5а. Переключатель SA1 — малогабаритный движковый. Данным пробником можно контролировать и другие излучатели импульсов ИК-диапазона. Радиомир №8, 2002 |
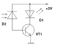
Для того чтобы проверить любое дистанционное управление или ИК светодиод можно использовать следующее устройство. Оно просто в изготовлении, не нуждается в настройке и его легко можно разместить в компактном корпусе. Тока, протекающего через фотодиод, достаточно для открытия транзистора. Для проверки любого ДУ или ИК светодиода нужно поднести его к линзе D2. Вспышки D1 укажут на работоспособность устройства. Примечания админа: я запитал схему от "Кроны" - 9 В, а радиус действия при прямом попадании луча составил 10 см. Яркость свечения зависит от расстояния до диода. Если схема не работает - подбирайте фотодиод, у меня наилучшие результаты были с ФД-256. Потребление тока при отсутствии света 25 мкА.
