LAB599.RU — интернет-магазин средств связи
EN FR DE CN JP
QRZ.RU > Каталог схем и документации > Схемы наших читателей > Дайджест радиосхем > ПРАКТИЧЕСКОЕ ПРИМЕНЕНИЕ ТАЙМЕРА СЕРИИ 555

ПРАКТИЧЕСКОЕ ПРИМЕНЕНИЕ ТАЙМЕРА СЕРИИ 555




ПРАКТИЧЕСКОЕ ПРИМЕНЕНИЕ ТАЙМЕРА СЕРИИ 555

  Этот материал заимствован из различных зарубежных журналов. Учитывая, что в каждой стране существует своя система индексации типономиналов микросхем, в приводимых здесь схемах будут встречаться различные их наименования: 555, В555. По своей сути они одинаковы. Всем им соответствует отечественный вариант интегрального таймера КР1006ВИ1 - аналог полный (электрические параметры, конструктивное исполнение, нумерация выводов). Сведения об этой микросхеме были приведены в "Радио" № 7 за 1986 г. (с. 57, 58).

РЕГУЛИРОВАНИЕ СКВАЖНОСТИ ИМПУЛЬСОВ

  На рис. 1 приведена схема мультивибратора. Применение в данном устройстве микросхемы В555 позволило добиться регулирования скважности импульсов в широких пределах. Это достигнуто тем, что разделены цепи зарядки и разрядки конденсатора С1. При высоком уровне на выходе микросхемы (вывод 3) транзисторы VT1 и VT2 открыты. В это время конденсатор С1 заряжается через транзистор VT1, резистор RA и часть R'A переменного резистора RP1. При достижении на нем напряжения уровня 0,66 Uп мультивибратор переходит в состояние с низким уровнем сигнала на выходе.


Puc.1

  Теперь конденсатор С1 разряжается через часть Rg переменного резистора RP1, резистор Rg и внутреннюю цепь разряда (вывод 7) микросхемы. При уровне напряжения на нем 0,33 Uп мультивибратор переходит в первоначальное состояние с высоким уровнем на выходе. Таким образом, время зарядки (t1) и разрядки (t2) можно регулировать переменным резистором. Скважность импульсов определяется соотношением резисторов

Т/t1=(RA+RP1+RB)/(RA+R'A)

  При указанных на схеме значениях сопротивлений скважность регулируется от 2 до 98 при неизменной частоте генерации.

"Radio, Fernsehen, Flektronik", 1988, № 11

ЛИНЕЙНОЕ РЕГУЛИРОВАНИЕ ЧАСТОТЫ МУЛЬТИВИБРАТОРА

   На рис. 2 приведен модернизированный вариант классической схемы генератора прямоугольных импульсов с интегральной микросхемой серии 555. В данном устройстве зарядка и разрядка времязадающего конденсатора С1 осуществляется через диодный мост VD1-VD4 и два источника тока на транзисторах VT3 и VT4, которые управляются работой транзистора VT2.


Puc.2

  Частота генерации колебаний на выходе изменяется линейно переменным резистором R2. При указанных на схеме значениях элементов можно получить двадцатикратное изменение частоты, при среднем положении R2 частота генерации - 1 кГц.

  Вместо переменного резистора частоту колебаний можно регулировать подачей внешнего постоянного напряжения на базу транзистора VT2. Эмиттерный переход транзистора VT1 обеспечивает необходимую термостабилизацию работы устройства. Если требования к линейности регулирования не очень жестки, устройство может быть выполнено с стократным изменением частоты.

"Радио, телевизия, електрончка", 1989, № 8

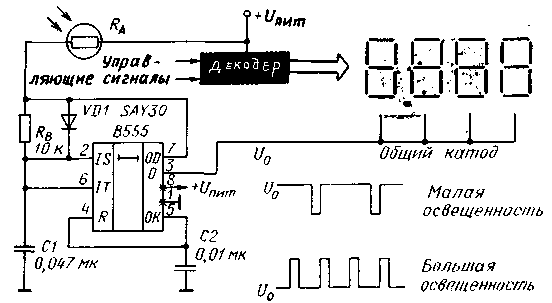
РЕГУЛИРОВАНИЕ ЯРКОСТИ ЦИФРОВОГО ИНДИКАТОРА

  Устройства с люминесцентными индикаторами (стационарные электронные часы, информационные табло и др.) удобны в пользовании только при большом контрасте светящихся сегментов. Например, в затемненном помещении достаточно и небольшого тока анода-сегмента для нормального его визуального наблюдения. Но при большой освещенности помещения и яркость свечения элементов индикатора должна быть значительно выше.


Puc.3

"Radio, Fernsehen, Flektronik", 1986, № 12

УСТРОЙСТВО ПЕРИОДИЧЕСКОГО ОТКЛЮЧЕНИЯ НАГРУЗКИ В ЦЕПИ ПЕРЕМЕННОГО ТОКА

  Устройство, схема которого показана на рис. 4, можно использовать для периодического подключения и отключения нагрузки в цепи переменного тока, например, световую рекламу, новогоднюю гирлянду, звуковой сигнализатор и др.


Puc.4

  Включение нагрузки осуществлено через симметричный тиристор (симистор) VS1, который управляется через транзистор VT1 от генератора на микросхеме DD1. Частота генератора устанавливается выбором конденсатора С2 и резисторов Rl, R2 и определяет интервалы включения нагрузки. О состоянии включения нагрузки можно судить по работе светодиодного индикатора HL1, он же помогает осуществить контроль частоты генератора даже при отключенной нагрузке. В конструкции возможно использовать трансформатор питания с мощностью до 5 Вт.

  Использование устройства требует особого внимания, так как элементы нагрузки и их соединительных цепей находятся под фазовым напряжением питающей сети переменного тока. Поэтому требуется тщательное соблюдение мер безопасной работы, а само устройство следует разместить в пластмассовом корпусе.

"Haul Parleur", I988, № 12

ЗАМЕДЛЕННОЕ ОТКЛЮЧЕНИЕ ОСВЕЩЕНИЯ В САЛОНЕ АВТОМОБИЛЯ

  Устройство реле времени (рис. 5) осуществляет замедление на 10... 15с отключение освещения в салоне автомобиля после закрывания дверей. В течение этого времени водитель может спокойно оглядеть приборную доску и вставить ключ зажигания.


Puc.5

  При закрытых дверях автомобиля контакты SA1 разомкнуты и лампа освещения EL1 не светится. Конденсаторы С1 и С2 заряжаются соответственно через цепи VD1R3 и VD1R4. Поддержание напряжения на конденсаторе С2 защищает таймер от ложных срабатываний из-за импульсных помех при запуске двигателя и при его работе. После зарядки конденсатора С1 на выводе 3 микросхемы напряжение близко к нулю и транзисторы VT1-VT3 закрыты. При открывании дверей контакты SA1 замыкаются, лампа в салоне светится, конденсатор С1 разряжается через цепь VD2 R1.
Источник: shems.h1.ru

Партнеры