Что-то не так?
Пожалуйста, отключите Adblock.
Портал QRZ.RU существует только за счет рекламы, поэтому мы были бы Вам благодарны если Вы внесете сайт в список исключений. Мы стараемся размещать только релевантную рекламу, которая будет интересна не только рекламодателям, но и нашим читателям. Отключив Adblock, вы поможете не только нам, но и себе. Спасибо.
Как добавить наш сайт в исключения AdBlockРеклама
Магнитоуправляемые датчики на микросхемах
|
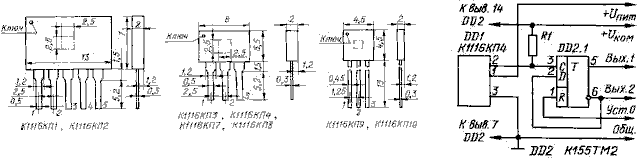
Магнитоуправляемые логические микросхемы, используются в устройствах самого разнообразного назначения. В настоящее время наиболее широкое распространение получили универсальные магнитные датчики положения и перемещения. Конструкция датчиков может быть различной, но они всегда содержат преобразователь магнитного поля и магнитную систему, разомкнутую или замкнутую. Магнитная система может быть составной частью датчика, а может включать в себя и те или иные элементы контролируемого объекта. Простейший датчик состоит из магнитоуправляемой микросхемы (МУМС) и постоянного магнита, укрепленного на подвижном звене контролируемого объекта. При сближении магнита и МУМС на некоторое расстояние индукция магнитного поля становится достаточной для срабатывания микросхемы. Удаление магнита приводит к ее переключению в исходное состояние. При разработке датчиков учитывают известные закономерности действия магнитного поля, характеристики постоянных магнитов, а также влияние элементов конструкции на параметры датчиков. Магнитные датчики применяют в бесконтактной клавиатуре, вентильных электродвигателях, автоматических устройствах защиты сети, электронных реле и предохранителях, измерителях частоты и направления вращения вала, преобразователях угла поворота, системах промышленной, автомобильной и бытовой автоматики, автостопах магнитофонов и электропроигрывателей и т. д. Подобные датчики с вращающейся цилиндрической шторкой используются в бесконтактных прерывателях электронной системы зажигания автомобилей. Такой прерыватель имеет высокую надежность работы и долговечность. Если на шторке расположить несколько рядов окон в порядке, соответствующему коду Грея, то с использованием соответствующего числа МУМС и магнитов можно реализовать 5—8 разрядный датчик линейного перемещения или датчика «частота вращения—код». В отличие от светового датчика магнитный не требует сложной оптической системы, более надежен и экономичен. На базе магнитного датчика могут быть выполнены интересные электромеханические замковые устройства. На цилиндрической личине замка укрепляют магнит, так чтобы при ее повороте ключом магнит приблизился к укрепленной рядом МУМС. Электронный узел, воспринимающий сигнал от микросхемы, выполняет необходимые переключения. Автомобильные замки зажигания, работающие на таком принципе, отличаются удобством и высокой надежностью. Широкое применение получило использование МУМС в качестве датчиков положения ротора вентильных (бесколлекторных) электродвигателей. Чаще всего датчик положения ротора представляет собой неподвижное кольцо из немагнитного материала, на котором равномерно по окружности установлены 2, 3 или 4 МУМС (в зависимости от числа секций обмотки возбуждения). Микросхемы попадают в зазоры вращающейся вместе с валом системы управляющих магнитов. Ротором электродвигателя служит многополюсный постоянный магнит, а многосекционная обмотка возбуждения играет роль статора. Вращающее магнитное поле обмоток возбуждения формируется бесконтактным коммутатором по командам датчика положения ротора. При этом одна микросхема управляет, как правило, одной из секций обмотки возбуждения. Использование МУМС в датчике положения ротора обеспечивает возможность управления частотой вращения вентильных электродвигателей в очень широких пределах — от нескольких оборотов в минуту до 60 000. Такие двигатели весьма перспективны для прямого привода электропроигрывателей и магнитофонов, так как обладают большим сроком службы (до 10000 ч), компактны и бесшумны; их КПД достигает 70 %. С применением МУМС созданы бесконтактные электронные реле. Магнитная система и обмотка такого реле принципиально такие же, как и у обычного электромагнитного, но якорь и связанные с ним контакты отсутствуют. Их заменяют микросхема, установленная в зазоре магнитопровода, и транзисторный усилитель тока. Исполнительный узел реле, выполненный на мощных транзисторах или тиристорах, может быть рассчитан на большой коммутируемый ток (или напряжение). При этом размеры реле остаются относительно небольшими. Аналогичные устройства могут быть использованы для электронной защиты цепей питания аппаратуры от перегрузки и замыканий. При необходимости защиты сильноточных цепей (до 1000 А), вокруг провода контролируемой цепи располагают кольцевой концентратор, выполненный из трансформаторной стали. В зазор концентратора помещают МУМС. Превышение тока через контролируемый проводник сверх установленного порога приводит к переключению микросхемы и срабатыванию исполнительного устройства. Достоинствами таких релейных устройств являются полная развязка управляющих и исполнительных цепей, высокое быстродействие (десятые доли микросекунды) и искробезопасность. На основе МУМС можно изготовить удобные и надежные конструкции органов управления. Перемещение рукоятки прибора, в основание которой вмонтирован постоянный магнит, к одному из крайних положений, приводит к переключению соответствующей микросхемы и передаче соответствующей команды. Следует отметить, что МУМС могут быть использованы во многих случаях, в которых применяют герконы. Однако по сравнению с герконами магнитоуправляемые микросхемы обладают меньшими размерами, большей механической прочностью и устойчивостью, отсутствием дребезга контактов при переключении, в 10 раз большим быстродействием и надежностью. Интересные возможности предоставляет применение МУМС в дефектоскопии. В качестве примера можно рассмотреть конструкцию головки для искателя оборванных проволок в канате. Эти приборы очень нужны горнякам, строителям, эксплуатационникам канатных дорог, лифтов и т. д. Принцип их работы основан на регистрации магнитного поля рассеяния, возникающего вокруг каната. Индукция поля рассеяния вдоль каната относительно невелика — около 15 мТл. Поэтому чувствительность головки повышают введением в систему магнитного концентратора. Он состоит из двух колец со скошенными внутрь поверхностями, в зазоре между которыми размещены МУМС. Зазор определяется толщиной микросхемы и должен быть как можно меньше. Для установки концентратора на канате концентрирующие кольца выполняют разъемными (из двух полуколец каждое). Поле, создаваемое магнитной системой, намагничивает контролируемый участок каната между полюсами. При отсутствии дефекта каната вокруг него на этом участке появляется равномерное поле рассеяния. При перемещении головки вдоль такого каната МУМС не переключается. При обрыве проволок в канате возникает деформация магнитного поля рассеяния, которое микросхема регистрирует, и уровень напряжения на ее выходе изменяется. Головку можно установить на срабатывание при обрыве определенного числа проволок и на определенную глубину их. От скорости перемещения головки по канату ее чувствительность почти не зависит, что позволяет проверять его в движении и останавливать головку искателя на месте обнаружения дефекта. Основные преимущества магнитоуправляемых микросхем по сравнению с другими преобразователями физических (неэлектрических) величин простота обеспечения практически идеальных механической, электрической, тепловой и других видов развязки измерительных и управляющих цепей от объектов контроля, а также большой динамический диапазон и возможность непосредственного сопряжения со стандартными логическими узлами. Выпускаемые промышленностью интегральные логические микросхемы К1116КП1, К1116КП2, К1116КПЗ, К1116КП4, К1116КП7, К1116КП8, К1116КП9 и К1116КП10 представляют собой электронные ключи, управляемые магнитным полем. Микросхемы этой серии представляют собой устройства малой степени интеграции, содержащие в одном кремниевом кристалле преобразователь магнитного поля и электронное устройство усиления и обработки сигнала. Преобразователем магнитного поля служит интегральный 4-электродный элемент Холла, принцип действия которого основан на возникновении на двух продольных электродах ЭДС, прямо пропорциональной произведению напряженности магнитного поля на ток, протекающий через поперечные электроды. Микросхемы изготовляют по эпипланарной технологии и оформляют в 3-х 5- выводном пластмассовом корпусе с жесткими плоскими выводами. Внешний вид и чертежи корпуса показаны на рисунке Штрих-пунктирным квадратом на чертежах обозначено размещение зоны чувствительности элемента Холла (размеры зоны у микросхем К1116КП9 и К1116КП10— 1,5Х 1,5 мм). По реакции на воздействие внешнего магнитного поля микросхемы подразделяют на униполярные, уровень напряжения на выходе которых зависит от значения индукции магнитного поля одной полярности, и биполярные, уровень выходного напряжения которых зависит как от значения индукции, так и от знака (полярности) воздействующего магнитного поля.
Униполярные микросхемы К1116КП1,К1116КПЗ, К1116КП9, К1116КП10 имеют прямой выход, сигнал на котором в отсутствие магнитного поля соответствует уровню логической 1. При повышении индукции внешнего магнитного поля до значения В>ВСРАБ, происходит переключение микросхемы и уровень сигнала на ее выходе скачком изменяется до логического нуля. Униполярная микросхема К1116КП2 имеет инверсный выход, на котором уровень логической 1 появляется при воз действии магнитного поля с индукцией. С повышением температуры униполярных микросхем происходит увеличение значения индукции срабатывания / отпускания. С повышением температуры биполярных микросхем индукция срабатывания отпускания уменьшается. Температурный коэффициент изменения индукции срабатывания и отпускания лежит в пределах от 0,01 до 0,05 мТл/°С в зависимости от типа микросхемы. Повышенная помехоустойчивость микросхем обеспечена наличием гистерезиса (с индукцией 39 мТл) на характеристике переключения. Микросхемы серии К 1116 рассчитаны на сопряжение с цифровыми интегральными микросхемами видов РТЛ, ДТЛ, ТТЛ, ЭСЛ, ТЛЛ и структуры КМОП. Одна из возможных схем сопряжения показана на рисунке. Минимальное сопротивление в омах резистора R1 определяют по формуле R1min > Uком / Ioвых. max , где Uком — напряжение коммутации, Ioвых. max —максимальный выходной ток низкого уровня. Микросхемы К1116КП1 и К1116КП2 имеют по два синфазных выхода с открытым
коллектором и стробирующий вход (вывод 3) При подаче на этот вход стробирующего импульса с уровнем 0, уровень выходного напряжения не будет зависеть от воздействия внешнего магнитного поля, т. е. будет реализована функция «запрет» Если вход стробирования не используют, его необходимо подключить к плюсовому проводу питания.
|