Что-то не так?
Пожалуйста, отключите Adblock.
Портал QRZ.RU существует только за счет рекламы, поэтому мы были бы Вам благодарны если Вы внесете сайт в список исключений. Мы стараемся размещать только релевантную рекламу, которая будет интересна не только рекламодателям, но и нашим читателям. Отключив Adblock, вы поможете не только нам, но и себе. Спасибо.
Как добавить наш сайт в исключения AdBlockРеклама
Применение АЦП КР572ПВ2
|
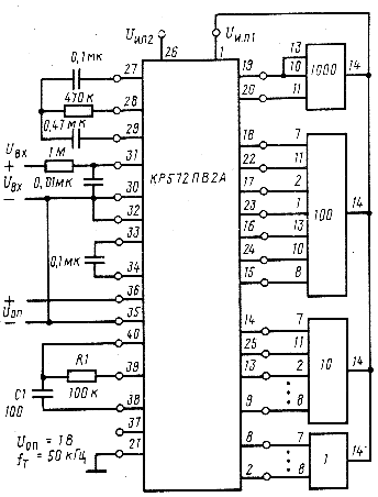
Назначение выводов ИС КР572ПВ2: 1—напряжение питания Uип1; 2—цифровой выход d1; 3—цифровой выход C1;4—цифровой выход b1; 5—цифровой выход a1; б—цифровой выход f1; 7—цифровой выход g1; 8— цифровой выход C1; 9—цифровой выход d10; 10—цифровой выход C10 11—цифровой выход b10; 12—цифровой выход а10; 13—цифровой выход f10 14—цифровой выход е10; 15—цифровой выход d100; 16—цифровой выход b100 17-—цифровой выход f100; 18—цифровой выход e100; 19—цифровой выход bc1000 20—цифровой выход g1000; 21—общий; 22—цифровой выход g100 23—цифровой выход а100; 24—цифровой выход С100; 25—цифровой выход g10 26—напряжение питания Uи.п; 27—конденсатор интегратора; 28—резистор интегратора; 29—конденсатор автокоррекции; 30—аналоговый входUвх (—) 31—аналоговый вход Uвх (+); 32—общий аналоговый выход; 33—опорный конденсатор; 34—опорный конденсатор; 35—опорное напряжение (—); 36— опорное напряжение (+); 37—контрольный вход; 38—конденсатор генератора ТИ; 39—резистор генератора ТИ; 40—генератор ТИ. Основные параметры преобразователя при Цип1=5В, Uип2=—5B 8„ш=±1 ед. МР (КР572ПВ2А), ±3 ед. МР (Б), ±5ед. МР (В); время цикл. преобразования при f, = 50 кГц равно 300 мс; входное сопротивление 20МОм; I= l,8 mA. Микросхема имеет дифференциальные входы и высокую степень ослабле ния синфазного сигнала (Kос.сф=100 дБ), что позволяет использовать преобра- зователь в условиях действия сильных помех. Преобразователь может питаться от автономного источника. В микросхеме предусмотрено, использование внутреннего и внешней тактовых генераторов. В первом случае частота регулируется конденсаторои. С1, емкость которого выбирается из условия C1=R1 -0,45/fт Для повышения стабильности fт можно применять кварцевый резонатор, подключаемый межд: выводами 39 и 40 (элементы R1 и С1 в этом случае не используются). Пр1 работе с внешним генератором его подключают к выводу 40 (выводы 38 и 39 не используются). При работе с преобразователем следует соблюдать правила подачи напряжения и защиты, как и для ИС К572ПА1. Максимальные значения напряжений Uип1=5,5B, Uип2= -8В. Точность и правильность работы АЦП во многом зависит от паразитных емкостей монтажа навесных элементов [45].
|
Микросхема КР572ПВ2. Представляет собой преобразователь на 3,5 десятичных разрядов, работающий по принципу последовательного счета с двойным интегрированием, с автоматической коррекцией нуля и определением полярности входного сигнала. Микросхема представляет собой электронную часть цифрового вольтметра, измеряющего входной сигнал до ±1,999 В и ± 199,9 мВ. Цифровая информация отображается на светодиодном индикаторе АЛС324Б. Микросхема представляет собой функционально-законченное устройство. Для работы преобразователя совместно с ИС используются только внешние конденсаторы, резисторы и источники питания. Схема включения показана на рисунке.