LAB599.RU — интернет-магазин средств связи
EN FR DE CN JP

Цифровая шкала для FM-приЈмников




Цифровая шкала для FM-приЈмников

Диапазон индицируемых частот 88 - 108 МГц Uпит. 12 В Iпотр. 100 мА

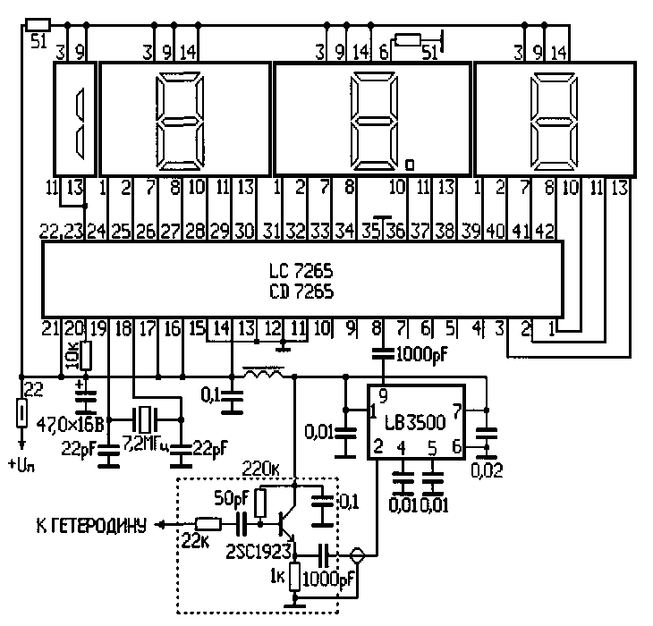
  Цифровая шкала предназначена для использования совмест-но с FM-приЈмниками супергетеродинного типа на ИМС СХА1191, СХА1238, ТА2003, ТА8127, ТА8164, ТА8167, ТЕА5711 и др. (кроме К174ХА34, А7021, TDA7021, TDA7088,KA22429). Устройство состоит из СВЧ усилителя (эмиттерного повторителя), цифрового и индикаторного блоков. Цифровой и индикаторный блоки соединены гибкими проводами, что позволяет удобно размещать шкалу в любом месте конструкции.

  Усилитель цифровой шкалы припаивается штырьком к плате тюнера непосредственно в точке соединения контура i етеродина с микросхемой тюнера: СХА1191-(вывод 7), СХА1238-(вывод 22), ТА8127-(вывод 21), ТА8164-(вывод 13), ТА8167-(вывод 21), ТЕА5711-(вывод 23). При этом, за счЈт внесения дополнительной емкости усилителя, возможно небольшое смещение FM-диапазона. Для возврата к исходному состоянию необходимо (ориентируясь по показаниям шкалы ) немного растянуть витки гетеродинной катушки. Примечание: при питании устройства напряжением менее 10 В (для повышения яркости свечения индикаторов) можно замкнуть накоротко балластный резистор 22 Ом (см. схему)

 Цифровая шкала для FM-приЈмников

Производитель и разработчик
фирма "Витан", г. Запорожье

Источник: shems.h1.ru

Партнеры