LAB599.RU — интернет-магазин средств связи
EN FR DE CN JP

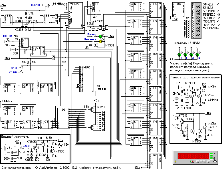
Многофункциональный частотомер




Многофункциональный частотомер

Входной сигнал может быть в пределах: 0,2 В - 15 В или 2 В - 150 В, а его частота может быть в пределах 1 Гц - 50 МГц. Частотомер позволяет проводить следующие измерения:

  • период (4 предела измерения);
  • частота (4 предела измерения);
  • длительность положительной полуволны;
  • длительность отрицательной полуволны.

 Многофункциональный частотомер

Vlad Armbrister
armer (at) mail.ru

Источник: shems.h1.ru

Партнеры