Что-то не так?
Пожалуйста, отключите Adblock.
Портал QRZ.RU существует только за счет рекламы, поэтому мы были бы Вам благодарны если Вы внесете сайт в список исключений. Мы стараемся размещать только релевантную рекламу, которая будет интересна не только рекламодателям, но и нашим читателям. Отключив Adblock, вы поможете не только нам, но и себе. Спасибо.
Как добавить наш сайт в исключения AdBlockРеклама
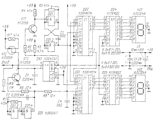
Цифровой индикатор напряжения
|
В большинстве случаев результаты измерений аналоговых величин лучше всего считывать с цифрового индикатора. С этой целью при необходимости применяют различные преобразователи (например температура—напряжение, фаза—напряжение), выходной сигнал которых подают на АЦП и далее на цифровой индикатор. Описываемое устройство удобно использовать, когда нужен недорогой измеритель средней степени точности, а применение однокристальных АЦП по каким-либо причинам невозможно. Схема двухразрядного индикатора приведена на рисунке. Диапазон измерений входного напряжения 0-7В, при большем напряжении следует применять делитель. Принцип работы АЦП основан на измерении времени зарядки конденсатора до напряжения, равного измеряемому, и последующем его преобразовании в цифровую форму. Пропорциональность измеряемых времени и напряжения обеспечивается стабилизацией тока зарядки.
Работой АЦП управляет генератор прямоугольных импульсов на элементах DD1.3, DD1.4. Когда на выходе генератора появляется лог 0, транзистор VT3 закрывается, а на входах РЕ счетчиков DD2, DD3 действует лог 0, разрешая счет импульсов с генератора на DD1.1, DD1.2. Конденсатор С1 заряжается от генератора тока на транзисторе VT2. Когда возрастающее напряжение на конденсаторе сравняется с входным, на выходе 9 компаратора DA1 появится высокий логический уровень. Транзистор VT1 инвертирует его, поэтому работа генератора на элементах DD1.1 и DD1.2 блокируется. Одновременно с этим на входах С DD4, DD5 действует лог 1, разрешающая запись информации со счетчиков DD2, DD3. Зафиксированное число отображается на светодиодных индикаторах HG1, HG2. Как только на выходе генератора на элементах DD1 3, DD1 4 появится лог 1, открывается транзистор VT3 и конденсатор С1 разряжается Компаратор DA1 изменяет свое состояние и блокирует запись в преобразователи кода DD4, DD5. Через небольшой промежуток времени, определяемый цепью R8 C4 лог 1 подается на входы РЕ счетчиков DD2, DD3 записывая в них лог 0. После этого цикл измерения повторяетс. Если на входе устройства напряжение равно нулю, то на выходе компаратора DA1 присутствует высокий логический уровень, разрешающий запись в DD4, DD5 и блокирующий генератор на DD1 1, DD1 2. При этом в счетчики DD2, DD3 записываются нули, отображаемые индикаторами. Конструктивно индикатор выполнен на двух платах на одной — установлены светодиодные индикаторы HG1 HG2, на другой — все остальные элементы. Монтаж на платах можно выполнить печатным способом или тонким проводом в изоляции. В устройстве использованы постоянные резисторы МЛТ-0,125 конденсаторы С2—С4 могут быть любые керамические. Подстроечный резистор R5 — СП5-2 или другой многооборотный, конденсаторы С1 и СЗ — керамические с малым ТКЕ, в качестве С1 можно также установить К73-17. Светодиодные индикаторы HG1, HG2 можно заменить на АЛС324Б (с общим анодом), подключив входы S преобразователей кода и общие электроды индикаторов к общему проводу. Микросхемы DD4, DD5 можно заменить на К176ИД3. Транзисторы VT1, VT3—любые из серии КТ315. Налаживание собранного прибора начинают с установки тока зарядки конденсатора С1. Для этого включают микроамперметр в разрыв между стоком транзистора VT2 и точкой соединения конденсатора С 1 с коллектором VT3 и подбором резистора R1 устанавливают ток около 20 мкА. После этого подают на вход устройства напряжение, соответствующее верхней границе диапазона измерений, и резистором R5 устанавливают на индикаторах соответствующее показание. Иногда, при нечетком обнулении счетчиков (когда на индикаторах чередуются нулевые и ненулевые показания), требуется подобрать резистор R8. После регулировки, изменяя напряжение на входе, проверяют работу устройства в целом. В авторском варианте описанное устройство используется в качестве вольтметра лабораторного блока питания. Радио №6, 2000 |